ZHCS137F March   2011  – October 2017 TPS54622

PRODUCTION DATA.  

  1. 特性
  2. 应用
  3. 说明
    1.     Device Images
      1.      简化电路原理图
      2.      效率与负载电流间的关系
  4. 修订历史记录
  5. Pin Configurations and Functions
    1.     Pin Functions
  6. Specifications
    1. 6.1 Absolute Maximum Ratings
    2. 6.2 ESD Ratings
    3. 6.3 Recommended Operating Conditions
    4. 6.4 Thermal Information
    5. 6.5 Electrical Characteristics
    6. 6.6 Typical Characteristics
  7. Detailed Description
    1. 7.1 Overview
    2. 7.2 Functional Block Diagram
    3. 7.3 Feature Description
      1. 7.3.1  Fixed-Frequency PWM Control
      2. 7.3.2  Continuous Current Mode Operation (CCM)
      3. 7.3.3  VIN and Power VIN Pins (VIN and PVIN)
      4. 7.3.4  Voltage Reference
      5. 7.3.5  Adjusting the Output Voltage
      6. 7.3.6  Safe Start-Up Into Prebiased Outputs
      7. 7.3.7  Error Amplifier
      8. 7.3.8  Slope Compensation
      9. 7.3.9  Enable and Adjusting Undervoltage Lockout
      10. 7.3.10 Adjustable Switching Frequency and Synchronization (RT/CLK)
      11. 7.3.11 Slow Start (SS/TR)
      12. 7.3.12 Power Good (PWRGD)
      13. 7.3.13 Output Overvoltage Protection (OVP)
      14. 7.3.14 Overcurrent Protection
        1. 7.3.14.1 High-Side MOSFET Overcurrent Protection
        2. 7.3.14.2 Low-Side MOSFET Overcurrent Protection
      15. 7.3.15 Thermal Shutdown
      16. 7.3.16 Small Signal Model for Loop Response
      17. 7.3.17 Simple Small Signal Model for Peak Current Mode Control
      18. 7.3.18 Small Signal Model for Frequency Compensation
    4. 7.4 Device Functional Modes
      1. 7.4.1 Adjustable Switching Frequency (RT Mode)
      2. 7.4.2 Synchronization (CLK Mode)
      3. 7.4.3 Bootstrap Voltage (BOOT) and Low Dropout Operation
      4. 7.4.4 Sequencing (SS/TR)
  8. Application and Implementation
    1. 8.1 Application Information
    2. 8.2 Typical Application
      1. 8.2.1 Design Requirements
      2. 8.2.2 Detailed Design Procedures
        1. 8.2.2.1  Custom Design With WEBENCH® Tools
        2. 8.2.2.2  Operating Frequency
        3. 8.2.2.3  Output Inductor Selection
        4. 8.2.2.4  Output Capacitor Selection
        5. 8.2.2.5  Input Capacitor Selection
        6. 8.2.2.6  Slow-Start Capacitor Selection
        7. 8.2.2.7  Bootstrap Capacitor Selection
        8. 8.2.2.8  Undervoltage Lockout Setpoint
        9. 8.2.2.9  Output Voltage Feedback Resistor Selection
          1. 8.2.2.9.1 Minimum Output Voltage
        10. 8.2.2.10 Compensation Component Selection
        11. 8.2.2.11 Fast Transient Considerations
      3. 8.2.3 Application Curves
  9. Power Supply Recommendations
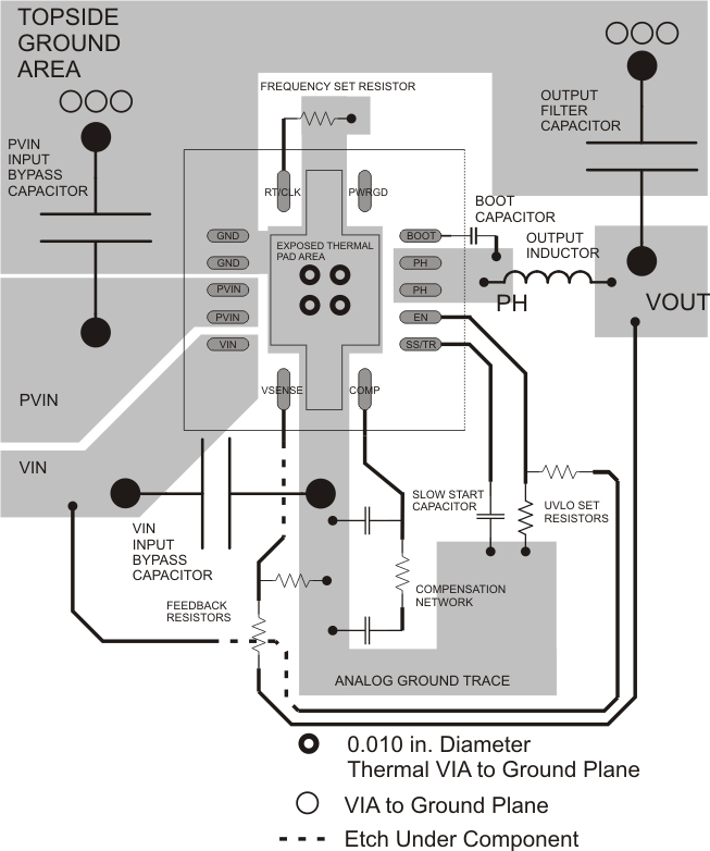
  10. 10Layout
    1. 10.1 Layout Guidelines
    2. 10.2 Layout Examples
    3. 10.3 Estimated Circuit Area
  11. 11器件和文档支持
    1. 11.1 器件支持
      1. 11.1.1 Third-Party Products Disclaimer
      2. 11.1.2 开发支持
      3. 11.1.3 使用 WEBENCH® 工具创建定制设计
    2. 11.2 文档支持
      1. 11.2.1 相关文档
    3. 11.3 接收文档更新通知
    4. 11.4 社区资源
    5. 11.5 商标
    6. 11.6 静电放电警告
    7. 11.7 Glossary
  12. 12机械、封装和可订购信息

封装选项

机械数据 (封装 | 引脚)
散热焊盘机械数据 (封装 | 引脚)
订购信息

Layout Examples

TPS54622 pcb_layout_lvs949.gifFigure 46. PCB Layout
TPS54622 smpcb_layout_lvs949.gifFigure 47. Ultra-Small PCB Layout Using TPS54622 (PMP4854-2)