ZHCSF14D March   2010  – October 2018 TPS54260

PRODUCTION DATA.  

  1. 特性
  2. 应用
  3. 说明
    1.     Device Images
      1.      简化原理图
      2.      效率与负载电流间的关系
  4. 修订历史记录
  5. Pin Configuration and Functions
    1.     Pin Functions
  6. Specifications
    1. 6.1 Absolute Maximum Ratings
    2. 6.2 ESD Ratings
    3. 6.3 Recommended Operating Conditions
    4. 6.4 Thermal Information
    5. 6.5 Electrical Characteristics
    6. 6.6 Typical Characteristics
  7. Detailed Description
    1. 7.1 Overview
    2. 7.2 Functional Block Diagram
    3. 7.3 Feature Description
      1. 7.3.1  Fixed Frequency PWM Control
      2. 7.3.2  Slope Compensation Output Current
      3. 7.3.3  Pulse-Skip Eco-Mode
      4. 7.3.4  Low-Dropout Operation and Bootstrap Voltage (BOOT)
      5. 7.3.5  Error Amplifier
      6. 7.3.6  Voltage Reference
      7. 7.3.7  Adjusting the Output Voltage
      8. 7.3.8  Enable and Adjusting Undervoltage Lockout
      9. 7.3.9  Slow-Start / Tracking Pin (SS/TR)
      10. 7.3.10 Overload Recovery Circuit
      11. 7.3.11 Sequencing
      12. 7.3.12 Constant Switching Frequency and Timing Resistor (RT/CLK Pin)
      13. 7.3.13 Overcurrent Protection and Frequency Shift
      14. 7.3.14 Selecting the Switching Frequency
      15. 7.3.15 How to Interface to RT/CLK Pin
      16. 7.3.16 Powergood (PWRGD Pin)
      17. 7.3.17 Overvoltage Transient Protection
      18. 7.3.18 Thermal Shutdown
      19. 7.3.19 Small Signal Model for Loop Response
      20. 7.3.20 Simple Small Signal Model for Peak Current Mode Control
      21. 7.3.21 Small Signal Model for Frequency Compensation
    4. 7.4 Device Functional Modes
      1. 7.4.1 Operation Near Minimum Input Voltage
      2. 7.4.2 Operation With Enable Control
  8. Application and Implementation
    1. 8.1 Application Information
    2. 8.2 Typical Applications
      1. 8.2.1 3.3-V Output Application
        1. 8.2.1.1 Design Requirements
        2. 8.2.1.2 Detailed Design Procedure
          1. 8.2.1.2.1  Custom Design With WEBENCH® Tools
          2. 8.2.1.2.2  Selecting the Switching Frequency
          3. 8.2.1.2.3  Output Inductor Selection (LO)
          4. 8.2.1.2.4  Output Capacitor
          5. 8.2.1.2.5  Catch Diode
          6. 8.2.1.2.6  Input Capacitor
          7. 8.2.1.2.7  Slow-Start Capacitor
          8. 8.2.1.2.8  Bootstrap Capacitor Selection
          9. 8.2.1.2.9  Undervoltage Lock Out Set Point
          10. 8.2.1.2.10 Output Voltage and Feedback Resistors Selection
          11. 8.2.1.2.11 Compensation
          12. 8.2.1.2.12 Discontinuous Mode and Eco-Mode Boundary
          13. 8.2.1.2.13 Power Dissipation Estimate
        3. 8.2.1.3 Application Curves
      2. 8.2.2 Inverting Power Supply
      3. 8.2.3 Split-Rail Power Supply
      4. 8.2.4 12-V to 3.8-V GSM Power Supply
      5. 8.2.5 24-V to 4.2-V GSM Power Supply
  9. Power Supply Recommendations
  10. 10Layout
    1. 10.1 Layout Guidelines
    2. 10.2 Layout Example
  11. 11器件和文档支持
    1. 11.1 器件支持
      1. 11.1.1 第三方产品免责声明
      2. 11.1.2 开发支持
        1. 11.1.2.1 使用 WEBENCH® 工具创建定制设计
    2. 11.2 接收文档更新通知
    3. 11.3 社区资源
    4. 11.4 商标
    5. 11.5 静电放电警告
    6. 11.6 术语表
  12. 12机械、封装和可订购信息

封装选项

机械数据 (封装 | 引脚)
散热焊盘机械数据 (封装 | 引脚)
订购信息

Small Signal Model for Frequency Compensation

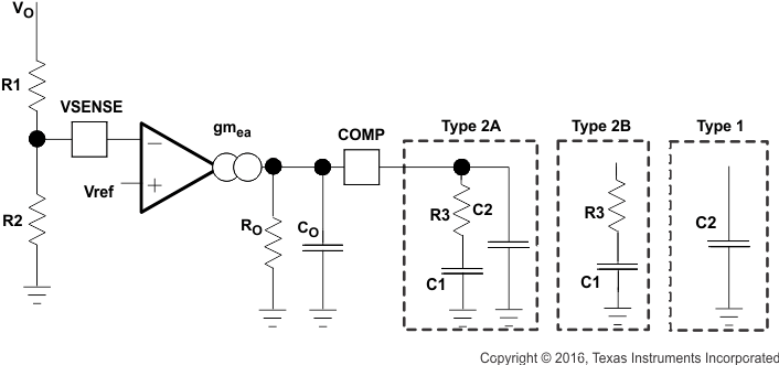
The TPS54260 uses a transconductance amplifier for the error amplifier and readily supports three of the commonly-used frequency compensation circuits. Compensation circuits Type 2A, Type 2B, and Type 1 are shown in Figure 48. Type 2 circuits most likely implemented in high-bandwidth power-supply designs using low-ESR output capacitors. The Type 1 circuit is used with power-supply designs with high-ESR aluminum electrolytic or tantalum capacitors.. Equation 18 and Equation 19 show how to relate the frequency response of the amplifier to the small signal model in Figure 48. The open-loop gain and bandwidth are modeled using the RO and CO shown in Figure 48. See the application section for a design example using a Type 2A network with a low-ESR output capacitor.

Equation 18 through Equation 27 are provided as a reference for those who prefer to compensate using the preferred methods. Those who prefer to use prescribed method use the method outlined in the application section or use switched information.

TPS54260 f_comp_lvsa86.gifFigure 48. Types of Frequency Compensation
TPS54260 typ_2a_2b_lvs795.gifFigure 49. Frequency Response of the Type 2A and Type 2B Frequency Compensation
Equation 18. TPS54260 eq18_lvs795.gif
Equation 19. TPS54260 eq19_lvs919.gif
Equation 20. TPS54260 q_ea_lvs795.gif
Equation 21. TPS54260 eq21_lvs795.gif
Equation 22. TPS54260 eq22_lvs795.gif
Equation 23. TPS54260 q_p1_lvs795.gif
Equation 24. TPS54260 q_z1_lvs795.gif
Equation 25. TPS54260 eq25_lvs919.gif
Equation 26. TPS54260 eq26_lvs919.gif
Equation 27. TPS54260 eq27_lvs919.gif