ZHCSCN6C JANUARY   2014  – October 2018 TPS40425

PRODUCTION DATA.  

  1. 特性
  2. 应用
  3. 说明
    1.     Device Images
      1. 3.1 简化的应用示意图(双路输出)
  4. 修订历史记录
  5. 引脚配置和功能
    1.     引脚功能
  6. 规格
    1. 6.1 绝对最大额定值
    2. 6.2 处理额定值
    3. 6.3 建议运行条件
    4. 6.4 热性能信息
    5. 6.5 电气特性
    6. 6.6 典型特性
  7. 详细 说明
    1. 7.1 概要
    2. 7.2 功能框图
    3. 7.3 特性 说明
      1. 7.3.1  异步脉冲注入 (API)
      2. 7.3.2  自适应电压调节 (AVS)
      3. 7.3.3  开关频率和同步
      4. 7.3.4  电压基准
      5. 7.3.5  输出电压和遥感放大器
      6. 7.3.6  电流检测和温度检测模式
        1. 7.3.6.1 非智能功率操作
        2. 7.3.6.2 智能功率操作。
      7. 7.3.7  电流检测
      8. 7.3.8  温度感应
      9. 7.3.9  电流共享
      10. 7.3.10 线性稳压器
      11. 7.3.11 TPS40425 器件与功率级之间的电源序列
      12. 7.3.12 PWM 信号
        1. 7.3.12.1 软启动操作期间的 PWM 行为
      13. 7.3.13 启动和关闭
      14. 7.3.14 预偏置输出启动
      15. 7.3.15 PGOOD 指示
      16. 7.3.16 过流保护
      17. 7.3.17 过压/欠压保护
      18. 7.3.18 过热故障保护
      19. 7.3.19 输入欠压锁定 (UVLO)
      20. 7.3.20 故障通信
      21. 7.3.21 故障保护摘要
    4. 7.4 器件功能模式
    5. 7.5 编程
      1. 7.5.1 多相 应用
    6. 7.6 寄存器映射
      1. 7.6.1 PMBus 一般 说明
      2. 7.6.2 PMBus 功能
        1. 7.6.2.1 PMBus 地址
        2. 7.6.2.2 PMBus 连接
        3. 7.6.2.3 PMBus 数据格式
        4. 7.6.2.4 PMBus 输出电压调节
          1. 7.6.2.4.1 无裕量电压
          2. 7.6.2.4.2 裕量高电压状态
          3. 7.6.2.4.3 裕量低状态
      3. 7.6.3 读取输出电流
      4. 7.6.4 软启动时间
      5. 7.6.5 导通/关断延迟和定序
    7. 7.7 支持的 PMBus 命令
      1. 7.7.1  PAGE (00h)
      2. 7.7.2  OPERATION (01h)
      3. 7.7.3  ON_OFF_CONFIG (02h)
      4. 7.7.4  CLEAR_FAULTS (03h)
      5. 7.7.5  WRITE_PROTECT (10h)
      6. 7.7.6  STORE_USER_ALL (15h)
      7. 7.7.7  RESTORE_USER_ALL (16h)
      8. 7.7.8  CAPABILITY (19h)
      9. 7.7.9  VOUT_MODE (20h)
      10. 7.7.10 VIN_ON (35h)
      11. 7.7.11 VIN_OFF (36h)
      12. 7.7.12 IOUT_CAL_GAIN (38h)
      13. 7.7.13 IOUT_CAL_OFFSET (39h)
      14. 7.7.14 IOUT_OC_FAULT_LIMIT (46h)
      15. 7.7.15 IOUT_OC_FAULT_RESPONSE (47h)
      16. 7.7.16 IOUT_OC_WARN_LIMIT (4Ah)
      17. 7.7.17 OT_FAULT_LIMIT (4Fh)
      18. 7.7.18 OT_WARN_LIMIT (51h)
      19. 7.7.19 TON_RISE (61h)
      20. 7.7.20 STATUS_BYTE (78h)
      21. 7.7.21 STATUS_WORD (79h)
      22. 7.7.22 STATUS_VOUT (7Ah)
      23. 7.7.23 STATUS_IOUT (7Bh)
      24. 7.7.24 STATUS_TEMPERATURE (7Dh)
      25. 7.7.25 STATUS_CML (7Eh)
      26. 7.7.26 STATUS_MFR_SPECIFIC (80h)
      27. 7.7.27 READ_VOUT (8Bh)
      28. 7.7.28 READ_IOUT (8Ch)
      29. 7.7.29 READ_TEMPERATURE_2 (8Eh)
      30. 7.7.30 PMBus_REVISION (98h)
      31. 7.7.31 MFR_SPECIFIC_00 (D0h)
      32. 7.7.32 MFR_SPECIFIC_04 (VREF_TRIM) (D4h)
      33. 7.7.33 MFR_SPECIFIC_05 (STEP_VREF_MARGIN_HIGH) (D5h)
      34. 7.7.34 MFR_SPECIFIC_06 (STEP_VREF_MARGIN_LOW) (D6h)
      35. 7.7.35 MFR_SPECIFIC_07 (PCT_VOUT_FAULT_PG_LIMIT) (D7h)
      36. 7.7.36 MFR_SPECIFIC_08 (SEQUENCE_TON_TOFF_DELAY) (D8h)
      37. 7.7.37 MFR_SPECIFIC_16 (COMM_EEPROM_SPARE) (E0h)
      38. 7.7.38 MFR_SPECIFIC_21 (OPTIONS) (E5h)
      39. 7.7.39 MFR_SPECIFIC_22 (PWM_OSC_SELECT) (E6h)
      40. 7.7.40 MFR_SPECIFIC_23 (MASK SMBALERT) (E7h)
      41. 7.7.41 MFR_SPECIFIC_25 (AVS_CONFIG) (E9h)
      42. 7.7.42 MFR_SPECIFIC_26 (AVS_ADDRESS) (EAh)
      43. 7.7.43 MFR_SPECIFIC_27 (AVS_DAC_DEFAULT) (EBh)
      44. 7.7.44 MFR_SPECIFIC_28 (AVS_CLAMP_HI) (ECh)
      45. 7.7.45 MFR_SPECIFIC_29 (AVS_CLAMP_LO) (EDh)
      46. 7.7.46 MFR_SPECIFIC_30 (TEMP_OFFSET) (EEh)
      47. 7.7.47 MFR_SPECIFIC_32 (API_OPTIONS) (F0h)
      48. 7.7.48 MFR_SPECIFIC_44 (DEVICE_CODE) (FCh)
  8. 应用 和实施
    1. 8.1 应用信息
    2. 8.2 典型应用
      1. 8.2.1 双路输出应用
      2. 8.2.2 设计要求
      3. 8.2.3 设计流程
        1. 8.2.3.1  开关频率选择
        2. 8.2.3.2  电感选择
        3. 8.2.3.3  输出电容器选择
          1. 8.2.3.3.1 负载瞬态期间的输出电压偏差
          2. 8.2.3.3.2 输出电压纹波
        4. 8.2.3.4  输入电容器选择
        5. 8.2.3.5  VDD、BP5、BP3 旁路电容器
        6. 8.2.3.6  R-C 缓冲器
        7. 8.2.3.7  电压和温度传感器
        8. 8.2.3.8  TPS40425 器件与功率级之间的电源序列
        9. 8.2.3.9  输出电压设置和频率补偿选择
        10. 8.2.3.10 关键 PMBus 参数选择
          1. 8.2.3.10.1 MFR_SPECIFIC_21 (OPTIONS)
            1. 8.2.3.10.1.1 IOUT_CAL_GAIN
            2. 8.2.3.10.1.2 启用和 UVLO
            3. 8.2.3.10.1.3 软启动时间
            4. 8.2.3.10.1.4 过流阈值和响应
      4. 8.2.4 应用曲线
  9. 电源相关建议
  10. 10布局
    1. 10.1 布局指南
      1. 10.1.1 TPS40425 器件的布局指南
      2. 10.1.2 功率级器件布局指南
    2. 10.2 布局示例
  11. 11器件和文档支持
    1. 11.1 器件支持
      1. 11.1.1 开发支持
        1. 11.1.1.1 德州仪器 (TI) Fusion Digital Power Designer
        2. 11.1.1.2 TPS40k 环路补偿工具
    2. 11.2 商标
    3. 11.3 静电放电警告
    4. 11.4 术语表
  12. 12机械、封装和可订购信息

封装选项

机械数据 (封装 | 引脚)
散热焊盘机械数据 (封装 | 引脚)
订购信息

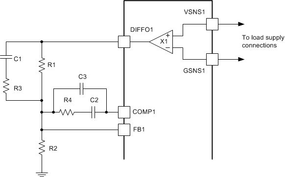
输出电压和遥感放大器

输出电压设置与使用连接在输出端和反馈 (FB) 引脚之间的分压器进行的传统模拟控制器设置非常相似。输出电压必须分为 600mV 的标称基准电压。Figure 11 显示了控制器的典型连接。使用单位增益差分电压检测放大器检测负载上的电压。该类型的检测可提供更佳的负载调节(有关差分检测放大器的最大输出电压,请参阅电气规格)。

为防止输出电压超出稳压范围,应确保允许的最大 DIFFO1 电压 (VBP5 – 0.2V) 始终(包括 BP5 缓降时)大于实际输出电压。对于高于 DIFFO1 引脚规格的输出电压,应将输出电压直接连接到 R1 和 C1 的连接点,使 DIFFO1 保持开路,不将 VSNS1 引脚连接到输出电压。如果设计在遥感放大器之前包含一个电阻分压器,则 PMBus 上的输出电压读数等于 VSNS1 和 GSNS1 之间的电压。

TPS40425 vout_setting_slusbo6.gifFigure 11. 设定输出电压
Equation 3. TPS40425 EQ_3.gif

where

  • VFB 是反馈电压
  • VOUT 是所需的输出电压
  • R1 和 R2 具有相同的单位

DESIGN NOTE

没有 DIFFO2 引脚。在双路输出模式下,VSNS2 和 GSNS2 连接到通道 2 的负载,DIFFO2 信号在内部用于电压监控。将输出直接连接到通道 2 的 R1 和 C1 的连接点,以设置反馈的输出电压。

可以使用 PMBus 命令来更改反馈电压 – 与标称值 600mV 相差 30% 至 10%。输出电压可以改变相同的百分比。