ZHCSCN6C JANUARY   2014  – October 2018 TPS40425

PRODUCTION DATA.  

  1. 特性
  2. 应用
  3. 说明
    1.     Device Images
      1. 3.1 简化的应用示意图(双路输出)
  4. 修订历史记录
  5. 引脚配置和功能
    1.     引脚功能
  6. 规格
    1. 6.1 绝对最大额定值
    2. 6.2 处理额定值
    3. 6.3 建议运行条件
    4. 6.4 热性能信息
    5. 6.5 电气特性
    6. 6.6 典型特性
  7. 详细 说明
    1. 7.1 概要
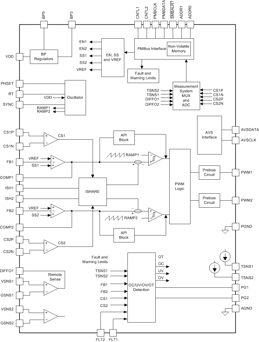
    2. 7.2 功能框图
    3. 7.3 特性 说明
      1. 7.3.1  异步脉冲注入 (API)
      2. 7.3.2  自适应电压调节 (AVS)
      3. 7.3.3  开关频率和同步
      4. 7.3.4  电压基准
      5. 7.3.5  输出电压和遥感放大器
      6. 7.3.6  电流检测和温度检测模式
        1. 7.3.6.1 非智能功率操作
        2. 7.3.6.2 智能功率操作。
      7. 7.3.7  电流检测
      8. 7.3.8  温度感应
      9. 7.3.9  电流共享
      10. 7.3.10 线性稳压器
      11. 7.3.11 TPS40425 器件与功率级之间的电源序列
      12. 7.3.12 PWM 信号
        1. 7.3.12.1 软启动操作期间的 PWM 行为
      13. 7.3.13 启动和关闭
      14. 7.3.14 预偏置输出启动
      15. 7.3.15 PGOOD 指示
      16. 7.3.16 过流保护
      17. 7.3.17 过压/欠压保护
      18. 7.3.18 过热故障保护
      19. 7.3.19 输入欠压锁定 (UVLO)
      20. 7.3.20 故障通信
      21. 7.3.21 故障保护摘要
    4. 7.4 器件功能模式
    5. 7.5 编程
      1. 7.5.1 多相 应用
    6. 7.6 寄存器映射
      1. 7.6.1 PMBus 一般 说明
      2. 7.6.2 PMBus 功能
        1. 7.6.2.1 PMBus 地址
        2. 7.6.2.2 PMBus 连接
        3. 7.6.2.3 PMBus 数据格式
        4. 7.6.2.4 PMBus 输出电压调节
          1. 7.6.2.4.1 无裕量电压
          2. 7.6.2.4.2 裕量高电压状态
          3. 7.6.2.4.3 裕量低状态
      3. 7.6.3 读取输出电流
      4. 7.6.4 软启动时间
      5. 7.6.5 导通/关断延迟和定序
    7. 7.7 支持的 PMBus 命令
      1. 7.7.1  PAGE (00h)
      2. 7.7.2  OPERATION (01h)
      3. 7.7.3  ON_OFF_CONFIG (02h)
      4. 7.7.4  CLEAR_FAULTS (03h)
      5. 7.7.5  WRITE_PROTECT (10h)
      6. 7.7.6  STORE_USER_ALL (15h)
      7. 7.7.7  RESTORE_USER_ALL (16h)
      8. 7.7.8  CAPABILITY (19h)
      9. 7.7.9  VOUT_MODE (20h)
      10. 7.7.10 VIN_ON (35h)
      11. 7.7.11 VIN_OFF (36h)
      12. 7.7.12 IOUT_CAL_GAIN (38h)
      13. 7.7.13 IOUT_CAL_OFFSET (39h)
      14. 7.7.14 IOUT_OC_FAULT_LIMIT (46h)
      15. 7.7.15 IOUT_OC_FAULT_RESPONSE (47h)
      16. 7.7.16 IOUT_OC_WARN_LIMIT (4Ah)
      17. 7.7.17 OT_FAULT_LIMIT (4Fh)
      18. 7.7.18 OT_WARN_LIMIT (51h)
      19. 7.7.19 TON_RISE (61h)
      20. 7.7.20 STATUS_BYTE (78h)
      21. 7.7.21 STATUS_WORD (79h)
      22. 7.7.22 STATUS_VOUT (7Ah)
      23. 7.7.23 STATUS_IOUT (7Bh)
      24. 7.7.24 STATUS_TEMPERATURE (7Dh)
      25. 7.7.25 STATUS_CML (7Eh)
      26. 7.7.26 STATUS_MFR_SPECIFIC (80h)
      27. 7.7.27 READ_VOUT (8Bh)
      28. 7.7.28 READ_IOUT (8Ch)
      29. 7.7.29 READ_TEMPERATURE_2 (8Eh)
      30. 7.7.30 PMBus_REVISION (98h)
      31. 7.7.31 MFR_SPECIFIC_00 (D0h)
      32. 7.7.32 MFR_SPECIFIC_04 (VREF_TRIM) (D4h)
      33. 7.7.33 MFR_SPECIFIC_05 (STEP_VREF_MARGIN_HIGH) (D5h)
      34. 7.7.34 MFR_SPECIFIC_06 (STEP_VREF_MARGIN_LOW) (D6h)
      35. 7.7.35 MFR_SPECIFIC_07 (PCT_VOUT_FAULT_PG_LIMIT) (D7h)
      36. 7.7.36 MFR_SPECIFIC_08 (SEQUENCE_TON_TOFF_DELAY) (D8h)
      37. 7.7.37 MFR_SPECIFIC_16 (COMM_EEPROM_SPARE) (E0h)
      38. 7.7.38 MFR_SPECIFIC_21 (OPTIONS) (E5h)
      39. 7.7.39 MFR_SPECIFIC_22 (PWM_OSC_SELECT) (E6h)
      40. 7.7.40 MFR_SPECIFIC_23 (MASK SMBALERT) (E7h)
      41. 7.7.41 MFR_SPECIFIC_25 (AVS_CONFIG) (E9h)
      42. 7.7.42 MFR_SPECIFIC_26 (AVS_ADDRESS) (EAh)
      43. 7.7.43 MFR_SPECIFIC_27 (AVS_DAC_DEFAULT) (EBh)
      44. 7.7.44 MFR_SPECIFIC_28 (AVS_CLAMP_HI) (ECh)
      45. 7.7.45 MFR_SPECIFIC_29 (AVS_CLAMP_LO) (EDh)
      46. 7.7.46 MFR_SPECIFIC_30 (TEMP_OFFSET) (EEh)
      47. 7.7.47 MFR_SPECIFIC_32 (API_OPTIONS) (F0h)
      48. 7.7.48 MFR_SPECIFIC_44 (DEVICE_CODE) (FCh)
  8. 应用 和实施
    1. 8.1 应用信息
    2. 8.2 典型应用
      1. 8.2.1 双路输出应用
      2. 8.2.2 设计要求
      3. 8.2.3 设计流程
        1. 8.2.3.1  开关频率选择
        2. 8.2.3.2  电感选择
        3. 8.2.3.3  输出电容器选择
          1. 8.2.3.3.1 负载瞬态期间的输出电压偏差
          2. 8.2.3.3.2 输出电压纹波
        4. 8.2.3.4  输入电容器选择
        5. 8.2.3.5  VDD、BP5、BP3 旁路电容器
        6. 8.2.3.6  R-C 缓冲器
        7. 8.2.3.7  电压和温度传感器
        8. 8.2.3.8  TPS40425 器件与功率级之间的电源序列
        9. 8.2.3.9  输出电压设置和频率补偿选择
        10. 8.2.3.10 关键 PMBus 参数选择
          1. 8.2.3.10.1 MFR_SPECIFIC_21 (OPTIONS)
            1. 8.2.3.10.1.1 IOUT_CAL_GAIN
            2. 8.2.3.10.1.2 启用和 UVLO
            3. 8.2.3.10.1.3 软启动时间
            4. 8.2.3.10.1.4 过流阈值和响应
      4. 8.2.4 应用曲线
  9. 电源相关建议
  10. 10布局
    1. 10.1 布局指南
      1. 10.1.1 TPS40425 器件的布局指南
      2. 10.1.2 功率级器件布局指南
    2. 10.2 布局示例
  11. 11器件和文档支持
    1. 11.1 器件支持
      1. 11.1.1 开发支持
        1. 11.1.1.1 德州仪器 (TI) Fusion Digital Power Designer
        2. 11.1.1.2 TPS40k 环路补偿工具
    2. 11.2 商标
    3. 11.3 静电放电警告
    4. 11.4 术语表
  12. 12机械、封装和可订购信息

封装选项

机械数据 (封装 | 引脚)
散热焊盘机械数据 (封装 | 引脚)
订购信息

功能框图

TPS40425 fbd_slusbo6.gif