ZHCSO14B March   2017  – July 2025 TPS3851-Q1

PRODUCTION DATA  

  1.   1
  2. 特性
  3. 应用
  4. 说明
  5. 引脚配置和功能
  6. 规格
    1. 5.1 绝对最大额定值
    2. 5.2 ESD 等级
    3. 5.3 建议运行条件
    4. 5.4 热性能信息
    5. 5.5 电气特性
    6. 5.6 时序要求
    7. 5.7 时序图
    8. 5.8 典型特性
  7. 详细说明
    1. 6.1 概述
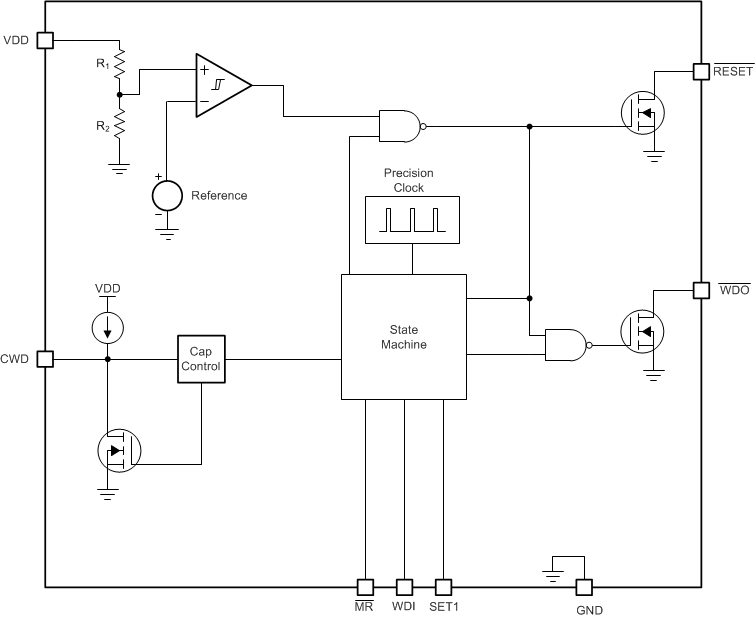
    2. 6.2 功能方框图
    3. 6.3 特性说明
      1. 6.3.1 RESET
      2. 6.3.2 手动复位 MR
      3. 6.3.3 UV 故障检测
      4. 6.3.4 看门狗模式
        1. 6.3.4.1 CWD
        2. 6.3.4.2 看门狗输入 WDI
        3. 6.3.4.3 看门狗输出 WDO
        4. 6.3.4.4 SET1
    4. 6.4 器件功能模式
      1. 6.4.1 VDD 低于 VPOR (VDD < VPOR)
      2. 6.4.2 高于上电复位但低于 VDD(min) (VPOR ≤ VDD < VDD(min))
      3. 6.4.3 正常运行 (VDD ≥ VDD(min))
  8. 应用和实施
    1. 7.1 应用信息
      1. 7.1.1 CWD 功能
        1. 7.1.1.1 出厂编程的时序选项
        2. 7.1.1.2 可调电容器时序
      2. 7.1.2 过驱电压
    2. 7.2 典型应用
      1. 7.2.1 设计要求
      2. 7.2.2 详细设计过程
        1. 7.2.2.1 监控 1.8V 电源轨
        2. 7.2.2.2 计算 RESET 和 WDO 上拉电阻
        3. 7.2.2.3 设置看门狗
        4. 7.2.2.4 在初始化期间禁用看门狗
      3. 7.2.3 毛刺抑制
      4. 7.2.4 应用曲线
    3. 7.3 电源相关建议
    4. 7.4 布局
      1. 7.4.1 布局指南
      2. 7.4.2 布局示例
  9. 器件和文档支持
    1. 8.1 器件支持
      1. 8.1.1 器件命名规则
    2. 8.2 文档支持
      1. 8.2.1 相关文档
    3. 8.3 接收文档更新通知
    4. 8.4 支持资源
    5. 8.5 商标
    6. 8.6 静电放电警告
    7. 8.7 术语表
  10. 修订历史记录
  11. 10机械、封装和可订购信息

封装选项

机械数据 (封装 | 引脚)
散热焊盘机械数据 (封装 | 引脚)
订购信息

功能方框图

TPS3851-Q1
R1 + R2 = 4.5MΩ。