ZHCSOF9B april   2022  – june 2023 TPS25981

PRODUCTION DATA  

  1.   1
  2. 特性
  3. 应用
  4. 说明
  5. Revision History
  6. Device Comparison Table
  7. Pin Configuration and Functions
  8. Specifications
    1. 7.1 Absolute Maximum Ratings
    2. 7.2 ESD Ratings
    3. 7.3 Recommended Operating Conditions
    4. 7.4 Thermal Information
    5. 7.5 Electrical Characteristics
    6. 7.6 Timing Requirements
    7. 7.7 Switching Characteristics
      1.      16
    8. 7.8 Typical Characteristics
  9. Detailed Description
    1. 8.1 Overview
    2. 8.2 Functional Block Diagram
    3. 8.3 Feature Description
      1. 8.3.1 Undervoltage Lockout (UVLO and UVP)
      2. 8.3.2 Overvoltage Lockout (OVLO)
      3. 8.3.3 Inrush Current, Overcurrent, and Short-Circuit Protection
        1. 8.3.3.1 Slew Rate (dVdt) and Inrush Current Control
        2. 8.3.3.2 Circuit-Breaker During Steady-State
        3. 8.3.3.3 Active Current Limiting During Start-Up
        4. 8.3.3.4 Short-Circuit Protection
      4. 8.3.4 Analog Load Current Monitor
      5. 8.3.5 Overtemperature Protection (OTP)
      6. 8.3.6 Fault Response and Indication (FLT)
      7. 8.3.7 Power Good Indication (PG)
      8. 8.3.8 Quick Output Discharge (QOD)
      9. 8.3.9 Reverse Current Blocking FET Driver
    4. 8.4 Device Functional Modes
  10. Application and Implementation
    1. 9.1 Application Information
      1. 9.1.1 Single Device, Self-Controlled
      2. 9.1.2 Parallel Operation
    2. 9.2 Typical Application
      1. 9.2.1 Design Requirements
      2. 9.2.2 Detailed Design Procedure
        1. 9.2.2.1 Device Selection
        2. 9.2.2.2 Setting Output Voltage Rise Time (tR)
        3. 9.2.2.3 Setting Overcurrent Threshold (ILIM)
        4. 9.2.2.4 Setting Overcurrent Blanking Interval (tITIMER)
        5. 9.2.2.5 Voltage Drop
      3. 9.2.3 Application Curves
  11. 10Power Supply Recommendations
    1. 10.1 Transient Protection
    2. 10.2 Output Short-Circuit Measurements
  12. 11Layout
    1. 11.1 Layout Guidelines
    2. 11.2 Layout Example
  13. 12Device and Documentation Support
    1. 12.1 Documentation Support
      1. 12.1.1 Related Documentation
    2. 12.2 接收文档更新通知
    3. 12.3 支持资源
    4. 12.4 Trademarks
    5. 12.5 静电放电警告
    6. 12.6 术语表
  14. 13Mechanical, Packaging, and Orderable Information

封装选项

机械数据 (封装 | 引脚)
散热焊盘机械数据 (封装 | 引脚)
订购信息

Parallel Operation

Applications which need higher steady current can use two TPS25981xx devices connected in parallel as shown in Figure 9-10 below. In this configuration, the first device turns on initially to provide the inrush current limiting. The second device is held in an OFF state by driving its EN/UVLO pin low using the PG signal of the first device. After the inrush sequence is complete, the first device asserts its PG pin high and turns on the second device. The second device asserts its PG signal to indicate when it has turned on fully, thereby indicating to the system that the parallel combination is ready to deliver the full steady-state current.

Once in steady-state, both devices share current nearly equally. There can be a slight skew in the currents depending on the part-to-part variation in the RON as well as the PCB trace resistance mismatch.

GUID-20220319-SS0I-S9KG-2S0D-PH37GMPFG1NW-low.gifFigure 9-2 Two TPS259814x Devices Connected in Parallel for Higher Steady-State Current Capability

The waveforms below illustrate the behavior of the parallel configuration during start-up as well as during steady-state.

GUID-20220405-SS0I-XJPR-WDHW-Z1JZGL1G3QW5-low.gifFigure 9-3 Parallel Devices Sequencing During Start-Up
GUID-20220405-SS0I-12P4-FX39-DL5FXHLSPH1P-low.gifFigure 9-4 Parallel Devices Load Current During Steady-State
GUID-20220405-SS0I-2NL4-MGZD-XSLWZ7QCBZZM-low.gifFigure 9-5 Parallel Devices Overcurrent Response

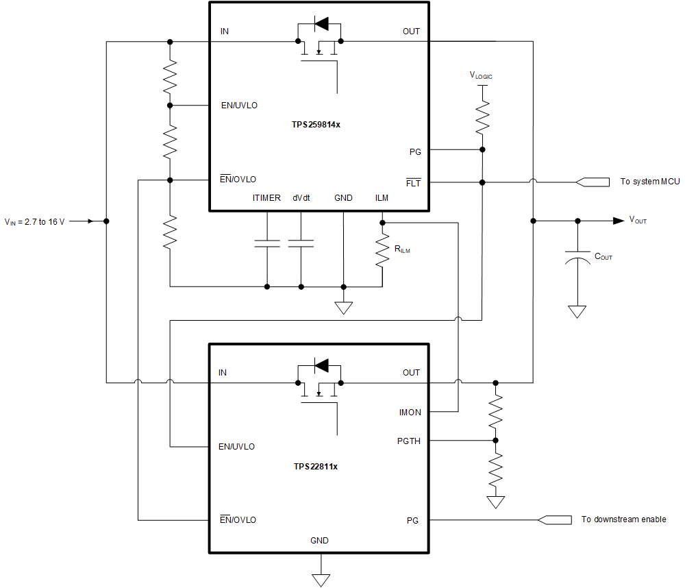
Another way to increase current handling capability of the eFuse in steady-state is by connecting a TPS25981xx eFuse in parallel with a TPS22811x load switch as shown in Figure 9-6.

GUID-20220324-SS0I-SXZC-KK1B-WSPXFXKHX5LW-low.gifFigure 9-6 TPS259814x and TPS22811x Connected in Parallel for Higher Steady-State Current Capability