ZHCSP87A December   2022  – September 2023 TPS25772-Q1

PRODUCTION DATA  

  1.   1
  2. 特性
  3. 应用
  4. 说明
  5. Revision History
  6. Device Comparison Table
  7. Pin Configuration and Functions
  8. Specifications
    1. 7.1  Absolute Maximum Ratings
    2. 7.2  ESD Ratings
    3. 7.3  Recommended Operating Conditions
    4. 7.4  Recommended Components
    5. 7.5  Thermal Information
    6. 7.6  Buck-Boost Regulator
    7. 7.7  CC Cable Detection Parameters
    8. 7.8  CC VCONN Parameters
    9. 7.9  CC PHY Parameters
    10. 7.10 Thermal Shutdown Characteristics
    11. 7.11 Oscillator Characteristics
    12. 7.12 ADC Characteristics
    13. 7.13 TVS Parameters
    14. 7.14 Input/Output (I/O) Characteristics
    15. 7.15 BC1.2 Characteristics
    16. 7.16 I2C Requirements and Characteristics
    17. 7.17 Typical Characteristics
  9. Parameter Measurement Information
  10. Detailed Description
    1. 9.1 Overview
    2. 9.2 Functional Block Diagram
    3. 9.3 Feature Description
      1. 9.3.1  Device Power Management and Supervisory Circuitry
        1. 9.3.1.1 VIN UVLO and Enable/UVLO
        2. 9.3.1.2 Internal LDO Regulators
      2. 9.3.2  TVSP Device Configuration and ESD Protection
      3. 9.3.3  Buck-Boost Regulator
        1. 9.3.3.1  Buck-Boost Regulator Operation
        2. 9.3.3.2  Switching Frequency, Frequency Dither, Phase-Shift and Synchronization
        3. 9.3.3.3  VIN Supply and VIN Over-Voltage Protection
        4. 9.3.3.4  Feedback Paths and Error Amplifiers
        5. 9.3.3.5  Transconductors and Compensation
        6. 9.3.3.6  Output Voltage DAC, Soft-Start and Cable Droop Compensation
        7. 9.3.3.7  VBUS Overvoltage Protection
        8. 9.3.3.8  VBUS Undervoltage Protection
        9. 9.3.3.9  Current Sense Resistor (RSNS) and Current Limit Operation
        10. 9.3.3.10 Buck-Boost Peak Current Limits
      4. 9.3.4  USB-PD Physical Layer
        1. 9.3.4.1 USB-PD Encoding and Signaling
        2. 9.3.4.2 USB-PD Bi-Phase Marked Coding
        3. 9.3.4.3 USB-PD Transmit (TX) and Receive (Rx) Masks
        4. 9.3.4.4 USB-PD BMC Transmitter
        5. 9.3.4.5 USB-PD BMC Receiver
        6. 9.3.4.6 Squelch Receiver
      5. 9.3.5  VCONN
      6. 9.3.6  Cable Plug and Orientation Detection
        1. 9.3.6.1 Configured as a Source
        2. 9.3.6.2 Configured as a Sink
        3. 9.3.6.3 Overvoltage Protection (Px_CC1, Px_CC2)
      7. 9.3.7  ADC
        1. 9.3.7.1 ADC Divider Ratios
      8. 9.3.8  BC 1.2, Legacy and Fast Charging Modes (Px_DP, Px_DM)
      9. 9.3.9  USB2.0 Low-Speed Endpoint
      10. 9.3.10 Digital Interfaces
        1. 9.3.10.1 General GPIO
        2. 9.3.10.2 I2C Buffer
      11. 9.3.11 I2C Interface
        1. 9.3.11.1 I2C Interface Description
        2. 9.3.11.2 I2C Clock Stretching
        3. 9.3.11.3 I2C Address Setting
        4. 9.3.11.4 Unique Address Interface
        5. 9.3.11.5 I2C Pullup Resistor Calculation
      12. 9.3.12 Digital Core
        1. 9.3.12.1 Device Memory
        2. 9.3.12.2 Core Microprocessor
      13. 9.3.13 NTC Input
      14. 9.3.14 Thermal Sensors and Thermal Shutdown
    4. 9.4 Device Functional Modes
  11. 10Application and Implementation
    1. 10.1 Application Information
    2. 10.2 Typical Application
      1. 10.2.1 Design Requirements
      2. 10.2.2 Detailed Design Procedure
        1. 10.2.2.1 Application GUI Selections
        2. 10.2.2.2 EEPROM Selection
        3. 10.2.2.3 EN/UVLO
        4. 10.2.2.4 Sense Resistor, RSNS, RCSP, RCSN and CFILT
        5. 10.2.2.5 Inductor Currents
        6. 10.2.2.6 Output Capacitor
        7. 10.2.2.7 Input Capacitor
      3. 10.2.3 Application Curves
    3. 10.3 Power Supply Recommendations
    4. 10.4 Layout
      1. 10.4.1 Layout Guidelines
      2. 10.4.2 Layout Example
  12. 11Device and Documentation Support
    1. 11.1 Documentation Support
      1. 11.1.1 Related Documentation
    2. 11.2 接收文档更新通知
    3. 11.3 支持资源
    4. 11.4 Trademarks
    5. 11.5 静电放电警告
    6. 11.6 术语表
  13. 12Mechanical, Packaging, and Orderable Information

封装选项

机械数据 (封装 | 引脚)
散热焊盘机械数据 (封装 | 引脚)
订购信息

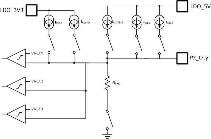
Cable Plug and Orientation Detection

Figure 9-27 shows the plug and orientation detection block at each Px_CCy pin (PA_CC1, PA_CC2, PB_CC1, PB_CC2). Each CC pin has identical detection circuitry.

When the port is operating as a Type-C source, the VREFx nodes are multiplexed to the VSRC thresholds corresponding to the advertised Type-C source capability current, IRp_.

When the port is operating as a Type-C sink, the VREFx nodes are multiplexed to the VSNK thresholds corresponding to sink detection.

GUID-20201215-CA0I-T7K7-6RLH-Z4WBGGCQJR2C-low.gif Figure 9-27 Plug and Orientation Detection Block