ZHCSHP2B October   2017  – November 2018 TPS2372

PRODUCTION DATA.  

  1. 特性
  2. 应用
  3. 说明
    1.     Device Images
      1.      简化原理图
  4. 修订历史记录
  5. 引脚配置和功能
    1.     引脚功能
  6. 规格
    1. 6.1 绝对最大额定值
    2. 6.2 ESD 额定值
    3. 6.3 建议运行条件
    4. 6.4 热性能信息
    5. 6.5 电气特性
    6. 6.6 典型特性
  7. 详细 说明
    1. 7.1 概述
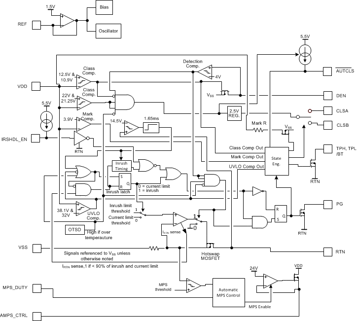
    2. 7.2 功能框图
    3. 7.3 特性 说明
      1. 7.3.1 PG 电源正常(转换器使能)引脚接口
      2. 7.3.2 CLSA 和 CLSB 分类,AUTCLS
      3. 7.3.3 DEN 检测和使能
      4. 7.3.4 内部导通 MOSFET 和浪涌延迟启用,IRSHDL_EN
      5. 7.3.5 TPH、TPL 和 BT PSE 类型指标
      6. 7.3.6 AMPS_CTL、MPS_DUTY 和自动 MPS
      7. 7.3.7 VDD 电源电压
      8. 7.3.8 VSS
      9. 7.3.9 外露散热焊盘
    4. 7.4 器件功能模式
      1. 7.4.1  PoE 概述
      2. 7.4.2  阈值电压
      3. 7.4.3  PoE 启动顺序
      4. 7.4.4  检测
      5. 7.4.5  硬件分类
      6. 7.4.6  Autoclass
      7. 7.4.7  浪涌和启动
      8. 7.4.8  维持功率特征
      9. 7.4.9  启动和转换器运行
      10. 7.4.10 PD 热插拔运行
      11. 7.4.11 启动和电源管理,PG、TPH、TPL、BT
      12. 7.4.12 使用 DEN 禁用 PoE
  8. 应用和实现
    1. 8.1 应用信息
    2. 8.2 典型应用
      1. 8.2.1 设计要求
      2. 8.2.2 详细设计要求
        1. 8.2.2.1  输入电桥和肖特基二极管
        2. 8.2.2.2  保护器件,D1
        3. 8.2.2.3  电容,C1
        4. 8.2.2.4  检测电阻,RDEN
        5. 8.2.2.5  分类电阻,RCLSA 和 RCLSB
        6. 8.2.2.6  用于 TPH、TPL 和 BT 的光隔离器
        7. 8.2.2.7  自动 MPS 和 MPS 占空比,RMPS 和 RMPS_DUTY
        8. 8.2.2.8  内部电压基准,RREF
        9. 8.2.2.9  Autoclass
        10. 8.2.2.10 浪涌延迟
      3. 8.2.3 应用曲线
  9. 电源建议
  10. 10布局
    1. 10.1 布局指南
    2. 10.2 布局示例
    3. 10.3 EMI 遏制
    4. 10.4 散热注意事项和 OTSD
    5. 10.5 ESD
  11. 11器件和文档支持
    1. 11.1 文档支持
      1. 11.1.1 相关链接
      2. 11.1.2 相关文档
    2. 11.2 接收文档更新通知
    3. 11.3 社区资源
    4. 11.4 商标
    5. 11.5 静电放电警告
    6. 11.6 术语表
  12. 12机械、封装和可订购信息

封装选项

请参考 PDF 数据表获取器件具体的封装图。

机械数据 (封装 | 引脚)
  • RGW|20
散热焊盘机械数据 (封装 | 引脚)
订购信息

功能框图

TPS2372 FBD_72_SLUSCD1.gif