ZHCSSQ7A August   2023  – December 2024 TMUX7612

PRODUCTION DATA  

  1.   1
  2. 特性
  3. 应用
  4. 说明
  5. 引脚配置和功能
  6. 规格
    1. 5.1  绝对最大额定值
    2. 5.2  ESD 等级
    3. 5.3  热性能信息
    4. 5.4  流经开关的源极或漏极电流
    5. 5.5  建议运行条件
    6. 5.6  电气特性(全局)
    7. 5.7  电气特性(±15V 双电源)
    8. 5.8  开关特性(±15V 双电源)
    9. 5.9  电气特性(±20V 双电源)
    10. 5.10 开关特性(±20V 双电源)
    11. 5.11 电气特性(+37.5V/-12.5V 双电源)
    12. 5.12 开关特性(+37.5V/-12.5V 双电源)
    13. 5.13 电气特性(12V 单电源)
    14. 5.14 开关特性(12V 单电源)
    15. 5.15 典型特性
  7. 参数测量信息
    1. 6.1  导通电阻
    2. 6.2  关断漏电流
    3. 6.3  导通漏电流
    4. 6.4  tON 和 tOFF 时间
    5. 6.5  传播延迟
    6. 6.6  电荷注入
    7. 6.7  关断隔离
    8. 6.8  通道-通道串扰
    9. 6.9  带宽
    10. 6.10 THD + 噪声
    11. 6.11 电源抑制比 (PSRR)
  8. 详细说明
    1. 7.1 概述
    2. 7.2 功能方框图
    3. 7.3 特性说明
      1. 7.3.1 双向运行
      2. 7.3.2 轨到轨运行
      3. 7.3.3 1.8V 逻辑兼容输入
      4. 7.3.4 平缓的导通电阻
      5. 7.3.5 上电时序不受限制
      6. 7.3.6 超低电荷注入
      7. 7.3.7 超低漏电流
    4. 7.4 器件功能模式
      1. 7.4.1 真值表
  9. 应用和实施
    1. 8.1 应用信息
    2. 8.2 典型应用
      1. 8.2.1 详细设计过程
      2. 8.2.2 设计要求
      3. 8.2.3 应用曲线
    3. 8.3 散热注意事项
    4. 8.4 电源相关建议
    5. 8.5 布局
      1. 8.5.1 布局指南
      2. 8.5.2 布局示例
  10. 器件和文档支持
    1. 9.1 文档支持
      1. 9.1.1 相关文档
    2. 9.2 接收文档更新通知
    3. 9.3 支持资源
    4. 9.4 商标
    5. 9.5 静电放电警告
    6. 9.6 术语表
  11. 10修订历史记录
  12. 11机械、封装和可订购信息
    1. 11.1 卷带包装信息
    2. 11.2 机械数据

封装选项

机械数据 (封装 | 引脚)
散热焊盘机械数据 (封装 | 引脚)
订购信息

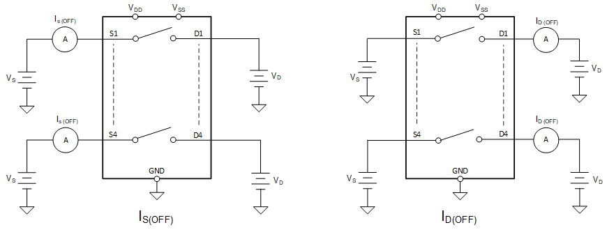
关断漏电流

在关断状态下,开关有两种类型的漏电流:

  1. 源极关断漏电流。
  2. 漏极关断漏电流。

源极漏电流定义为开关断开时流入或流出源极引脚的漏电流。该电流用符号 IS(OFF) 表示。

漏极漏电流定义为开关断开时流入或流出漏极引脚的漏电流。该电流用符号 ID(OFF) 表示。

图 6-2 显示了用于测量两个关断漏电流的设置。

TMUX7612 关断漏电流测量设置图 6-2 关断漏电流测量设置