ZHCSQ19A June   2023  – September 2024 TMUX582F-SEP

PRODUCTION DATA  

  1.   1
  2. 特性
  3. 应用
  4. 说明
  5. 引脚配置和功能
  6. 规格
    1. 5.1 绝对最大额定值
    2. 5.2 ESD 等级
    3. 5.3 建议运行条件
    4. 5.4 热性能信息
    5. 5.5 电气特性(全局)
    6. 5.6 单电源:电气特性
    7. 5.7 典型特性
  7. 参数测量信息
    1. 6.1  导通电阻
    2. 6.2  关断漏电流
    3. 6.3  导通漏电流
    4. 6.4  过压故障情况下的输入和输出漏电流
    5. 6.5  先断后合延迟
    6. 6.6  支持延迟时间
    7. 6.7  转换时间
    8. 6.8  故障响应时间
    9. 6.9  故障恢复时间
    10. 6.10 故障标志响应时间
    11. 6.11 故障标志恢复时间
    12. 6.12 电荷注入
    13. 6.13 关断隔离
    14. 6.14 串扰
    15. 6.15 带宽
    16. 6.16 THD + 噪声
  8. 真值表
  9. 详细说明
    1. 8.1 功能方框图
    2. 8.2 特性说明
      1. 8.2.1 平坦的导通电阻
      2. 8.2.2 保护特性
        1. 8.2.2.1 断电保护
        2. 8.2.2.2 失效防护逻辑
        3. 8.2.2.3 过压保护和检测
        4. 8.2.2.4 故障期间的相邻信道运行
        5. 8.2.2.5 ESD 保护
        6. 8.2.2.6 闩锁效应抑制
        7. 8.2.2.7 EMC 保护
      3. 8.2.3 过压故障标志
      4. 8.2.4 双向和轨到轨运行
      5. 8.2.5 1.8V 逻辑兼容输入
      6. 8.2.6 逻辑引脚上带有集成下拉电阻器
    3. 8.3 器件功能模式
      1. 8.3.1 正常模式
      2. 8.3.2 故障模式
  10. 应用和实施
    1. 9.1 应用信息
    2. 9.2 典型应用
      1. 9.2.1 系统诊断 – 遥测
      2. 9.2.2 设计要求
      3. 9.2.3 详细设计过程
      4. 9.2.4 应用曲线
    3. 9.3 电源相关建议
    4. 9.4 布局
      1. 9.4.1 布局指南
      2. 9.4.2 布局示例
  11. 10器件和文档支持
    1. 10.1 文档支持
      1. 10.1.1 相关文档
    2. 10.2 接收文档更新通知
    3. 10.3 支持资源
    4. 10.4 商标
    5. 10.5 静电放电警告
    6. 10.6 术语表
  12. 11修订历史记录
  13. 12机械、封装和可订购信息

封装选项

请参考 PDF 数据表获取器件具体的封装图。

机械数据 (封装 | 引脚)
  • PW|20
散热焊盘机械数据 (封装 | 引脚)
订购信息

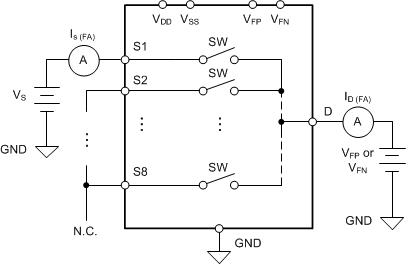
过压故障情况下的输入和输出漏电流

如果任何源极引脚电压高于故障电源(VFP 或 VFN),TMUX582F-SEP 的过压保护功能将被触发,关闭故障开关,使故障通道保持高阻抗状态。IS(FA) 和 ID(FA) 分别表示过压故障条件下的输入和输出漏电流。对于 ID(FA),该器件会被禁用以测量漏极引脚上的漏电流,而不受故障电源的 40kΩ 阻抗的影响。发生过压故障时,电源(或多个电源)可能处于正常运行状态 (图 6-5) 或异常工作状态 (图 6-5)。在异常工作条件下,电源(或多个电源)可以不通电 (VDD= VSS = VFN = VFP = 0V) 或浮动(VDD= VSS = VFN = VFP = 无连接),并保持在泄漏性能规格范围内。

TMUX582F-SEP 正常电源过压故障下输入和输出漏电流的测量设置图 6-4 正常电源过压故障下输入和输出漏电流的测量设置
TMUX582F-SEP 无电源或浮动电源过压故障下输入和输出漏电流的测量设置图 6-5 无电源或浮动电源过压故障下输入和输出漏电流的测量设置