ZHCSN11B December   2020  – October 2021 THVD1400 , THVD1420

PRODUCTION DATA  

  1. 特性
  2. 应用
    1.     说明
  3. 修订历史记录
  4. 引脚配置和功能
  5. 规格
    1. 5.1  绝对最大额定值
    2. 5.2  ESD 等级
    3. 5.3  ESD 等级 [IEC]
    4. 5.4  建议运行条件
    5. 5.5  热性能信息
    6. 5.6  功率耗散特性
    7. 5.7  电气特性
    8. 5.8  开关特征 (THVD1400)
    9. 5.9  开关特征 (THVD1420)
    10. 5.10 典型特性
  6. 参数测量信息
  7. 详细说明
    1. 7.1 概述
    2. 7.2 功能方框图
    3. 7.3 特性说明
    4. 7.4 器件功能模式
  8. 应用信息免责声明
    1. 8.1 应用信息
    2. 8.2 典型应用
      1. 8.2.1 设计要求
        1. 8.2.1.1 数据速率和总线长度
        2. 8.2.1.2 桩线长度
        3. 8.2.1.3 总线负载
        4. 8.2.1.4 接收器故障安全
        5. 8.2.1.5 瞬态保护
      2. 8.2.2 详细设计过程
      3. 8.2.3 应用曲线
  9. 电源相关建议
  10. 10布局
    1. 10.1 布局指南
    2. 10.2 布局示例
  11. 11器件和文档支持
    1. 11.1 器件支持
    2. 11.2 接收文档更新通知
    3. 11.3 支持资源
    4. 11.4 商标
    5. 11.5 Electrostatic Discharge Caution
    6. 11.6 术语表
  12. 12机械、封装和可订购信息

封装选项

机械数据 (封装 | 引脚)
散热焊盘机械数据 (封装 | 引脚)
订购信息

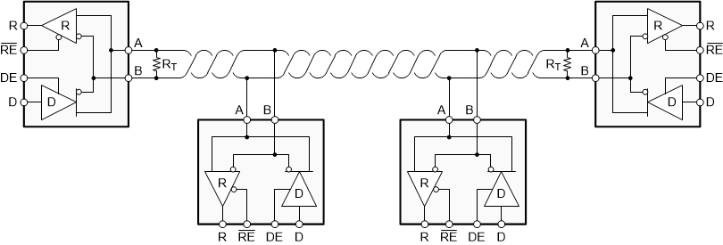
典型应用

RS-485 总线包含多个并联到总线电缆的收发器。为了消除线路反射,每个电缆末端都用一个端接电阻 RT,其值与电缆的特征阻抗 0 匹配。这种方法称为并行端接,允许在更长的电缆长度上实现更高的数据速率。

GUID-F90A7991-6FBE-4829-AD24-D2F99BABA834-low.gif图 8-1 具有半双工收发器的典型 RS-485 网络