ZHCSHX6C August 2017 – February 2023 THS3491
PRODUCTION DATA


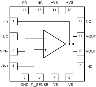
| PIN (1) | TYPE (2) | DESCRIPTION | ||
|---|---|---|---|---|
| NAME | HSOIC | VQFN | ||
| FB | — | 1 | O | Input side feedback pin |
| GND | — | 5 | GND | Ground, PD logic reference on the VQFN-16 (RGT) package |
| NC | 5 | 2, 9, 12, 15 | — | No connect (there is no internal connection). Recommended connection to a heat spreading plane, typically GND. |
| PD | 8 | 16 | I | Amplifier power down: low = amplifier disabled, high (default) = amplifier enabled |
| REF | 1 | — | I | PD logic reference on the SOIC-8 (DDA) package. Typically connected to GND. |
| TJ_SENSE | — | 6 | O | Voltage proportional to die temperature |
| VIN– | 2 | 3 | I | Inverting input |
| VIN+ | 3 | 4 | I | Noninverting input |
| VOUT | 6 | 10, 11 | O | Amplifier output |
| –VS | 4 | 7, 8 | P | Negative power supply |
| +VS | 7 | 13, 14 | P | Positive power supply |
| Thermal pad | — | Thermal pad. Electrically isolated from the device. Recommended connection to a heat spreading plane, typically GND. | ||