ZHCSMF6O January   2003  – June 2025 SN74LVC1G3157

PRODUCTION DATA  

  1.   1
  2. 特性
  3. 应用
  4. 说明
  5. 引脚配置和功能
  6. 规格
    1. 5.1  绝对最大额定值
    2. 5.2  热性能信息
    3. 5.3  ESD 等级
    4. 5.4  建议运行条件
    5. 5.5  电气特性
    6. 5.6  开关特性 85C(DBV、DCK)
    7. 5.7  开关特性 125C(DBV、DCK)
    8. 5.8  开关特性 85C(YZP、DSF、DTB、DRY、DRL)
    9. 5.9  开关特性 125C(YZP、DSF、DTB、DRY、DRL)
    10. 5.10 模拟通道规格
  7. 参数测量信息
  8. 详细说明
    1. 7.1 概述
    2. 7.2 功能方框图
    3. 7.3 特性说明
    4. 7.4 器件功能模式
  9. 应用和实施
    1. 8.1 应用信息
    2. 8.2 典型应用
      1. 8.2.1 设计要求
      2. 8.2.2 详细设计过程
      3. 8.2.3 应用曲线
  10. 电源相关建议
  11. 10布局
    1. 10.1 布局指南
    2. 10.2 布局示例
  12. 11器件和文档支持
    1. 11.1 文档支持
      1. 11.1.1 相关文档
    2. 11.2 接收文档更新通知
    3. 11.3 支持资源
    4. 11.4 商标
    5. 11.5 静电放电警告
    6. 11.6 术语表
  13. 12修订历史记录
  14. 13机械、封装和可订购信息

封装选项

机械数据 (封装 | 引脚)
散热焊盘机械数据 (封装 | 引脚)
订购信息

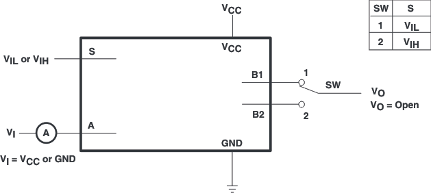
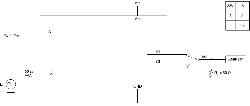
参数测量信息

SN74LVC1G3157 导通电阻测试电路图 6-1 导通电阻测试电路
SN74LVC1G3157 关断状态开关漏电流测试电路图 6-2 关断状态开关漏电流测试电路
SN74LVC1G3157 导通状态开关漏电流测试电路图 6-3 导通状态开关漏电流测试电路
SN74LVC1G3157 负载电路和电压波形图 6-4 负载电路和电压波形
SN74LVC1G3157 频率响应(开关导通)图 6-5 频率响应(开关导通)
SN74LVC1G3157 串扰(开关间)图 6-6 串扰(开关间)
SN74LVC1G3157 馈通图 6-7 馈通
SN74LVC1G3157 电荷注入测试图 6-8 电荷注入测试
SN74LVC1G3157 总谐波失真图 6-9 总谐波失真
SN74LVC1G3157 先断后合内部时序图 6-10 先断后合内部时序