ZHCSS78 may   2023 SN74LV2T74

PRODUCTION DATA  

  1.   1
  2. 特性
  3. 应用
  4. 说明
  5. 修订历史记录
  6. 引脚配置和功能
  7. 规格
    1. 6.1  绝对最大额定值
    2. 6.2  ESD 等级
    3. 6.3  建议运行条件
    4. 6.4  热性能信息
    5. 6.5  电气特性
    6. 6.6  时序特性 1.8V VCC
    7. 6.7  时序特性 2.5V VCC
    8. 6.8  时序特性 3.3V VCC
    9. 6.9  时序特性 5V VCC
    10. 6.10 开关特性 1.8V VCC
    11. 6.11 开关特性 2.5V VCC
    12. 6.12 开关特性 3.3V VCC
    13. 6.13 开关特性 5V VCC
    14. 6.14 噪声特性
    15. 6.15 典型特性
  8. 参数测量信息
  9. 详细说明
    1. 8.1 概述
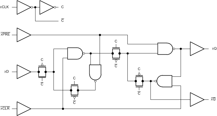
    2. 8.2 功能方框图
    3. 8.3 特性说明
      1. 8.3.1 平衡 CMOS 三态输出
      2. 8.3.2 钳位二极管结构
      3. 8.3.3 LVxT 增强输入电压
        1. 8.3.3.1 降压转换
        2. 8.3.3.2 升压转换
      4. 8.3.4 可润湿侧翼
    4. 8.4 器件功能模式
  10. 应用和实施
    1. 9.1 应用信息
    2. 9.2 典型应用
      1. 9.2.1 设计要求
        1. 9.2.1.1 输入注意事项
        2. 9.2.1.2 输出注意事项
      2. 9.2.2 详细设计过程
      3. 9.2.3 应用曲线
  11. 10电源相关建议
  12. 11器件和文档支持
    1. 11.1 文档支持
      1. 11.1.1 相关文档
    2. 11.2 接收文档更新通知
    3. 11.3 支持资源
    4. 11.4 商标
    5. 11.5 静电放电警告
    6. 11.6 术语表
  13. 12机械、封装和可订购信息

封装选项

机械数据 (封装 | 引脚)
散热焊盘机械数据 (封装 | 引脚)
订购信息

说明

SN74LV2T74 包含两个独立的 D 型正边沿触发式触发器。将预设 (PRE) 输入设为低电平,会输出高电平。将清零 (CLR) 输入设为低电平,会重新输出低电平。预设和清零功能是异步的,并且不依赖于其他输入的电平。当 PRE 和 CLR 处于非活动状态(高电平)时,数据 (D) 输入处满足设置时间要求的数据将传输到时钟 (CLK) 脉冲正向边沿上的输出(Q,Q)处。时钟触发在一定电压电平下发生,并且不与输入 (CLK) 信号的上升时间直接相关。经过保持时间间隔后,可以更改数据 (D) 输入处的数据而不影响输出(Q,Q)处的电平。输出电平以电源电压 (VCC) 为基准,并且支持 1.8V、2.5V、3.3V 和 5V CMOS 电平。

该输入经设计,具有较低阈值电路,支持较低电压 CMOS 输入的升压转换(例如 1.2V 输入转换为 1.8V 输出或 1.8V 输入转换为 3.3V 输出)。此外,5V 容限输入引脚可实现降压转换(例如 3.3V 至 2.5V 输出)。

封装信息
器件型号 封装(1) 封装尺寸(2) 封装尺寸(标称值)(3)
SN74LV2T74 BQA(WQFN,14) 3 mm x 2.5 mm 3 mm x 2.5 mm
PW(TSSOP,14) 5 mm x 6.4 mm 5mm x 4.4mm
如需了解所有可用封装,请参阅数据表末尾的可订购产品附录。
封装尺寸(长 x 宽)为标称值,并包括引脚(如适用)。
封装尺寸(长 x 宽)为标称值,不包括引脚。
GUID-8DBEF82E-F380-4062-8CC0-605EA0242177-low.gif简化逻辑图(正逻辑)