ZHCSID8C January   2009  – January 2016 OPA2348-Q1 , OPA348-Q1 , OPA4348-Q1

PRODUCTION DATA.  

  1. 特性
  2. 应用范围
  3. 说明
    1.     Device Images
      1.      采用同相配置来驱动 ADS7822
  4. 修订历史记录
  5. 引脚配置和功能
    1.     引脚功能:OPA348-Q1
    2.     引脚功能:OPA2348-Q1
    3.     引脚功能:OPA4348-Q1
  6. 规格
    1. 6.1 绝对最大额定值
    2. 6.2 ESD 额定值
    3. 6.3 建议运行条件
    4. 6.4 热性能信息:OPA348-Q1
    5. 6.5 热性能信息:OPA2348-Q1,OPA4348-Q1
    6. 6.6 电气特征
    7. 6.7 典型特性
  7. 详细 说明
    1. 7.1 概述
    2. 7.2 功能方框图
    3. 7.3 特性 说明
      1. 7.3.1 工作电压
      2. 7.3.2 轨至轨输入
      3. 7.3.3 轨至轨输入
      4. 7.3.4 输入和 ESD 保护
      5. 7.3.5 共模抑制比 (CMRR)
      6. 7.3.6 共模电压范围
      7. 7.3.7 EMI 敏感性和输入滤波
      8. 7.3.8 轨至轨输出
      9. 7.3.9 电容负载和稳定性
    4. 7.4 器件功能模式
  8. 应用和实施
    1. 8.1 应用信息
      1. 8.1.1 驱动模数转换器 (ADC)
    2. 8.2 典型应用
      1. 8.2.1 设计要求
      2. 8.2.2 详细设计流程
        1. 8.2.2.1 放大器选择
        2. 8.2.2.2 无源组件选择
      3. 8.2.3 应用曲线
  9. 电源建议
  10. 10布局
    1. 10.1 布局指南
    2. 10.2 布局示例
  11. 11器件和文档支持
    1. 11.1 文档支持
      1. 11.1.1 相关文档
    2. 11.2 相关链接
    3. 11.3 社区资源
    4. 11.4 商标
    5. 11.5 静电放电警告
    6. 11.6 术语表
  12. 12机械、封装和可订购信息

封装选项

机械数据 (封装 | 引脚)
散热焊盘机械数据 (封装 | 引脚)
订购信息

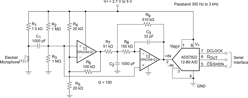
驱动模数转换器 (ADC)

OPAx348-Q1 运算放大器针对驱动中速采样 ADC 进行了优化。OPAx348-Q1 运算放大器可以缓冲 ADC 输入电容和产生的电荷注入,同时提供信号增益。

Figure 26 显示了采用基本同相配置来驱动 ADS7822 器件的 OPA2348。ADS7822 器件是一款采用 MSOP-8 封装的 12 位微功耗采样转换器。与 OPAx348-Q1 系列器件低功耗微型封装一起使用时,该组合是空间有限的低功耗 应用的理想之选。在此配置中,ADC 输入上的 RC 网络可用于提供抗混叠滤波功能和电荷注入电流。

OPA348-Q1 OPA2348-Q1 OPA4348-Q1 ai_noninv_config_bos465.gif
A/D 输入 = 0V 至 VREF
Figure 26. 采用同相配置来驱动 ADS7822

OPAx348-Q1 系列器件也可用于同相配置, 以驱动有限低功耗应用中的 ADS7822 器件。在此配置中,ADC 输入上的 RC 网络可用于提供抗混叠滤波功能和电荷注入电流。请参阅Figure 26,了解在语音带通滤波数据采集系统中驱动 ADS7822 器件的 OPAx348-Q1。该小尺寸、低成本解决方案为与驻极体麦克风直接相连的接口提供必需的放大和信号调节。该电路的 VS = 2.7V 至 5V,静态电流典型值小于 250µA。

OPA348-Q1 OPA2348-Q1 OPA4348-Q1 ai_speech_bandpass_bos465.gif
R1 供电的驻极体麦克风。
Figure 27. 语音带通滤波数据采集系统