ZHCSHF1 August   2017 OPA2810

ADVANCE INFORMATION for pre-production products; subject to change without notice.  

  1. 特性
  2. 应用
    1.     小信号频率响应与增益间的关系
  3. 说明
  4. 修订历史记录
  5. 引脚配置和功能
    1.     引脚功能
  6. 规格
    1. 6.1 绝对最大额定值
    2. 6.2 ESD 额定值
    3. 6.3 建议的工作条件
    4. 6.4 热性能信息
    5. 6.5 电气特性:±5V
    6. 6.6 电气特性:±12V
    7. 6.7 电气特性:5V
  7. 详细 说明
    1. 7.1 概述
    2. 7.2 功能框图
    3. 7.3 特性 说明
      1. 7.3.1 OPA2810 比较
      2. 7.3.2 输入和 ESD 保护
    4. 7.4 器件功能模式
      1. 7.4.1 双电源供电(±2.375V 至 ±13.5V)
      2. 7.4.2 单电源供电(4.75V 至 27V)
  8. 应用和实现
    1. 8.1 应用信息
      1. 8.1.1 噪声分析以及电阻器元件对总噪声的影响
    2. 8.2 典型应用
      1. 8.2.1 设计要求
      2. 8.2.2 详细设计流程
  9. 电源建议
  10. 10布局
    1. 10.1 布局指南
    2. 10.2 布局示例
    3. 10.3 散热注意事项
  11. 11器件和文档支持
    1. 11.1 接收文档更新通知
    2. 11.2 社区资源
    3. 11.3 商标
    4. 11.4 静电放电警告
    5. 11.5 Glossary
  12. 12机械、封装和可订购信息

封装选项

机械数据 (封装 | 引脚)
散热焊盘机械数据 (封装 | 引脚)
订购信息

噪声分析以及电阻器元件对总噪声的影响

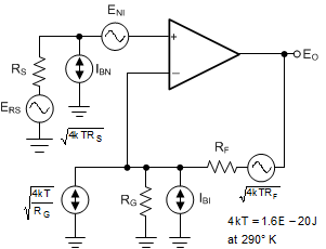
OPA2810 提供 5.7nV/√Hz 的极低输入参考宽带噪声电压密度,同时需要较低的 7.2mA 静态电源电流。为了充分利用这种低输入噪音,需要特别注意其他潜在的噪声影响因素。Figure 4 显示了包含所有噪声项的运算放大器噪声分析模型。在此模型中,所有的噪声项均视为噪声电压或电流密度项(以 nV/√Hz 或 pA/√Hz 为单位)。

OPA2810 apps_op_amp_noise_analysis_model.gifFigure 4. 运算放大器噪声分析模型

总输出点噪声电压可以计算为输出噪声电压的平方根。该计算通过叠加方法在输出端累加所有贡献噪声功率,然后计算平方根以获得点噪声电压。Figure 4 使用Equation 1 所示的噪声项显示了该输出噪声电压的一般形式。

Equation 1. OPA2810 Eq4_EO_sbos196.gif

将该表达式除以噪声增益 (NG = 1+RF/RG) 可得出同相输入端的等效输入参考点噪声电压,请参阅Equation 2

Equation 2. OPA2810 Eq5_EN_sbos196.gif

将大电阻值代入 Equation 2 可快速控制总等效输入参考噪声。同相输入端 2kΩ 的源阻抗会增加一个约翰逊电压噪声项,该噪声项正好等于放大器本身的电压噪声项 (5.7nV/√Hz)。

Table 2OPA2810 配置为 5V/V 同相增益的情况下(如 所示), 对各个噪声项的噪声贡献进行了比较Figure 5。此处考虑了两种情况,第 2 种情况的电阻值是第 1 种情况的电阻值的 10 倍。第 1 种情况的总输出噪声为 31.3nV/√Hz,而第 2 种情况的噪声为 49.7nV/√Hz。第 2 种情况中的高阻值电阻器会减弱选择低噪声放大器(如 OPA2810)的优势。为了使总系统噪声最小化,减小电阻值的大小是有益的,但是这也增加了放大器的输出负载并导致其失真性能降低。增加的负载也增加了放大器的动态功耗。电路设计人员应该做出适当的折衷,使放大器的整体性能最大化,从而满足系统要求。

OPA2810 noise_example.gifFigure 5. 在放大器的同相增益为 5V/V 的两种情况下比较噪声

Table 2. 比较Figure 5 中的电路的噪声贡献

噪声源 输出噪声公式 情况 1 情况 2
噪声源值 电压噪声贡献 (nV/√Hz) 噪声功率贡献 (nV2/Hz) 贡献 (%) 噪声源值 电压噪声贡献 (nV/√Hz) 噪声功率贡献 (nV2/Hz) 贡献 (%)
源电阻器,RS ERS (1+RF/RG) 1.82nV/√Hz 9.1 82.81 8.47 5.76nV/√Hz 28.8 829.44 33.57
增益电阻器,RG ERG (RF/RG) 2.04nV/√Hz 8.16 66.59 6.81 6.44nV/√Hz 25.76 663.58 26.86
反馈电阻器,RF ERF 4.07nV/√Hz 4.07 16.57 1.69 12.87nV/√Hz 12.87 165.64 6.70
放大器电压噪声,ENI ENI (1+RF/RG) 5.7nV/√Hz 28.5 812.25 83.03 5.7nV/√Hz 28.5 812.25 32.87
反相电流噪声,IBI IBI (RF||RG) 0.7fA/√Hz 0.7E-3 - - 0.7fA/√Hz 7E-3 - -
同相电流噪声,IBN IBNRS (1+RF/RG) 0.7fA/√Hz 0.14E-3 - - 0.7fA/√Hz 1.4E-3 -