ZHCSDF2E October   2014  – December 2019 MSP430FR2032 , MSP430FR2033

PRODUCTION DATA.  

  1. 1器件概述
    1. 1.1 特性
    2. 1.2 应用
    3. 1.3 说明
    4. 1.4 功能方框图
  2. 2修订历史记录
  3. 3Device Comparison
    1. 3.1 Related Products
  4. 4Terminal Configuration and Functions
    1. 4.1 Pin Diagrams
    2. 4.2 Signal Descriptions
    3. 4.3 Pin Multiplexing
    4. 4.4 Connection of Unused Pins
  5. 5Specifications
    1. 5.1  Absolute Maximum Ratings
    2. 5.2  ESD Ratings
    3. 5.3  Recommended Operating Conditions
    4. 5.4  Active Mode Supply Current Into VCC Excluding External Current
    5. 5.5  Active Mode Supply Current Per MHz
    6. 5.6  Low-Power Mode LPM0 Supply Currents Into VCC Excluding External Current
    7. 5.7  Low-Power Mode LPM3 and LPM4 Supply Currents (Into VCC) Excluding External Current
    8. 5.8  Low-Power Mode LPMx.5 Supply Currents (Into VCC) Excluding External Current
    9. 5.9  Typical Characteristics, Low-Power Mode Supply Currents
    10. 5.10 Typical Characteristics - Current Consumption Per Module
    11. 5.11 Thermal Characteristics
    12. 5.12 Timing and Switching Characteristics
      1. 5.12.1 Power Supply Sequencing
        1. Table 5-1 PMM, SVS and BOR
      2. 5.12.2 Reset Timing
        1. Table 5-2 Wake-Up Times From Low-Power Modes and Reset
      3. 5.12.3 Clock Specifications
        1. Table 5-3 XT1 Crystal Oscillator (Low Frequency)
        2. Table 5-4 DCO FLL, Frequency
        3. Table 5-5 REFO
        4. Table 5-6 Internal Very-Low-Power Low-Frequency Oscillator (VLO)
        5. Table 5-7 Module Oscillator Clock (MODCLK)
      4. 5.12.4 Digital I/Os
        1. Table 5-8 Digital Inputs
        2. Table 5-9 Digital Outputs
        3. 5.12.4.1  Digital I/O Typical Characteristics
      5. 5.12.5 Timer_A
        1. Table 5-10 Timer_A Recommended Operating Conditions
      6. 5.12.6 eUSCI
        1. Table 5-11 eUSCI (UART Mode) Recommended Operating Conditions
        2. Table 5-12 eUSCI (UART Mode) Switching Characteristics
        3. Table 5-13 eUSCI (SPI Master Mode) Recommended Operating Conditions
        4. Table 5-14 eUSCI (SPI Master Mode) Switching Characteristics
        5. Table 5-15 eUSCI (SPI Slave Mode) Switching Characteristics
        6. Table 5-16 eUSCI (I2C Mode) Switching Characteristics
      7. 5.12.7 ADC
        1. Table 5-17 ADC, Power Supply and Input Range Conditions
        2. Table 5-18 ADC, 10-Bit Timing Parameters
        3. Table 5-19 ADC, 10-Bit Linearity Parameters
      8. 5.12.8 FRAM
        1. Table 5-20 FRAM
      9. 5.12.9 Emulation and Debug
        1. Table 5-21 JTAG and Spy-Bi-Wire Interface Characteristics
  6. 6Detailed Description
    1. 6.1  CPU
    2. 6.2  Operating Modes
    3. 6.3  Interrupt Vector Addresses
    4. 6.4  Bootloader (BSL)
    5. 6.5  JTAG Standard Interface
    6. 6.6  Spy-Bi-Wire Interface (SBW)
    7. 6.7  FRAM
    8. 6.8  Memory Protection
    9. 6.9  Peripherals
      1. 6.9.1  Power Management Module (PMM) and On-chip Reference Voltages
      2. 6.9.2  Clock System (CS) and Clock Distribution
      3. 6.9.3  General-Purpose Input/Output Port (I/O)
      4. 6.9.4  Watchdog Timer (WDT)
      5. 6.9.5  System Module (SYS)
      6. 6.9.6  Cyclic Redundancy Check (CRC)
      7. 6.9.7  Enhanced Universal Serial Communication Interface (eUSCI_A0, eUSCI_B0)
      8. 6.9.8  Timers (Timer0_A3, Timer1_A3)
      9. 6.9.9  Real-Time Clock (RTC) Counter
      10. 6.9.10 10-Bit Analog Digital Converter (ADC)
      11. 6.9.11 Embedded Emulation Module (EEM)
      12. 6.9.12 Input/Output Diagrams
        1. 6.9.12.1  Port P1 Input/Output With Schmitt Trigger
        2. 6.9.12.2  Port P2 Input/Output With Schmitt Trigger
        3. 6.9.12.3  Port P3 Input/Output With Schmitt Trigger
        4. 6.9.12.4  Port P4.0 Input/Output With Schmitt Trigger
        5. 6.9.12.5  Port P4.1 and P4.2 Input/Output With Schmitt Trigger
        6. 6.9.12.6  Port 4.3, P4.4, P4.5, P4.6, and P4.7 Input/Output With Schmitt Trigger
        7. 6.9.12.7  Port P5.0, P5.1, P5.2, and P5.3 Input/Output With Schmitt Trigger
        8. 6.9.12.8  Port P5.4, P5.5, P5.6, and P5.7 Input/Output With Schmitt Trigger
        9. 6.9.12.9  Port P6.0, P6.1, P6.2, and P6.3 Input/Output With Schmitt Trigger
        10. 6.9.12.10 Port P6.4, P6.5, P6.6, and P6.7 Input/Output With Schmitt Trigger
        11. 6.9.12.11 Port P7.0, P7.1, P7.2, and P7.3 Input/Output With Schmitt Trigger
        12. 6.9.12.12 Port P7.4, P7.5, P7.6, and P7.7 Input/Output With Schmitt Trigger
        13. 6.9.12.13 Port P8.0 and P8.1 Input/Output With Schmitt Trigger
        14. 6.9.12.14 Port P8.2 and P8.3 Input/Output With Schmitt Trigger
    10. 6.10 Device Descriptors (TLV)
    11. 6.11 Memory
      1. 6.11.1 Peripheral File Map
    12. 6.12 Identification
      1. 6.12.1 Revision Identification
      2. 6.12.2 Device Identification
      3. 6.12.3 JTAG Identification
  7. 7Applications, Implementation, and Layout
    1. 7.1 Device Connection and Layout Fundamentals
      1. 7.1.1 Power Supply Decoupling and Bulk Capacitors
      2. 7.1.2 External Oscillator
      3. 7.1.3 JTAG
      4. 7.1.4 Reset
      5. 7.1.5 Unused Pins
      6. 7.1.6 General Layout Recommendations
      7. 7.1.7 Do's and Don'ts
    2. 7.2 Peripheral- and Interface-Specific Design Information
      1. 7.2.1 ADC Peripheral
        1. 7.2.1.1 Partial Schematic
        2. 7.2.1.2 Design Requirements
        3. 7.2.1.3 Layout Guidelines
  8. 8器件和文档支持
    1. 8.1 开始使用
    2. 8.2 器件命名规则
    3. 8.3 工具和软件
    4. 8.4 文档支持
    5. 8.5 相关链接
    6. 8.6 社区资源
    7. 8.7 商标
    8. 8.8 静电放电警告
    9. 8.9 Glossary
  9. 9机械、封装和可订购信息

封装选项

机械数据 (封装 | 引脚)
散热焊盘机械数据 (封装 | 引脚)
订购信息

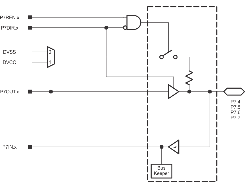
Port P7.4, P7.5, P7.6, and P7.7 Input/Output With Schmitt Trigger

MSP430FR2033 MSP430FR2032 schematics_p7_4567_slase45.gifFigure 6-13 Port P7.4, P7.5, P7.6, and P7.7 Input/Output With Schmitt Trigger

Table 6-25 Port P7.4, P7.5, P7.6, and P7.7 Pin Functions

PIN NAME (P7.x) x FUNCTION CONTROL BITS AND SIGNALS
P7DIR.x
P7.4 4 P7.4 (I/O) I: 0; O: 1
P7.5 5 P7.5 (I/O) I: 0; O: 1
P7.6 6 P7.6 (I/O) I: 0; O: 1
P7.7 7 P7.7 (I/O) I: 0; O: 1