ZHCSBU4E October   2012  – September 2020 MSP430F5358 , MSP430F5359 , MSP430F5658 , MSP430F5659 , MSP430F6458 , MSP430F6459 , MSP430F6658 , MSP430F6659

PRODUCTION DATA  

  1. 特性
  2. 应用
  3. 说明
  4. 功能方框图
  5. Revision History
  6. Device Comparison
    1. 6.1 Related Products
  7. Terminal Configuration and Functions
    1. 7.1 Pin Diagrams
    2. 7.2 Signal Descriptions
  8. Specifications
    1. 8.1  Absolute Maximum Ratings
    2. 8.2  ESD Ratings
    3. 8.3  Recommended Operating Conditions
    4. 8.4  Active Mode Supply Current Into VCC Excluding External Current
    5. 8.5  Low-Power Mode Supply Currents (Into VCC) Excluding External Current
    6. 8.6  Low-Power Mode With LCD Supply Currents (Into VCC) Excluding External Current
    7. 8.7  Thermal Resistance Characteristics
    8. 8.8  Schmitt-Trigger Inputs – General-Purpose I/O
    9. 8.9  Inputs – Ports P1, P2, P3, and P4
    10. 8.10 Leakage Current – General-Purpose I/O
    11. 8.11 Outputs – General-Purpose I/O (Full Drive Strength)
    12. 8.12 Outputs – General-Purpose I/O (Reduced Drive Strength)
    13. 8.13 Output Frequency – Ports P1, P2, and P3
    14. 8.14 Typical Characteristics – Outputs, Reduced Drive Strength (PxDS.y = 0)
    15. 8.15 Typical Characteristics – Outputs, Full Drive Strength (PxDS.y = 1)
    16. 8.16 Crystal Oscillator, XT1, Low-Frequency Mode
    17. 8.17 Crystal Oscillator, XT2
    18. 8.18 Internal Very-Low-Power Low-Frequency Oscillator (VLO)
    19. 8.19 Internal Reference, Low-Frequency Oscillator (REFO)
    20. 8.20 DCO Frequency
    21. 8.21 PMM, Brownout Reset (BOR)
    22. 8.22 PMM, Core Voltage
    23. 8.23 PMM, SVS High Side
    24. 8.24 PMM, SVM High Side
    25. 8.25 PMM, SVS Low Side
    26. 8.26 PMM, SVM Low Side
    27. 8.27 Wake-up Times From Low-Power Modes
    28. 8.28 Timer_A – Timers TA0, TA1, and TA2
    29. 8.29 Timer_B – Timer TB0
    30. 8.30 Battery Backup
    31. 8.31 USCI (UART Mode)
    32. 8.32 USCI (SPI Master Mode)
    33. 8.33 USCI (SPI Slave Mode)
    34. 8.34 USCI (I2C Mode)
    35. 8.35 LCD_B Operating Characteristics
    36. 8.36 LCD_B Electrical Characteristics
    37. 8.37 12-Bit ADC, Power Supply and Input Range Conditions
    38. 8.38 12-Bit ADC, Timing Parameters
    39. 8.39 12-Bit ADC, Linearity Parameters Using an External Reference Voltage
    40. 8.40 12-Bit ADC, Linearity Parameters Using AVCC as Reference Voltage
    41. 8.41 12-Bit ADC, Linearity Parameters Using the Internal Reference Voltage
    42. 8.42 12-Bit ADC, Temperature Sensor and Built-In VMID
    43. 8.43 REF, External Reference
    44. 8.44 REF, Built-In Reference
    45. 8.45 12-Bit DAC, Supply Specifications
    46. 8.46 12-Bit DAC, Linearity Specifications
    47. 8.47 12-Bit DAC, Output Specifications
    48. 8.48 12-Bit DAC, Reference Input Specifications
    49. 8.49 12-Bit DAC, Dynamic Specifications
    50. 8.50 12-Bit DAC, Dynamic Specifications (Continued)
    51. 8.51 Comparator_B
    52. 8.52 Ports PU.0 and PU.1
    53. 8.53 USB Output Ports DP and DM
    54. 8.54 USB Input Ports DP and DM
    55. 8.55 USB-PWR (USB Power System)
    56. 8.56 USB-PLL (USB Phase Locked Loop)
    57. 8.57 Flash Memory
    58. 8.58 JTAG and Spy-Bi-Wire Interface
  9. Detailed Description
    1. 9.1  CPU
    2. 9.2  Instruction Set
    3. 9.3  Operating Modes
    4. 9.4  Interrupt Vector Addresses
    5. 9.5  Memory Organization
    6. 9.6  Bootloader (BSL)
      1. 9.6.1 USB BSL
      2. 9.6.2 UART BSL
    7. 9.7  JTAG Operation
      1. 9.7.1 JTAG Standard Interface
      2. 9.7.2 Spy-Bi-Wire Interface
    8. 9.8  Flash Memory
    9. 9.9  Memory Integrity Detection (MID)
    10. 9.10 RAM
    11. 9.11 Backup RAM
    12. 9.12 Peripherals
      1. 9.12.1  Digital I/O
      2. 9.12.2  Port Mapping Controller
      3. 9.12.3  Oscillator and System Clock
      4. 9.12.4  Power-Management Module (PMM)
      5. 9.12.5  Hardware Multiplier (MPY)
      6. 9.12.6  Real-Time Clock (RTC_B)
      7. 9.12.7  Watchdog Timer (WDT_A)
      8. 9.12.8  System Module (SYS)
      9. 9.12.9  DMA Controller
      10. 9.12.10 Universal Serial Communication Interface (USCI)
      11. 9.12.11 Timer TA0
      12. 9.12.12 Timer TA1
      13. 9.12.13 Timer TA2
      14. 9.12.14 Timer TB0
      15. 9.12.15 Comparator_B
      16. 9.12.16 ADC12_A
      17. 9.12.17 DAC12_A
      18. 9.12.18 CRC16
      19. 9.12.19 Voltage Reference (REF) Module
      20. 9.12.20 LCD_B
      21. 9.12.21 USB Universal Serial Bus
      22. 9.12.22 LDO and PU Port
      23. 9.12.23 Embedded Emulation Module (EEM) (L Version)
      24. 9.12.24 Peripheral File Map
    13. 9.13 Input/Output Diagrams
      1. 9.13.1  Port P1 (P1.0 to P1.7) Input/Output With Schmitt Trigger
      2. 9.13.2  Port P2 (P2.0 to P2.7) Input/Output With Schmitt Trigger
      3. 9.13.3  Port P3 (P3.0 to P3.7) Input/Output With Schmitt Trigger
      4. 9.13.4  Port P4 (P4.0 to P4.7) Input/Output With Schmitt Trigger
      5. 9.13.5  Port P5 (P5.0 and P5.1) Input/Output With Schmitt Trigger
      6. 9.13.6  Port P5 (P5.2 to P5.7) Input/Output With Schmitt Trigger
      7. 9.13.7  Port P6 (P6.0 to P6.7) Input/Output With Schmitt Trigger
      8. 9.13.8  Port P7 (P7.2) Input/Output With Schmitt Trigger
      9. 9.13.9  Port P7 (P7.3) Input/Output With Schmitt Trigger
      10. 9.13.10 Port P7 (P7.4 to P7.7) Input/Output With Schmitt Trigger
      11. 9.13.11 Port P8 (P8.0 to P8.7) Input/Output With Schmitt Trigger
      12. 9.13.12 Port P9 (P9.0 to P9.7) Input/Output With Schmitt Trigger
      13. 9.13.13 Port PU (PU.0/DP, PU.1/DM, PUR) USB Ports (F665x, F565x)
      14. 9.13.14 Port PU (PU.0 and PU.1) Ports (F645x, F535x)
      15. 9.13.15 Port PJ (PJ.0) JTAG Pin TDO, Input/Output With Schmitt Trigger or Output
      16. 9.13.16 Port PJ (PJ.1 to PJ.3) JTAG Pins TMS, TCK, TDI/TCLK, Input/Output With Schmitt Trigger or Output
    14. 9.14 Device Descriptors
  10. 10Device and Documentation Support
    1. 10.1  Getting Started and Next Steps
    2. 10.2  Device Nomenclature
    3. 10.3  Tools and Software
    4. 10.4  Documentation Support
    5. 10.5  Related Links
    6. 10.6  Community Resources
    7. 10.7  Trademarks
    8. 10.8  静电放电警告
    9. 10.9  Export Control Notice
    10. 10.10 术语表
  11. 11Mechanical, Packaging, and Orderable Information

封装选项

机械数据 (封装 | 引脚)
散热焊盘机械数据 (封装 | 引脚)
订购信息

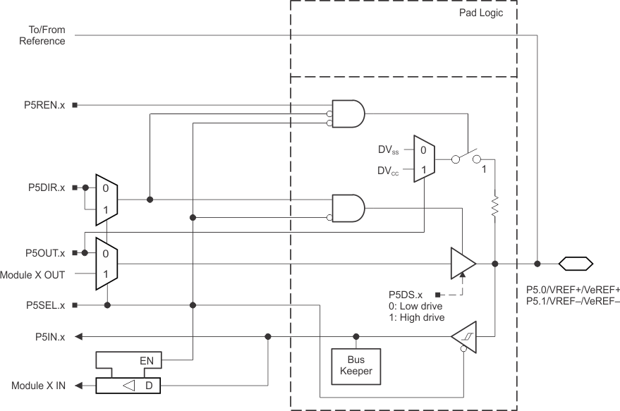
Port P5 (P5.0 and P5.1) Input/Output With Schmitt Trigger

Figure 9-6 shows the port diagram. Table 9-60 summarizes selection of the pin functions.

GUID-F1D8F8C5-ECA7-417D-82EA-DFFAC967E95B-low.gif Figure 9-6 Port P5 (P5.0 and P5.1) Diagram
Table 9-60 Port P5 (P5.0 and P5.1) Pin Functions
PIN NAME (P5.x)xFUNCTIONCONTROL BITS OR SIGNALS(1)
P5DIR.xP5SEL.xREFOUT
P5.0/VREF+/VeREF+0P5.0 (I/O)(2)I: 0; O: 10X
VeREF+(3)X10
VREF+(4)X11
P5.1/VREF–/VeREF–1P5.1 (I/O)(2)I: 0; O: 10X
VeREF–(5)X10
VREF–(6)X11
X = Don't care
Default condition
Setting the P5SEL.0 bit disables the output driver and the input Schmitt trigger to prevent parasitic cross currents when applying analog signals. An external voltage can be applied to VeREF+ and used as the reference for the ADC12_A, Comparator_B, or DAC12_A.
Setting the P5SEL.0 bit disables the output driver and the input Schmitt trigger to prevent parasitic cross currents when applying analog signals. The ADC12_A, VREF+ reference is available at the pin.
Setting the P5SEL.1 bit disables the output driver and the input Schmitt trigger to prevent parasitic cross currents when applying analog signals. An external voltage can be applied to VeREF- and used as the reference for the ADC12_A, Comparator_B, or DAC12_A.
Setting the P5SEL.1 bit disables the output driver and the input Schmitt trigger to prevent parasitic cross currents when applying analog signals. The ADC12_A, VREF– reference is available at the pin.