ZHCSH33Z September   1997  – April 2025 LM317

PRODUCTION DATA  

  1.   1
  2. 特性
  3. 应用
  4. 说明
  5. Device Comparison Table
  6. Pin Configuration and Functions
  7. Specifications
    1. 6.1 Absolute Maximum Ratings
    2. 6.2 ESD Ratings
    3. 6.3 Recommended Operating Conditions
    4. 6.4 Thermal Information (Legacy Chip)
    5. 6.5 Thermal Information (New Chip)
    6. 6.6 Electrical Characteristics
    7. 6.7 Typical Characteristics
  8. Detailed Description
    1. 7.1 Overview
    2. 7.2 Functional Block Diagram
    3. 7.3 Feature Description
      1. 7.3.1 NPN Darlington Output Drive
      2. 7.3.2 Overload Block
      3. 7.3.3 Programmable Feedback
    4. 7.4 Device Functional Modes
      1. 7.4.1 Normal Operation
      2. 7.4.2 Operation With Low Input Voltage
      3. 7.4.3 Operation at Light Loads
      4. 7.4.4 Operation In Self Protection
  9. Application and Implementation
    1. 8.1 Application Information
    2. 8.2 Typical Application
      1. 8.2.1 Design Requirements
      2. 8.2.2 Detailed Design Procedure
      3. 8.2.3 Application Curves
    3. 8.3 System Examples
      1. 8.3.1  0V to 30V Regulator Circuit
      2. 8.3.2  Adjustable Regulator Circuit With Improved Ripple Rejection
      3. 8.3.3  Precision Current-Limiter Circuit
      4. 8.3.4  Tracking Preregulator Circuit
      5. 8.3.5  1.25V to 20V Regulator Circuit With Minimum Program Current
      6. 8.3.6  Battery-Charger Circuit
      7. 8.3.7  50mA, Constant-Current, Battery-Charger Circuit
      8. 8.3.8  Slow Turn-On 15V Regulator Circuit
      9. 8.3.9  AC Voltage-Regulator Circuit
      10. 8.3.10 Current-Limited 6V Charger Circuit
      11. 8.3.11 Adjustable 4A Regulator Circuit
      12. 8.3.12 High-Current Adjustable Regulator Circuit
    4. 8.4 Power Supply Recommendations
    5. 8.5 Layout
      1. 8.5.1 Layout Guidelines
        1. 8.5.1.1 Thermal Considerations
          1. 8.5.1.1.1 Heat Sink Requirements
          2. 8.5.1.1.2 Heat Sinking Surface-Mount Packages
            1. 8.5.1.1.2.1 Heatsinking the SOT-223 (DCY) Package
            2. 8.5.1.1.2.2 Heat Sinking the TO-263 (KTT) Package
      2. 8.5.2 Layout Examples
  10. Device and Documentation Support
    1. 9.1 Device Support
      1. 9.1.1 Device Nomenclature
    2. 9.2 接收文档更新通知
    3. 9.3 支持资源
    4. 9.4 Trademarks
    5. 9.5 静电放电警告
    6. 9.6 术语表
  11. 10Revision History
  12. 11Mechanical, Packaging, and Orderable Information

封装选项

机械数据 (封装 | 引脚)
散热焊盘机械数据 (封装 | 引脚)
订购信息

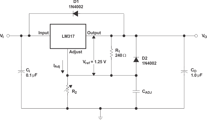
Typical Application

LM317 Adjustable Voltage RegulatorFigure 8-1 Adjustable Voltage Regulator