ZHCSNL9A May 2021 – December 2021 ISOW1044
PRODUCTION DATA
Figure 9-1 Driver Voltage,
Current and Test Definitions
Figure 9-2 Bus Logic State
Voltage Definitions
The input pulse is supplied by a generator having the following characteristics: PRR ≤ 125 kHz, 50% duty cycle, tr ≤ 6 ns, tf ≤ 6 ns, ZO = 50 Ω.
Figure 9-4 Receiver Voltage
and Current Definitions
| INPUT | OUTPUT | |||
|---|---|---|---|---|
| VCANH | VCANL | |VID| | RXD | |
| -11.5 V | -12.5 V | 1000 mV | L | VOL |
| 12.5 V | 11.5 V | 1000 mV | L | |
| -8.55 V | -9.45 V | 900 mV | L | |
| 9.45 V | 8.55 V | 900 mV | L | |
| -8.75 V | -9.25 V | 500 mV | H | VOH |
| 9.25 V | 8.75 V | 500 mV | H | |
| -11.8 V | -12.2 V | 400 mV | H | |
| 12.2 V | 11.8 V | 400 mV | H | |
| Open | Open | X | H | |
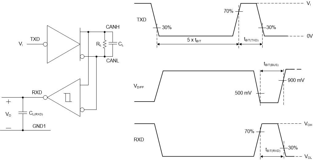
Figure 9-6 tLOOP
and CAN FD Timing Parameter Measurement
Figure 9-8 Driver
Short-Circuit Current Test Circuit and Waveforms
Figure 9-9 Common-Mode
Transient Immunity Test Circuit