ZHCSNL9A May   2021  – December 2021 ISOW1044

PRODUCTION DATA  

  1. 特性
  2. 应用
  3. 说明
  4. Revision History
  5. 说明(续)
  6. Device Comparison Table
  7. Pin Configuration and Functions
  8. Specifications
    1. 8.1  Absolute Maximum Ratings
    2. 8.2  ESD Ratings
    3. 8.3  Recommended Operating Conditions
    4. 8.4  ThermalInformation
    5. 8.5  Power Ratings
    6. 8.6  Insulation Specifications
    7. 8.7  Safety-Related Certifications
    8. 8.8  Safety Limiting Values
    9. 8.9  Electrical Characteristics
    10. 8.10 Supply Current Characteristics
    11. 8.11 Switching Characteristics
    12. 8.12 Insulation Characteristics Curves
    13. 8.13 Typical Characteristics
  9. Parameter Measurement Information
  10. 10Detailed Description
    1. 10.1 Overview
    2. 10.2 Power Isolation
    3. 10.3 Signal Isolation
    4. 10.4 CAN Transceiver
      1. 10.4.1 Remote Wake Request via Wake-Up Pattern (WUP) in Standby Mode
    5. 10.5 Functional Block Diagram
    6. 10.6 Feature Description
      1. 10.6.1 CAN Bus States
      2. 10.6.2 Digital Inputs and Outputs: TXD (Input) and RXD (Output)
      3. 10.6.3 TXD Dominant Timeout (DTO)
      4. 10.6.4 Power-Up and Power-Down Behavior
      5. 10.6.5 Protection Features
      6. 10.6.6 Floating Pins, Unpowered Device
      7. 10.6.7 Glitch-Free Power Up and Power Down
    7. 10.7 Device Functional Modes
    8. 10.8 Device I/O Schematics
  11. 11Application and Implementation
    1. 11.1 Application Information
    2. 11.2 Typical Application
      1. 11.2.1 Design Requirements
      2. 11.2.2 Detailed Design Procedure
        1. 11.2.2.1 Bus Loading, Length and Number of Nodes
        2. 11.2.2.2 CAN Termination
      3. 11.2.3 Application Curve
      4. 11.2.4 Insulation Lifetime
  12. 12Power Supply Recommendations
  13. 13Layout
    1. 13.1 Layout Guidelines
    2. 13.2 Layout Example
  14. 14Device and Documentation Support
    1. 14.1 Documentation Support
      1. 14.1.1 Related Documentation
    2. 14.2 Receiving Notification of Documentation Updates
    3. 14.3 支持资源
    4. 14.4 Trademarks
    5. 14.5 静电放电警告
    6. 14.6 术语表
  15. 15Mechanical, Packaging, and Orderable Information

封装选项

机械数据 (封装 | 引脚)
散热焊盘机械数据 (封装 | 引脚)
订购信息

CAN Bus States

The CAN bus has two logical states during operation: recessive and dominant. A dominant bus state occurs when the bus is driven differentially and corresponds to a logic low on the TXD and RXD pins. A recessive bus state occurs when the bus is biased to VCC/2 via the high-resistance internal input resistors (RIN) of the receiver and corresponds to a logic high on the TXD and RXD pins.

A dominant state overwrites the recessive state during arbitration. Multiple CAN nodes may be transmitting a dominant bit at the same time during arbitration, and in this case the differential voltage of the bus is greater than the differential voltage of a single driver.

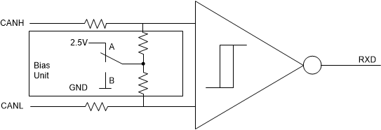
The ISOW1044 transceiver implements a standby (STB ) mode which enables a third bus state where the bus pins are weakly biased to ground via the high resistance internal resistors of the receiver.

GUID-29EA131B-057D-48D4-A83C-55221752342C-low.gif Figure 10-4 Bus States (Physical Bit Representation)
GUID-473724B6-70CD-449E-A73C-BC94F6DB1DD1-low.gif Figure 10-5 Simplified Recessive Common Mode Bias and Receiver
A - Normal Mode B - Standby Mode