ZHCSN10A December   2020  – May 2022 INA229

PRODUCTION DATA  

  1. 特性
  2. 应用
  3. 说明
  4. 修订历史记录
  5. 引脚配置和功能
  6. 规格
    1. 6.1 绝对最大额定值
    2. 6.2 ESD 等级
    3. 6.3 建议运行条件
    4. 6.4 热性能信息
    5. 6.5 电气特性
    6. 6.6 时序要求 (SPI)
    7. 6.7 时序图
    8. 6.8 典型特性
  7. 详细说明
    1. 7.1 概述
    2. 7.2 功能方框图
    3. 7.3 特性说明
      1. 7.3.1 多功能高压测量功能
      2. 7.3.2 内部测量和计算引擎
      3. 7.3.3 低偏置电流
      4. 7.3.4 高精度 Δ-Σ ADC
        1. 7.3.4.1 低延迟数字滤波器
        2. 7.3.4.2 灵活的转换时间和平均值计算
      5. 7.3.5 分流电阻器温漂补偿
      6. 7.3.6 集成精密振荡器
      7. 7.3.7 多警报监控和故障检测
    4. 7.4 器件功能模式
      1. 7.4.1 关断模式
      2. 7.4.2 上电复位
    5. 7.5 编程
      1. 7.5.1 串行接口
        1. 7.5.1.1 SPI 帧
    6. 7.6 寄存器映射
      1. 7.6.1 INA229 寄存器
  8. 应用和实现
    1. 8.1 应用信息
      1. 8.1.1 器件测量范围和分辨率
      2. 8.1.2 电流、功率、电能和电荷计算
      3. 8.1.3 ADC 输出数据速率和噪声性能
      4. 8.1.4 输入滤波注意事项
    2. 8.2 典型应用
      1. 8.2.1 设计要求
      2. 8.2.2 详细设计过程
        1. 8.2.2.1 选择分流电阻
        2. 8.2.2.2 配置器件
        3. 8.2.2.3 对分流校准寄存器进行编程
        4. 8.2.2.4 设置所需的故障阈值
        5. 8.2.2.5 计算返回值
      3. 8.2.3 应用曲线
  9. 电源相关建议
  10. 10布局
    1. 10.1 布局指南
    2. 10.2 布局示例
  11. 11器件和文档支持
    1. 11.1 接收文档更新通知
    2. 11.2 支持资源
    3. 11.3 商标
    4. 11.4 Electrostatic Discharge Caution
    5. 11.5 术语表
  12. 12机械、封装和可订购信息

封装选项

机械数据 (封装 | 引脚)
散热焊盘机械数据 (封装 | 引脚)
订购信息

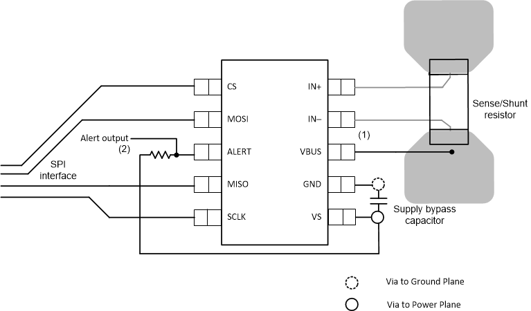
布局示例

GUID-20201103-CA0I-WN4F-0KN0-GV3DM0D5BDKK-low.gif
(1) 将 VBUS 引脚连接到为负载供电的电压,以进行负载功率计算。
(2) 可以在未使用时保持悬空状态。
图 10-1 INA229 布局示例