ZHCSY05A June 1999 – March 2025 INA133 , INA2133
PRODUCTION DATA

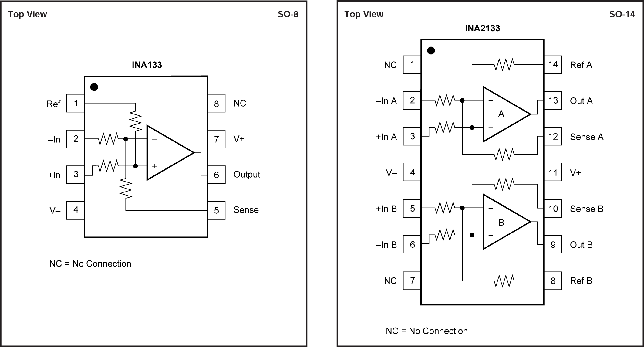
| 名称 | 编号 | 类型 | 说明 |
|---|---|---|---|
| +In | 3 | 输入 | 正向(同相)输入25kΩ 电阻器连接到运算放大器的同相端子 |
| -In | 2 | 输入 | 负向(反相)输入25kΩ 电阻器连接到运算放大器的反相端子 |
| 输出 | 6 | 输出 | 输出 |
| 参考 | 1 | 输入 | 基准输入25kΩ 电阻器连接到运算放大器的同相端子 |
| V+ | 7 | − | 正(最高)电源 |
| V- | 4 | − | 负(最低)电源 |
| 感测 | 5 | 输入 | 感测输入25kΩ 电阻器连接到运算放大器的反相端子 |
| NC | 8 | − | 未进行内部电路连接(可以悬空) |
| 名称 | 编号 | 类型 | 说明 |
|---|---|---|---|
| +In A | 3 | 输入 | 正向(同相)输入,通道 A 25kΩ 电阻器连接到运算放大器的同相端子 |
| -In A | 2 | 输入 | 负向(反相)输入,通道 A 25kΩ 电阻器连接到运算放大器的反相端子 |
| +In B | 5 | 输入 | 正向(同相)输入,通道 B 25kΩ 电阻器连接到运算放大器的同相端子 |
| -In B | 6 | 输入 | 负向(反相)输入,通道 B25kΩ 电阻器连接到运算放大器的反相端子 |
| 输出 A | 13 | 输出 | 输出,通道 A |
| 输出 B | 9 | 输出 | 输出,通道 B |
| 基准 A | 14 | 输入 | 基准输入,通道 A 25kΩ 电阻器连接到运算放大器的同相端子 |
| 基准 B | 8 | 输入 | 基准输入,通道 B 25kΩ 电阻器连接到运算放大器的同相端子 |
| 感测 A | 12 | 输入 | 感测输入,通道 A 25kΩ 电阻器连接到运算放大器的反相端子 |
| 感测 B | 10 | 输入 | 感测输入,通道 B 25kΩ 电阻器连接到运算放大器的反相端子 |
| V+ | 11 | − | 正(最高)电源 |
| V- | 4 | − | 负(最低)电源 |