ZHCSFB4A July   2016  – January 2024 DS90UB964-Q1

PRODUCTION DATA  

  1.   1
  2. 1特性
  3. 2应用
  4. 3说明
  5.   Pin Configuration and Functions
  6. 4Specifications
    1. 4.1  Absolute Maximum Ratings
    2. 4.2  ESD Ratings – JEDEC
    3. 4.3  ESD Ratings – IEC and ISO
    4. 4.4  Recommended Operating Conditions
    5. 4.5  Thermal Information
    6. 4.6  DC Electrical Characteristics
    7. 4.7  AC Electrical Characteristics
    8. 4.8  Recommended Timing for the Serial Control Bus
    9. 4.9  AC Electrical Characteristics
    10. 4.10 Typical Characteristics
  7. 5Detailed Description
    1. 5.1 Overview
      1. 5.1.1 Functional Description
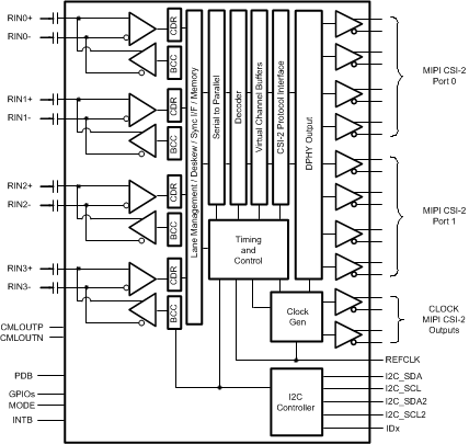
    2. 5.2 Functional Block Diagram
    3. 5.3 Feature Description
    4. 5.4 Device Functional Modes
      1. 5.4.1  RAW Data Type Support and Rates
      2. 5.4.2  MODE Pin
      3. 5.4.3  REFCLK
      4. 5.4.4  Receiver Port Control
      5. 5.4.5  Input Jitter Tolerance
      6. 5.4.6  Adaptive Equalizer
        1. 5.4.6.1 Channel Requirements
        2. 5.4.6.2 Adaptive Equalizer Algorithm
        3. 5.4.6.3 AEQ Settings
          1. 5.4.6.3.1 AEQ Start-Up and Initialization
          2. 5.4.6.3.2 AEQ Range
          3. 5.4.6.3.3 AEQ Timing
          4. 5.4.6.3.4 AEQ Threshold
      7. 5.4.7  Channel Monitor Loop-Through Output Driver
        1. 5.4.7.1 Code Example for CMLOUT FPD3 RX Port 0:
      8. 5.4.8  RX Port Status
        1. 5.4.8.1 RX Parity Status
        2. 5.4.8.2 FPD-Link Decoder Status
        3. 5.4.8.3 RX Port Input Signal Detection
      9. 5.4.9  GPIO Support
        1. 5.4.9.1 GPIO Input Control and Status
        2. 5.4.9.2 GPIO Output Pin Control
        3. 5.4.9.3 Back Channel GPIO
        4. 5.4.9.4 GPIO Pin Status
        5. 5.4.9.5 Other GPIO Pin Controls
      10. 5.4.10 RAW Mode LV / FV Controls
      11. 5.4.11 Video Stream Forwarding
      12. 5.4.12 CSI-2 Protocol Layer
      13. 5.4.13 CSI-2 Short Packet
      14. 5.4.14 CSI-2 Long Packet
      15. 5.4.15 CSI-2 Data Identifier
      16. 5.4.16 Virtual Channel and Context
      17. 5.4.17 CSI-2 Mode Virtual Channel Mapping
        1. 5.4.17.1 Example 1
        2. 5.4.17.2 Example 2
      18. 5.4.18 CSI-2 Transmitter Frequency
      19. 5.4.19 CSI-2 Transmitter Status
      20. 5.4.20 Video Buffers
      21. 5.4.21 CSI-2 Line Count and Line Length
      22. 5.4.22 FrameSync Operation
        1. 5.4.22.1 External FrameSync Control
        2. 5.4.22.2 Internally Generated FrameSync
          1. 5.4.22.2.1 Code Example for Internally Generated FrameSync
      23. 5.4.23 CSI-2 Forwarding
        1. 5.4.23.1 Best-Effort Round Robin CSI-2 Forwarding
        2. 5.4.23.2 Synchronized CSI-2 Forwarding
        3. 5.4.23.3 Basic Synchronized CSI-2 Forwarding
          1. 5.4.23.3.1 Code Example for Basic Synchronized CSI-2 Forwarding
        4. 5.4.23.4 Line-Interleaved CSI-2 Forwarding
          1. 5.4.23.4.1 Code Example for Line-Interleaved CSI-2 Forwarding
        5. 5.4.23.5 Line-Concatenated CSI-2 Forwarding
          1. 5.4.23.5.1 Code Example for Line-Concatenated CSI-2 Forwarding
        6. 5.4.23.6 CSI-2 Replicate Mode
        7. 5.4.23.7 CSI-2 Transmitter Output Control
        8. 5.4.23.8 Enabling and Disabling CSI-2 Transmitters
    5. 5.5 Programming
      1. 5.5.1  Serial Control Bus
      2. 5.5.2  Second I2C Port
      3. 5.5.3  I2C Target Operation
      4. 5.5.4  Remote Target Operation
      5. 5.5.5  Remote Target Addressing
      6. 5.5.6  Broadcast Write to Remote Devices
        1. 5.5.6.1 Code Example for Broadcast Write
      7. 5.5.7  I2C Proxy Controller
      8. 5.5.8  I2C Proxy Controller Timing
        1. 5.5.8.1 Code Example for Configuring Fast-Mode Plus I2C Operation
      9. 5.5.9  Interrupt Support
        1. 5.5.9.1 Code Example to Enable Interrupts
        2. 5.5.9.2 FPD-Link III Receive Port Interrupts
        3. 5.5.9.3 Code Example to Readback Interrupts
        4. 5.5.9.4 CSI-2 Transmit Port Interrupts
      10. 5.5.10 Timestamp – Video Skew Detection
      11. 5.5.11 Pattern Generation
        1. 5.5.11.1 Reference Color Bar Pattern
        2. 5.5.11.2 Fixed Color Patterns
        3. 5.5.11.3 Pattern Generator Programming
          1. 5.5.11.3.1 Determining Color Bar Size
        4. 5.5.11.4 Code Example for Pattern Generator
      12. 5.5.12 FPD-Link BIST Mode
        1. 5.5.12.1 BIST Operation
    6. 5.6 Register Maps
      1. 5.6.1 Main_Page Registers
      2. 5.6.2 Indirect Access Registers
        1. 5.6.2.1 PATGEN_And_CSI-2 Registers
  8. 6Application and Implementation
    1. 6.1 Application Information
      1. 6.1.1 Power-Over-Coax
    2. 6.2 Typical Application
      1. 6.2.1 Design Requirements
      2. 6.2.2 Detailed Design Procedure
      3. 6.2.3 Application Curves
    3. 6.3 System Examples
    4. 6.4 Power Supply Recommendations
      1. 6.4.1 VDD Power Supply
      2. 6.4.2 Power-Up Sequencing
        1. 6.4.2.1 PDB Pin
    5. 6.5 Layout
      1. 6.5.1 Layout Guidelines
        1. 6.5.1.1 Ground
        2. 6.5.1.2 Routing FPD-Link III Signal Traces and PoC Filter
        3. 6.5.1.3 CSI-2 Guidelines
      2. 6.5.2 Layout Example
  9. 7Device and Documentation Support
    1. 7.1 Documentation Support
      1. 7.1.1 Related Documentation
    2. 7.2 Receiving Notification of Documentation Updates
    3. 7.3 支持资源
    4. 7.4 Trademarks
    5. 7.5 静电放电警告
    6. 7.6 术语表
  10. 8Revision History
  11. 9Mechanical, Packaging, and Orderable Information

封装选项

机械数据 (封装 | 引脚)
散热焊盘机械数据 (封装 | 引脚)
订购信息

Functional Block Diagram

GUID-724B1333-80D7-496C-939A-A8ECF384099C-low.gif Figure 5-1 Functional Block Diagram