ZHCSG37C September   2016  – December 2022 DS90UB934-Q1

PRODUCTION DATA  

  1.   特性
  2. 1应用
  3. 2说明
  4. 3Revision History
  5.   Pin Configuration and Functions
  6. 4Specifications
    1. 4.1 Absolute Maximum Ratings
    2. 4.2 ESD Ratings
    3. 4.3 Recommended Operating Conditions
    4. 4.4 Thermal Information
    5. 4.5 DC Electrical Characteristics
    6. 4.6 AC Electrical Characteristics
    7. 4.7 Recommended Timing for the Serial Control Bus
    8. 4.8 Typical Characteristics
  7. 5Detailed Description
    1. 5.1 Overview
      1. 5.1.1 Functional Description
    2. 5.2 Functional Block Diagram
    3. 5.3 Feature Description
      1. 5.3.1 Serial Frame Format
      2. 5.3.2 Line Rate Calculations for the DS90UB933/934
      3. 5.3.3 Deserializer Multiplexer Input
    4. 5.4 Device Functional Modes
      1. 5.4.1 RX MODE Pin
      2. 5.4.2 DVP Output Control
        1. 5.4.2.1 LOCK Status
      3. 5.4.3 Input Jitter Tolerance
      4. 5.4.4 Adaptive Equalizer
      5. 5.4.5 Channel Monitor Loop-Through Output Driver
        1. 5.4.5.1 Code Example for CMLOUT FPD3 RX Port 0:
      6. 5.4.6 GPIO Support
        1. 5.4.6.1 Back Channel GPIO
        2. 5.4.6.2 GPIO Pin Status
        3. 5.4.6.3 Other GPIO Pin Controls
        4. 5.4.6.4 FrameSync Operation
          1. 5.4.6.4.1 External FrameSync Control
          2. 5.4.6.4.2 Internally Generated FrameSync
            1. 5.4.6.4.2.1 Code Example for Internally Generated FrameSync
    5. 5.5 Programming
      1. 5.5.1 Serial Control Bus
        1. 5.5.1.1 I2C Target Operation
        2. 5.5.1.2 Remote Target Operation
        3. 5.5.1.3 Remote I2C Targets Data Throughput
        4. 5.5.1.4 Remote Target Addressing
        5. 5.5.1.5 Broadcast Write to Remote Target Devices
        6. 5.5.1.6 Code Example for Broadcast Write
      2. 5.5.2 Interrupt Support
        1. 5.5.2.1 Code Example to Enable Interrupts
        2. 5.5.2.2 FPD-Link III Receive Port Interrupts
        3. 5.5.2.3 Code Example to Readback Interrupts
        4. 5.5.2.4 Built-In Self Test (BIST)
          1. 5.5.2.4.1 BIST Configuration and Status
    6. 5.6 Register Maps
      1. 5.6.1 Register Description
      2. 5.6.2 Registers
      3. 5.6.3 Indirect Access Registers
      4. 5.6.4 Indirect Access Register Map
        1. 5.6.4.1 FPD3 Channel 0 Registers
        2. 5.6.4.2 FPD3 Channel 1 Registers
        3. 5.6.4.3 FPD3 RX Shared Registers
  8. 6Application and Implementation
    1. 6.1 Application Information
    2. 6.2 Power Over Coax
    3. 6.3 Typical Application
      1. 6.3.1 Design Requirements
      2. 6.3.2 Detailed Design Procedure
      3. 6.3.3 Application Curves
    4. 6.4 System Examples
    5. 6.5 Power Supply Recommendations
      1. 6.5.1 VDD Power Supply
      2. 6.5.2 Power-Up Sequencing
      3. 6.5.3 PDB Pin
      4. 6.5.4 Ground
    6. 6.6 Layout
      1. 6.6.1 Layout Guidelines
        1. 6.6.1.1 DVP Interface Guidelines
      2. 6.6.2 Layout Example
  9.   Mechanical, Packaging, and Orderable Information
  10. 7Device and Documentation Support
    1. 7.1 Documentation Support
      1. 7.1.1 Related Documentation
    2. 7.2 术语表
    3. 7.3 Receiving Notification of Documentation Updates
    4. 7.4 支持资源
    5. 7.5 Trademarks
  11.   Mechanical, Packaging, and Orderable Information

封装选项

机械数据 (封装 | 引脚)
散热焊盘机械数据 (封装 | 引脚)
订购信息

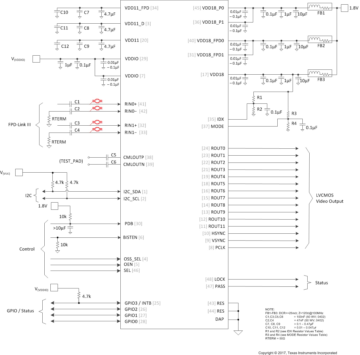
Typical Application

GUID-04A8A5BC-BBDB-4B2C-BED5-F64FD6B0BA41-low.gifFigure 6-3 Typical Connection Diagram Coaxial
GUID-E71BAB6C-AE01-4F60-A638-19D8E3A6CE8E-low.gifFigure 6-4 Typical Connection Diagram STP