ZHCSKG2B September   2016  – October 2019 DS280BR820

PRODUCTION DATA.  

  1. 特性
  2. 应用
  3. 说明
    1.     简化电路原理图
  4. 修订历史记录
  5. Pin Configuration and Functions
    1.     Pin Functions
  6. Specifications
    1. 6.1 Absolute Maximum Ratings
    2. 6.2 ESD Ratings
    3. 6.3 Recommended Operating Conditions
    4. 6.4 Thermal Information
    5. 6.5 Electrical Characteristics
    6. 6.6 Electrical Characteristics – Serial Management Bus Interface
    7. 6.7 Timing Requirements – Serial Management Bus Interface
    8. 6.8 Typical Characteristics
  7. Detailed Description
    1. 7.1 Overview
    2. 7.2 Functional Block Diagram
    3. 7.3 Feature Description
      1. 7.3.1 Device Data Path Operation
      2. 7.3.2 AC-Coupled Receiver Inputs
      3. 7.3.3 Signal Detect
      4. 7.3.4 2-Stage CTLE
      5. 7.3.5 Driver DC Gain Control
      6. 7.3.6 FIR Filter (Limiting Mode)
      7. 7.3.7 Configurable SMBus Address
    4. 7.4 Device Functional Modes
      1. 7.4.1 SMBus Slave Mode Configuration
      2. 7.4.2 SMBus Master Mode Configuration (EEPROM Self Load)
    5. 7.5 Programming
      1. 7.5.1 Transfer of Data with the SMBus Interface
    6. 7.6 Register Maps
      1. 7.6.1 Register Types: Global, Shared, and Channel
      2. 7.6.2 Global Registers: Channel Selection and ID Information
        1. Table 2. Global Register Map
      3. 7.6.3 Shared Registers
        1. Table 3. Shared Register Map
      4. 7.6.4 Channel Registers
        1. Table 4. Channel Register Map
  8. Application and Implementation
    1. 8.1 Application Information
    2. 8.2 Typical Applications
      1. 8.2.1 Backplane and Mid-Plane Reach Extension
        1. 8.2.1.1 Design Requirements
        2. 8.2.1.2 Detailed Design Procedure
      2. 8.2.2 Front-Port Applications
        1. 8.2.2.1 Design Requirements
        2. 8.2.2.2 Detailed Design Procedure
      3. 8.2.3 Application Curves
        1. 8.2.3.1 Pattern Generator Characteristics
        2. 8.2.3.2 Equalizing Moderate Pre-Channel Loss
        3. 8.2.3.3 Equalizing High Pre-Channel Loss
        4. 8.2.3.4 Equalizing High Pre-Channel Loss and Moderate Post-Channel Loss
        5. 8.2.3.5 Output in FIR Limiting Mode with 16T Pattern
    3. 8.3 Initialization Set Up
  9. Power Supply Recommendations
  10. 10Layout
    1. 10.1 Layout Guidelines
    2. 10.2 Layout Examples
      1. 10.2.1 Stripline Example
      2. 10.2.2 Microstrip Example
  11. 11器件和文档支持
    1. 11.1 文档支持
      1. 11.1.1 相关文档
    2. 11.2 接收文档更新通知
    3. 11.3 商标
    4. 11.4 静电放电警告
    5. 11.5 Glossary

封装选项

机械数据 (封装 | 引脚)
散热焊盘机械数据 (封装 | 引脚)
订购信息

Front-Port Applications

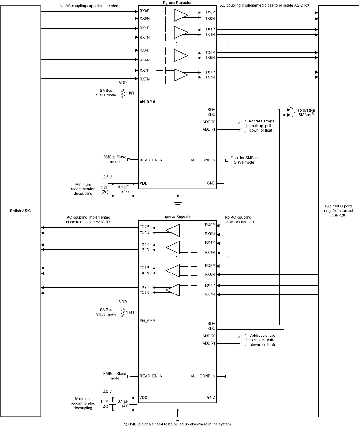
The DS280BR820 has strong equalization capabilities that allow it to equalize insertion loss and extend the reach of front-port channels by 17 dB beyond the normal capabilities of the ASIC while support CAUI-4 and CR4 electrical requirements. The DS280BR820 is designed to apply gain in a linear fashion in order to support longer distances between the switch ASIC and the front-port module. A single DS280BR820 can be used to support all eight egress channels or all eight ingress channels for  two 100 GbE ports. Figure 10 illustrates this configuration.

DS280BR820 applications_front_port_bd.gifFigure 10. Typical Front-Port Application Diagram

Standard front-port modules have AC coupling capacitors included inside the module. The DS280BR820, therefore, is ideal for front-port Egress signal conditioning applications since it includes AC coupling capacitors on the input (RX) side and does not include AC coupling capacitors on the output (TX) side.

DS280BR820 Recommendation_egress.gifFigure 11. DS280BR820 Recommended for Front-port Egress

The optimum solution for front-port Ingress signal conditioning applications depends on whether the ASIC RX supports DC coupling and whether it can support an input common mode voltage of 1.05 V. For further guidance on determining if the ASIC RX supports DC coupling, refer to Figure 7. If the ASIC RX supports DC coupling and can tolerate an input common mode voltage of 1.05 V or less, then the DS280BR820 is the optimum solution for front-port Ingress signal conditioning. If the ASIC RX does not support DC coupling or cannot tolerate an input common mode voltage of 1.05 V, then the pin-compatible DS280BR810 may be the optimum solution.

DS280BR820 Recommendation_ingress1.gifFigure 12. DS280BR820 Recommended for Front-port Ingress
DS280BR820 Recommendation_ingress2.gifFigure 13. DS280BR820 or DS280BR810 Recommended for Front-port Ingress
DS280BR820 applications_front_port_schematic.gifFigure 14. Typical Front-port Schematic