ZHCSKG2B September   2016  – October 2019 DS280BR820

PRODUCTION DATA.  

  1. 特性
  2. 应用
  3. 说明
    1.     简化电路原理图
  4. 修订历史记录
  5. Pin Configuration and Functions
    1.     Pin Functions
  6. Specifications
    1. 6.1 Absolute Maximum Ratings
    2. 6.2 ESD Ratings
    3. 6.3 Recommended Operating Conditions
    4. 6.4 Thermal Information
    5. 6.5 Electrical Characteristics
    6. 6.6 Electrical Characteristics – Serial Management Bus Interface
    7. 6.7 Timing Requirements – Serial Management Bus Interface
    8. 6.8 Typical Characteristics
  7. Detailed Description
    1. 7.1 Overview
    2. 7.2 Functional Block Diagram
    3. 7.3 Feature Description
      1. 7.3.1 Device Data Path Operation
      2. 7.3.2 AC-Coupled Receiver Inputs
      3. 7.3.3 Signal Detect
      4. 7.3.4 2-Stage CTLE
      5. 7.3.5 Driver DC Gain Control
      6. 7.3.6 FIR Filter (Limiting Mode)
      7. 7.3.7 Configurable SMBus Address
    4. 7.4 Device Functional Modes
      1. 7.4.1 SMBus Slave Mode Configuration
      2. 7.4.2 SMBus Master Mode Configuration (EEPROM Self Load)
    5. 7.5 Programming
      1. 7.5.1 Transfer of Data with the SMBus Interface
    6. 7.6 Register Maps
      1. 7.6.1 Register Types: Global, Shared, and Channel
      2. 7.6.2 Global Registers: Channel Selection and ID Information
        1. Table 2. Global Register Map
      3. 7.6.3 Shared Registers
        1. Table 3. Shared Register Map
      4. 7.6.4 Channel Registers
        1. Table 4. Channel Register Map
  8. Application and Implementation
    1. 8.1 Application Information
    2. 8.2 Typical Applications
      1. 8.2.1 Backplane and Mid-Plane Reach Extension
        1. 8.2.1.1 Design Requirements
        2. 8.2.1.2 Detailed Design Procedure
      2. 8.2.2 Front-Port Applications
        1. 8.2.2.1 Design Requirements
        2. 8.2.2.2 Detailed Design Procedure
      3. 8.2.3 Application Curves
        1. 8.2.3.1 Pattern Generator Characteristics
        2. 8.2.3.2 Equalizing Moderate Pre-Channel Loss
        3. 8.2.3.3 Equalizing High Pre-Channel Loss
        4. 8.2.3.4 Equalizing High Pre-Channel Loss and Moderate Post-Channel Loss
        5. 8.2.3.5 Output in FIR Limiting Mode with 16T Pattern
    3. 8.3 Initialization Set Up
  9. Power Supply Recommendations
  10. 10Layout
    1. 10.1 Layout Guidelines
    2. 10.2 Layout Examples
      1. 10.2.1 Stripline Example
      2. 10.2.2 Microstrip Example
  11. 11器件和文档支持
    1. 11.1 文档支持
      1. 11.1.1 相关文档
    2. 11.2 接收文档更新通知
    3. 11.3 商标
    4. 11.4 静电放电警告
    5. 11.5 Glossary

封装选项

机械数据 (封装 | 引脚)
散热焊盘机械数据 (封装 | 引脚)
订购信息

Backplane and Mid-Plane Reach Extension

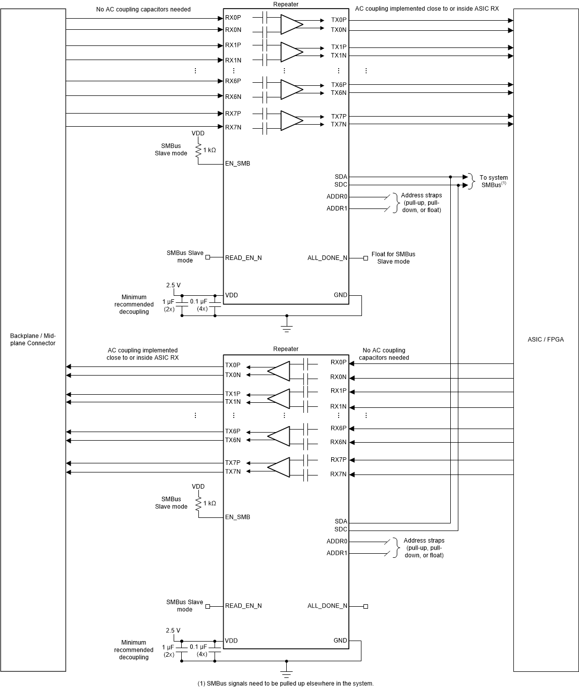
The DS280BR820 has strong equalization capabilities that allow it to equalize insertion loss and extend the reach of backplane channels by 17-22 dB beyond the normal capabilities of the ASICs operating over the channel. The DS280BR820 is designed to apply gain in a linear fashion. In most cases, the DS280BR820 should be placed with the higher loss channel segment at the input and the lower loss channel segment at the output; however, since the DS280BR820 operates in a linear fashion, it can also be used in applications where the lower loss channel segment is at the input and the higher loss channel segment is at the output. Refer to Figure 8.

DS280BR820 applications_backplane_bd.gifFigure 8. Typical Backplane and Mid-Plane Application Diagram
DS280BR820 applications_backplane_schematic.gifFigure 9. Typical Backplane and Mid-Plane Schematic