ZHCSME1C August   2018  – June 2021 DS250DF230

PRODUCTION DATA  

  1. 特性
  2. 应用
  3. 说明
  4. Revision History
  5. 说明(续)
  6. Pin Configuration and Functions
  7. Specifications
    1. 7.1 Absolute Maximum Ratings
    2. 7.2 ESD Ratings
    3. 7.3 Recommended Operating Conditions
    4. 7.4 Thermal Information
    5. 7.5 Electrical Characteristics
    6. 7.6 Timing Requirements
    7. 7.7 Switching Characteristics
    8. 7.8 Typical Characteristics
  8. Detailed Description
    1. 8.1 Overview
    2. 8.2 Functional Block Diagram
    3. 8.3 Feature Description
      1. 8.3.1  Device Data Path Operation
      2. 8.3.2  Signal Detect
      3. 8.3.3  Continuous Time Linear Equalizer (CTLE)
      4. 8.3.4  Variable Gain Amplifier (VGA)
      5. 8.3.5  Cross-Point Switch
      6. 8.3.6  Decision Feedback Equalizer (DFE)
      7. 8.3.7  Clock and Data Recovery (CDR)
        1. 8.3.7.1 CDR Bypass (Raw) Mode
        2. 8.3.7.2 CDR Fast Lock Mode
      8. 8.3.8  Calibration Clock
      9. 8.3.9  Differential Driver With FIR Filter
        1. 8.3.9.1 Setting the Output VOD, Pre-Cursor, and Post-Cursor Equalization
        2. 8.3.9.2 Output Driver Polarity Inversion
        3. 8.3.9.3 Slow Slew Rate
      10. 8.3.10 Debug Features
        1. 8.3.10.1 Pattern Generator
        2. 8.3.10.2 Pattern Checker
        3. 8.3.10.3 Eye-Opening Monitor
      11. 8.3.11 Interrupt Signals
    4. 8.4 Device Functional Modes
      1. 8.4.1 Supported Data Rates
      2. 8.4.2 SMBus Master Mode
      3. 8.4.3 Device SMBus Address
    5. 8.5 Programming
      1. 8.5.1 Bit Fields in the Register Set
      2. 8.5.2 Writing to and Reading from the Global/Shared/Channel Registers
    6. 8.6 Register Maps
  9. Application and Implementation
    1. 9.1 Application Information
    2. 9.2 Typical Applications
      1. 9.2.1 Front-Port Jitter Cleaning Applications
        1. 9.2.1.1 Design Requirements
        2. 9.2.1.2 Detailed Design Procedure
        3. 9.2.1.3 Application Curves
      2. 9.2.2 Active Cable Applications
        1. 9.2.2.1 Design Requirements
        2. 9.2.2.2 Detailed Design Procedure
        3. 9.2.2.3 Application Curves
      3. 9.2.3 Backplane and Mid-Plane Applications
        1. 9.2.3.1 Design Requirements
        2. 9.2.3.2 Detailed Design Procedure
        3. 9.2.3.3 Application Curves
  10. 10Power Supply Recommendations
  11. 11Layout
    1. 11.1 Layout Guidelines
    2. 11.2 Layout Examples
  12. 12Device and Documentation Support
    1. 12.1 Device Support
      1. 12.1.1 Development Support
    2. 12.2 Documentation Support
      1. 12.2.1 Related Documentation
    3. 12.3 接收文档更新通知
    4. 12.4 支持资源
    5. 12.5 Trademarks
  13. 13Electrostatic Discharge Caution
  14. 14术语表
  15. 15Mechanical, Packaging, and Orderable Information

封装选项

机械数据 (封装 | 引脚)
散热焊盘机械数据 (封装 | 引脚)
订购信息

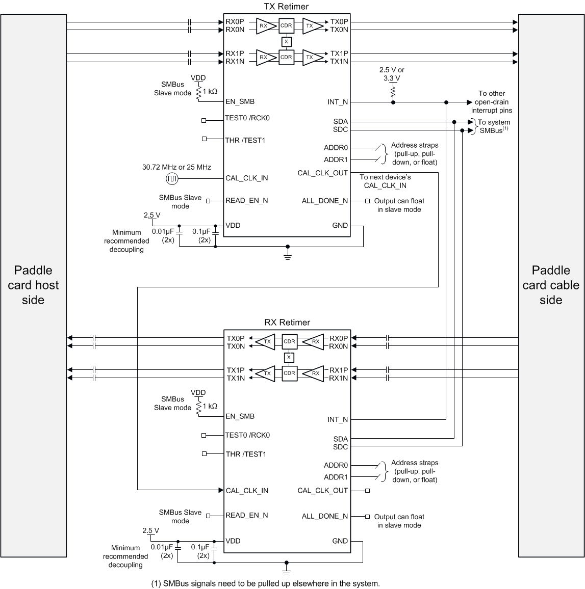
Active Cable Applications

The DS250DF230 has strong equalization capabilities that allow it to recover data over long and/or thin-gauge copper cables. Two pcs DS250DF230s can be used on a QSFP28 paddle card to create a half-active cable assembly which is longer and/or thinner than passive cables. Alternatively, four pcs DS250DF230 devices can be used on a QSFP28 paddle card to create a full-active cable assembly and achieve even longer reach and/or thinner cables.

Figure 9-7 shows these configurations, Figure 9-8 shows an example simplified schematic for a half-active cable application, and Figure 9-9 shows an example simplified schematic for a full-active cable application.

GUID-2FD3DC53-9444-4DFE-A162-932695A83CCA-low.gif Figure 9-7 Active Cable Application Block Diagram
GUID-7BCDA152-4A75-48E8-BBDC-9F29E4DF0FCF-low.gifFigure 9-8 Half-Active Cable Application Schematic
GUID-4B17922A-7C38-4FBC-A5EA-5CDD731E7749-low.gifFigure 9-9 Full-Active Cable Application Schematic