ZHCSIK4B January   2017  – November 2018 DRV8886AT

PRODUCTION DATA.  

  1. 特性
  2. 应用
  3. 说明
    1.     简化原理图
  4. 修订历史记录
  5. 引脚配置和功能
    1.     引脚功能
  6. 规格
    1. 6.1 绝对最大额定值
    2. 6.2 ESD 额定值
    3. 6.3 建议运行条件
    4. 6.4 热性能信息
    5. 6.5 电气特性
    6. 6.6 分度器时序要求
    7. 6.7 典型特性
  7. 详细 说明
    1. 7.1 概述
    2. 7.2 功能方框图
    3. 7.3 特性 说明
      1. 7.3.1  步进电机驱动器电流额定值
        1. 7.3.1.1 峰值电流额定值
        2. 7.3.1.2 均方根电流额定值
        3. 7.3.1.3 满量程电流额定值
      2. 7.3.2  PWM 电机驱动器
      3. 7.3.3  细分分度器
      4. 7.3.4  电流调节
      5. 7.3.5  通过 MCU DAC 控制 RREF
      6. 7.3.6  衰减模式
        1. 7.3.6.1 模式 1:用于上升电流的慢速衰减,用于下降电流的混合衰减
        2. 7.3.6.2 模式 2:用于上升和下降电流的混合衰减
        3. 7.3.6.3 模式 3:AutoTune 纹波控制
        4. 7.3.6.4 模式 4:AutoTune 动态衰减
      7. 7.3.7  消隐时间
      8. 7.3.8  电荷泵
      9. 7.3.9  线性稳压器
      10. 7.3.10 逻辑和多电平引脚图
      11. 7.3.11 保护电路
        1. 7.3.11.1 VM 欠压锁定 (UVLO)
        2. 7.3.11.2 VCP 欠压锁定 (CPUV)
        3. 7.3.11.3 过流保护 (OCP)
        4. 7.3.11.4 热关断 (TSD)
    4. 7.4 器件功能模式
  8. 应用和实现
    1. 8.1 应用信息
    2. 8.2 典型应用
      1. 8.2.1 设计要求
      2. 8.2.2 详细设计流程
        1. 8.2.2.1 步进电机转速
        2. 8.2.2.2 电流调节
        3. 8.2.2.3 衰减模式
      3. 8.2.3 应用曲线
  9. 电源建议
    1. 9.1 大容量电容
  10. 10布局
    1. 10.1 布局指南
    2. 10.2 布局示例
  11. 11器件和文档支持
    1. 11.1 文档支持
      1. 11.1.1 相关文档
    2. 11.2 接收文档更新通知
    3. 11.3 社区资源
    4. 11.4 商标
    5. 11.5 静电放电警告
    6. 11.6 术语表
  12. 12机械、封装和可订购信息

封装选项

机械数据 (封装 | 引脚)
散热焊盘机械数据 (封装 | 引脚)
订购信息

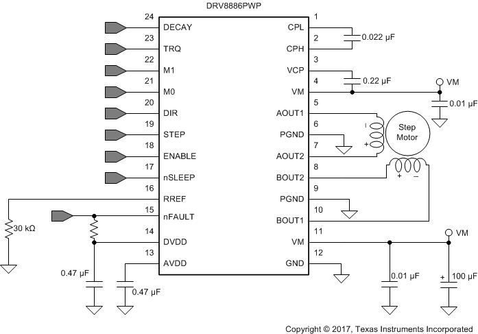
典型应用

以下设计过程可用于配置 DRV8886AT 器件。

DRV8886AT typ_app_DRV8886.gifFigure 27. 典型应用原理图