ZHCSML7B February   2020  – August 2021 DRV8210

PRODUCTION DATA  

  1. 特性
  2. 应用
  3. 说明
  4. 修订历史记录
  5. 器件比较
  6. 引脚配置和功能
  7. 规格
    1. 7.1 绝对最大额定值
    2. 7.2 ESD 额定值
    3. 7.3 建议工作条件
    4. 7.4 热信息
    5. 7.5 电气特性
    6. 7.6 典型特性 DSG 封装
    7. 7.7 典型特性 DRL 封装
  8. 详细说明
    1. 8.1 概述
    2. 8.2 功能方框图
    3. 8.3 特性说明
      1. 8.3.1 外部元件
      2. 8.3.2 控制模式
        1. 8.3.2.1 PWM 控制模式(DSG:MODE = 0 和 DRL)
        2. 8.3.2.2 PH/EN 控制模式(DSG:MODE = 1)
        3. 8.3.2.3 半桥控制模式(DSG:MODE = 高阻态)
      3. 8.3.3 保护电路
        1. 8.3.3.1 电源欠压锁定(UVLO)
        2. 8.3.3.2 OUTx 过流保护(OCP)
        3. 8.3.3.3 热关断(TSD)
      4. 8.3.4 引脚图
        1. 8.3.4.1 逻辑电平输入
        2. 8.3.4.2 三电平输入
    4. 8.4 器件功能模式
      1. 8.4.1 工作模式
      2. 8.4.2 低功耗睡眠模式
      3. 8.4.3 故障模式
  9. 应用和实施
    1. 9.1 应用信息
    2. 9.2 典型应用
      1. 9.2.1 全桥驱动
        1. 9.2.1.1 设计要求
        2. 9.2.1.2 详细设计过程
          1. 9.2.1.2.1 电源电压
          2. 9.2.1.2.2 控制接口
          3. 9.2.1.2.3 低功耗运行
        3. 9.2.1.3 应用曲线
      2. 9.2.2 半桥驱动
        1. 9.2.2.1 设计要求
        2. 9.2.2.2 详细设计过程
          1. 9.2.2.2.1 电源电压
          2. 9.2.2.2.2 控制接口
          3. 9.2.2.2.3 低功耗运行
        3. 9.2.2.3 应用曲线
      3. 9.2.3 双线圈继电器驱动
        1. 9.2.3.1 设计要求
        2. 9.2.3.2 详细设计过程
          1. 9.2.3.2.1 电源电压
          2. 9.2.3.2.2 控制接口
          3. 9.2.3.2.3 低功耗运行
        3. 9.2.3.3 应用曲线
      4. 9.2.4 电流检测
        1. 9.2.4.1 设计要求
        2. 9.2.4.2 详细设计过程
          1. 9.2.4.2.1 分流电阻器大小调整
          2. 9.2.4.2.2 RC 滤波器
    3. 9.3 电流能力和热性能
      1. 9.3.1 功率耗散和输出电流能力
      2. 9.3.2 热性能
        1. 9.3.2.1 稳态热性能
        2. 9.3.2.2 瞬态热性能
  10. 10电源建议
    1. 10.1 大容量电容
  11. 11布局
    1. 11.1 布局指南
    2. 11.2 布局示例
  12. 12器件和文档支持
    1. 12.1 文档支持
      1. 12.1.1 相关文档
    2. 12.2 接收文档更新通知
    3. 12.3 支持资源
    4. 12.4 商标
    5. 12.5 Electrostatic Discharge Caution
    6. 12.6 术语表
  13. 13机械、封装和可订购信息

封装选项

机械数据 (封装 | 引脚)
散热焊盘机械数据 (封装 | 引脚)
订购信息

全桥驱动

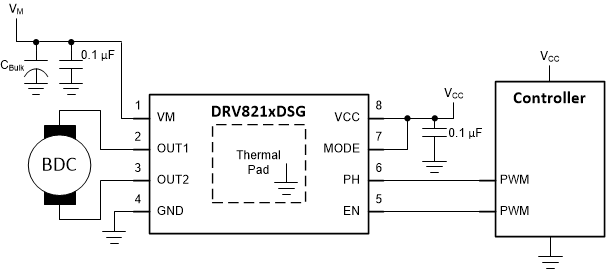
DRV8210 的典型应用是通过将输出作为全桥或 H 桥配置来双向(正向和反向)驱动有刷直流电机或单线圈闭锁继电器。图 9-1图 9-2 显示了使用 PWM 接口驱动电机的每个封装型号的示例。图 9-3 显示了一个使用 PWM 接口驱动单线圈闭锁继电器的示例。图 9-4 显示了一个使用 PH/EN 接口驱动电机的示例。

GUID-20200728-CA0I-JSCC-VGXZ-T4VKVMFJK9SX-low.gif图 9-1 用于 DRL 封装的 PWM 接口电机驱动应用
GUID-20201203-CA0I-LX9Z-CFKZ-PL29B5ZQNGQ3-low.gif图 9-3 PWM 接口单线圈闭锁继电器应用
GUID-20200728-CA0I-G65T-1HCS-2XFDJHC5QS9N-low.gif图 9-2 用于 DSG 封装的 PWM 接口电机驱动应用
GUID-A6A01BDE-2229-4A4B-AB74-6DB83E884E3F-low.gif图 9-4 用于 DSG 封装的 PH/EN 接口电机驱动应用