ZHCSDJ3C March   2015  – June 2019 DLPC150

PRODUCTION DATA.  

  1. 特性
  2. 应用
  3. 说明
    1.     Device Images
      1.      DLP 0.2 英寸 WVGA 芯片组
  4. 修订历史记录
  5. Pin Configuration and Functions
    1.     Pin Functions
    2. 5.1 DLPC150 Mechanical Data
      1. Table 1. I/O Type Subscript Definition
      2. Table 2. Internal Pullup and Pulldown Characteristics
  6. Specifications
    1. 6.1  Absolute Maximum Ratings
    2. 6.2  ESD Ratings
    3. 6.3  Recommended Operating Conditions
    4. 6.4  Thermal Information
    5. 6.5  Electrical Characteristics Over Recommended Operating Conditions
    6. 6.6  Electrical Characteristics
    7. 6.7  High-Speed Sub-LVDS Electrical Characteristics
    8. 6.8  Low-Speed SDR Electrical Characteristics
    9. 6.9  System Oscillators Timing Requirements
    10. 6.10 Power-Up and Reset Timing Requirements
    11. 6.11 Parallel Interface Frame Timing Requirements
    12. 6.12 Parallel Interface General Timing Requirements
    13. 6.13 Flash Interface Timing Requirements
  7. Parameter Measurement Information
    1. 7.1 Host_irq Usage Model
    2. 7.2 Input Source
      1. 7.2.1 Parallel Interface Supports Two Data Transfer Formats
        1. 7.2.1.1 Pdata Bus – Parallel Interface Bit Mapping Modes
  8. Detailed Description
    1. 8.1 Overview
    2. 8.2 Functional Block Diagram
    3. 8.3 Feature Description
      1. 8.3.1 Interface Timing Requirements
        1. 8.3.1.1 Parallel Interface
      2. 8.3.2 Serial Flash Interface
      3. 8.3.3 Serial Flash Programming
      4. 8.3.4 I2C Control Interface
      5. 8.3.5 DMD (Sub-LVDS) Interface
      6. 8.3.6 Calibration And Debug Support
      7. 8.3.7 DMD Interface Considerations
    4. 8.4 Device Functional Modes
  9. Application and Implementation
    1. 9.1 Application Information
      1. 9.1.1 DLPC150 System Design Consideration – Application Notes
    2. 9.2 Typical Application
      1. 9.2.1 Design Requirements
      2. 9.2.2 Detailed Design Procedure
        1. 9.2.2.1 DLPC150 System Interfaces
          1. 9.2.2.1.1 Control Interface
      3. 9.2.3 Application Curve
  10. 10Power Supply Recommendations
    1. 10.1 System Power-Up and Power-Down Sequence
    2. 10.2 DLPC150 Power-Up Initialization Sequence
    3. 10.3 DMD Fast Park Control (PARKZ)
    4. 10.4 Hot Plug Usage
    5. 10.5 Maximum Signal Transition Time
  11. 11Layout
    1. 11.1 Layout Guidelines
      1. 11.1.1 PCB Layout Guidelines For Internal Controller PLL Power
      2. 11.1.2 DLPC150 Reference Clock
        1. 11.1.2.1 Recommended Crystal Oscillator Configuration
      3. 11.1.3 General PCB Recommendations
      4. 11.1.4 General Handling Guidelines for Unused CMOS-Type Pins
      5. 11.1.5 Maximum Pin-to-Pin, PCB Interconnects Etch Lengths
      6. 11.1.6 Number of Layer Changes
      7. 11.1.7 Stubs
      8. 11.1.8 Terminations
      9. 11.1.9 Routing Vias
    2. 11.2 Layout Example
    3. 11.3 Thermal Considerations
  12. 12器件和文档支持
    1. 12.1 器件支持
      1. 12.1.1 器件命名规则
        1. 12.1.1.1 器件标记
    2. 12.2 相关链接
    3. 12.3 社区资源
    4. 12.4 商标
    5. 12.5 静电放电警告
    6. 12.6 Glossary
  13. 13"机械、封装和可订购信息
    1. 13.1 Package Option Addendum
      1. 13.1.1 Packaging Information

封装选项

机械数据 (封装 | 引脚)
散热焊盘机械数据 (封装 | 引脚)

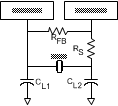
DLPC150 Reference Clock

The DLPC150 requires an external reference clock to feed its internal PLL. A crystal or oscillator can supply this reference. For flexibility, the DLPC150 accepts either of two reference clock frequencies (see Table 12), but both must have a maximum frequency variation of ±200 ppm (including aging, temperature, and trim component variation). When a crystal is used, several discrete components are also required as shown in Figure 18.

DLPC150 ref_clock_LPS038.gif
CL = Crystal load capacitance (farads)
CL1 = 2 × (CL – Cstray_pll_refclk_i)
CL2 = 2 × (CL – Cstray_pll_refclk_o)
Where: Cstray_pll_refclk_i = Sum of package and PCB stray capacitance at the crystal pin associated with the controller pin pll_refclk_i. Cstray_pll_refclk_o = Sum of package and PCB stray capacitance at the crystal pin associated with the controller pin pll_refclk_o.
Figure 18. Recommended Crystal Oscillator Configuration