ZHCSWA3B May 2024 – July 2025 DLP472NE
PRODUCTION DATA
| 参数 | 测试条件 | 最小值 | 典型值 | 最大值 | 单位 | |
|---|---|---|---|---|---|---|
| LVCMOS | ||||||
| tr | 上升时间(1) | 20% 至 80% 基准点 | 25 | ns | ||
| tf | 下降时间(1) | 80% 至 20% 基准点 | 25 | ns | ||
| 低速接口 (LSIF) | ||||||
| tr | 上升时间(2) | 20% 至 80% 基准点 | 450 | ps | ||
| tf | 下降时间(2) | 80% 至 20% 基准点 | 450 | ps | ||
| tW(H) | 脉冲持续时间,高电平(3) | LS_CLK 50% 至 50% 基准点 | 3.1 | ns | ||
| tW(L) | 脉冲持续时间,低电平(3) | LS_CLK 50% 至 50% 基准点 | 3.1 | ns | ||
| tsu | 建立时间(4) | LS_CLK 上升沿之前的 LS_WDATA 有效时间(差分) | 1.5 | ns | ||
| th | 保持时间(4) | LS_CLK 上升沿之后的 LS_WDATA 有效时间(差分) | 1.5 | ns | ||
| 高速串行接口 (HSSI) | ||||||
| tr | 上升时间(5) — 数据 | 从 –A1 到 A1 的最低眼图高度规格 | 50 | 115 | ps | |
| 上升时间(5) — 时钟 | 从 –A1 到 A1 的最低眼图高度规格 | 50 | 135 | ps | ||
| tf | 下降时间(5) - 数据 | 从 A1 到 –A1 的最低眼图高度规格 | 50 | 115 | ps | |
| 下降时间(5) - 时钟 | 从 A1 到 –A1 的最低眼图高度规格 | 50 | 135 | ps | ||
| tW(H) | 脉冲持续时间,高电平(6) | DCLK 50% 至 50% 基准点 | 0.275 | ns | ||
| tW(L) | 脉冲持续时间,低电平(6) | DCLK 50% 至 50% 基准点 | 0.275 | ns | ||


图 5-5 LSIF 时序要求
图 5-6 LSIF 上升/下降时间压摆率
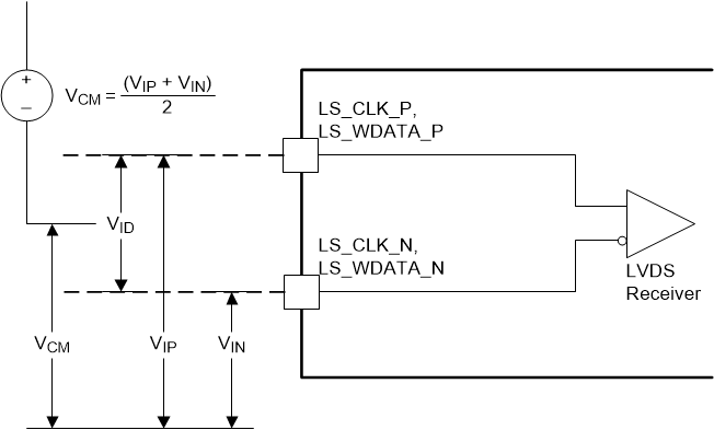
图 5-7 LSIF 电压要求
图 5-8 LSIF 等效输入
图 5-9 LVCMOS 输入迟滞
图 5-10 LVCMOS 上升/下降时间压摆率

图 5-12 HSSI 眼图特性