ZHCSRX3A April   2023  – July 2025 DAC63202W

PRODUCTION DATA  

  1.   1
  2. 特性
  3. 应用
  4. 说明
  5. 引脚配置和功能
  6. 规格
    1. 5.1  绝对最大额定值
    2. 5.2  ESD 等级
    3. 5.3  建议运行条件
    4. 5.4  热性能信息
    5. 5.5  电气特性:电压输出
    6. 5.6  电气特性:电流输出
    7. 5.7  电气特性:比较器模式
    8. 5.8  电气特性:通用
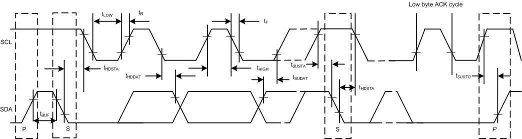
    9. 5.9  时序要求:I2C 标准模式
    10. 5.10 时序要求:I2C 快速模式
    11. 5.11 时序要求:I2C 超快速模式
    12. 5.12 时序要求:SPI 写入操作
    13. 5.13 时序要求:SPI 读取和菊花链操作 (FSDO = 0)
    14. 5.14 时序要求:SPI 读取和菊花链操作 (FSDO = 1)
    15. 5.15 时序要求:GPIO
    16. 5.16 时序图
    17. 5.17 典型特性:电压输出
    18. 5.18 典型特性:电流输出
    19. 5.19 典型特性:比较器
    20. 5.20 典型特性:通用
  7. 详细说明
    1. 6.1 概述
    2. 6.2 功能方框图
    3. 6.3 特性说明
      1. 6.3.1 智能数模转换器 (DAC) 架构
      2. 6.3.2 数字输入/输出
      3. 6.3.3 非易失性存储器 (NVM)
    4. 6.4 器件功能模式
      1. 6.4.1 电压输出模式
        1. 6.4.1.1 电压基准和 DAC 传递函数
          1. 6.4.1.1.1 内部基准
          2. 6.4.1.1.2 外部基准
          3. 6.4.1.1.3 电源作为基准
      2. 6.4.2 电流输出模式
      3. 6.4.3 比较器模式
        1. 6.4.3.1 可编程迟滞比较器
        2. 6.4.3.2 可编程窗口比较器
      4. 6.4.4 故障转储模式
      5. 6.4.5 应用特定模式
        1. 6.4.5.1 电压裕量和调节
          1. 6.4.5.1.1 高阻抗输出和 PROTECT 输入
          2. 6.4.5.1.2 可编程压摆率控制
          3. 6.4.5.1.3 PMBus 兼容模式
        2. 6.4.5.2 函数生成
          1. 6.4.5.2.1 三角波形生成
          2. 6.4.5.2.2 锯齿波形生成
          3. 6.4.5.2.3 正弦波形生成
      6. 6.4.6 器件复位和故障管理
        1. 6.4.6.1 上电复位 (POR)
        2. 6.4.6.2 外部复位
        3. 6.4.6.3 寄存器映射锁定
        4. 6.4.6.4 NVM 循环冗余校验 (CRC)
          1. 6.4.6.4.1 NVM-CRC-FAIL-USER 位
          2. 6.4.6.4.2 NVM-CRC-FAIL-INT 位
      7. 6.4.7 断电模式
    5. 6.5 编程
      1. 6.5.1 SPI 编程模式
      2. 6.5.2 I2C 编程模式
        1. 6.5.2.1 F/S 模式协议
        2. 6.5.2.2 I2C 更新序列
          1. 6.5.2.2.1 地址字节
          2. 6.5.2.2.2 命令字节
        3. 6.5.2.3 I2C 读取序列
      3. 6.5.3 通用输入/输出 (GPIO) 模式
    6. 6.6 寄存器映射
      1. 6.6.1  NOP 寄存器(地址 = 00h)[复位 = 0000h]
      2. 6.6.2  DAC-X-MARGIN-HIGH 寄存器(地址 = 13h、01h)[复位 = 0000h]
      3. 6.6.3  DAC-X-MARGIN-LOW 寄存器(地址 = 14h、02h)[复位 = 0000h]
      4. 6.6.4  DAC-X-VOUT-CMP-CONFIG 寄存器(地址 = 15h、03h)[复位 = 0000h]
      5. 6.6.5  DAC-X-IOUT-MISC-CONFIG 寄存器(地址 = 16h、04h)[复位 = 0000h]
      6. 6.6.6  DAC-X-CMP-MODE-CONFIG 寄存器(地址 = 17h、05h)[复位 = 0000h]
      7. 6.6.7  DAC-X-FUNC-CONFIG 寄存器(地址 = 18h、06h)[复位 = 0000h]
      8. 6.6.8  DAC-X-DATA 寄存器(地址 = 1Ch、19h)[复位 = 0000h]
      9. 6.6.9  COMMON-CONFIG 寄存器(地址 = 1Fh)[复位 = 0FFFh]
      10. 6.6.10 COMMON-TRIGGER 寄存器(地址 = 20h)[复位 = 0000h]
      11. 6.6.11 COMMON-DAC-TRIG 寄存器(地址 = 21h)[复位 = 0000h]
      12. 6.6.12 GENERAL-STATUS 寄存器(地址 = 22h)[复位 = 00h、DEVICE-ID、VERSION-ID]
      13. 6.6.13 CMP-STATUS 寄存器(地址 = 23h)[复位 = 0000h]
      14. 6.6.14 GPIO-CONFIG 寄存器(地址 = 24h)[复位 = 0000h]
      15. 6.6.15 DEVICE-MODE-CONFIG 寄存器(地址 = 25h)[复位 = 0000h]
      16. 6.6.16 INTERFACE-CONFIG 寄存器(地址 = 26h)[复位 = 0000h]
      17. 6.6.17 SRAM-CONFIG 寄存器(地址 = 2Bh)[复位 = 0000h]
      18. 6.6.18 SRAM-DATA 寄存器(地址 = 2Ch)[复位 = 0000h]
      19. 6.6.19 BRDCAST-DATA 寄存器(地址 = 50h)[复位 = 0000h]
      20. 6.6.20 PMBUS-PAGE 寄存器 [复位 = 0300h]
      21. 6.6.21 PMBUS-OP-CMD-X 寄存器 [复位 = 0000h]
      22. 6.6.22 PMBUS-CML 寄存器 [复位 = 0000h]
      23. 6.6.23 PMBUS-VERSION 寄存器 [复位 = 2200h]
  8. 应用和实施
    1. 7.1 应用信息
    2. 7.2 典型应用
      1. 7.2.1 设计要求
      2. 7.2.2 详细设计过程
      3. 7.2.3 应用曲线
    3. 7.3 电源相关建议
    4. 7.4 布局
      1. 7.4.1 布局指南
      2. 7.4.2 布局示例
  9. 器件和文档支持
    1. 8.1 文档支持
      1. 8.1.1 相关文档
    2. 8.2 接收文档更新通知
    3. 8.3 支持资源
    4. 8.4 商标
    5. 8.5 静电放电警告
    6. 8.6 术语表
  10. 修订历史记录
  11. 10机械、封装和可订购信息

封装选项

请参考 PDF 数据表获取器件具体的封装图。

机械数据 (封装 | 引脚)
  • YBH|16
散热焊盘机械数据 (封装 | 引脚)
订购信息

时序图

DAC63202W I2C 时序图图 5-1 I2C 时序图
DAC63202W SPI 写入时序图图 5-2 SPI 写入时序图
DAC63202W SPI 读取时序图图 5-3 SPI 读取时序图