ZHCSQO2N August   1998  – February 2025 CD4051B , CD4052B , CD4053B

PRODUCTION DATA  

  1.   1
  2. 特性
  3. 应用
  4. 说明
  5. Pin Configuration and Functions
  6. Specifications
    1. 5.1 Absolute Maximum Ratings
    2. 5.2 ESD Ratings
    3. 5.3 Recommended Operating Conditions
    4. 5.4 Thermal Information
    5. 5.5 Electrical Characteristics
    6. 5.6 AC Performance Characteristics
    7. 5.7 Typical Characteristics
  7. Parameter Measurement Information
  8. Detailed Description
    1. 7.1 Overview
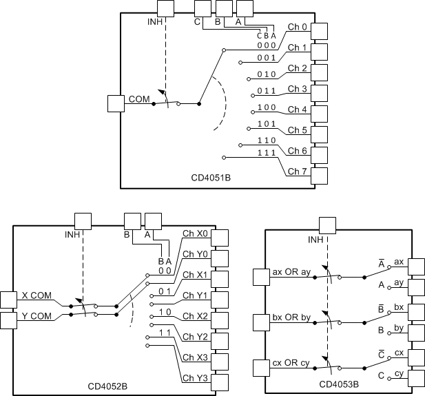
    2. 7.2 Functional Block Diagrams
    3. 7.3 Feature Description
    4. 7.4 Device Functional Modes
  9. Application and Implementation
    1. 8.1 Application Information
    2. 8.2 Typical Application
      1. 8.2.1 Design Requirements
      2. 8.2.2 Detailed Design Procedure
      3. 8.2.3 Application Curve
    3. 8.3 Power Supply Recommendations
    4. 8.4 Layout
      1. 8.4.1 Layout Guidelines
      2. 8.4.2 Layout Example
  10. Device and Documentation Support
    1. 9.1 Documentation Support
      1. 9.1.1 Related Documentation
    2. 9.2 接收文档更新通知
    3. 9.3 支持资源
    4. 9.4 Trademarks
    5. 9.5 静电放电警告
    6. 9.6 术语表
  11. 10Revision History
  12. 11Mechanical, Packaging, and Orderable Information

封装选项

机械数据 (封装 | 引脚)
散热焊盘机械数据 (封装 | 引脚)
订购信息

说明

CD405xB 模拟多路复用器和多路信号分离器是数字控制的模拟开关,具有低接通阻抗和极低的关断漏电流。这些多路复用器电路在整个 VDD – VSS 和 VDD – VEE 电源电压范围内,消耗的静态功率极低,而不受控制信号的逻辑状态影响。

封装信息
器件型号封装 (1)封装尺寸(2)
CD405xBJ(CDIP、16)19.50mm × 6.92mm
N(PDIP,16)19.3mm × 9.4mm
D(SOIC,16)9.9mm × mm
NS(SOP,16)10.2mm × 7.8mm
PW(TSSOP,16)5mm × 6.4mm
如需了解所有可用封装,请参阅数据表末尾的可订购产品附录。
封装尺寸(长 × 宽)为标称值,并包括引脚(如适用)。
CD4051B CD4052B CD4053B CD4051B 的功能图CD4051B 的功能图