ZHCSPB8C December   2021  – October 2024 BQ77207

PRODUCTION DATA  

  1.   1
  2. 特性
  3. 应用
  4. 说明
  5. 器件比较表
  6. 引脚配置和功能
  7. 规格
    1. 6.1 绝对最大额定值
    2. 6.2 ESD 等级
    3. 6.3 建议运行条件
    4. 6.4 热性能信息
    5. 6.5 DC 特性
    6. 6.6 时序要求
  8. 详细说明
    1. 7.1 概述
    2. 7.2 功能方框图
    3. 7.3 特性说明
      1. 7.3.1 电压故障检测
      2. 7.3.2 开路故障检测
      3. 7.3.3 温度故障检测
      4. 7.3.4 振荡器运行状况检查
      5. 7.3.5 Vx 的检测正输入
      6. 7.3.6 输出驱动,COUT 和 DOUT
      7. 7.3.7 锁存功能
      8. 7.3.8 电源电压,VDD
    4. 7.4 器件功能模式
      1. 7.4.1 正常模式
      2. 7.4.2 故障模式
      3. 7.4.3 客户测试模式
  9. 应用和实施
    1. 8.1 应用信息
      1. 8.1.1 设计要求
      2. 8.1.2 详细设计过程
        1. 8.1.2.1 电池连接顺序
    2. 8.2 系统示例
  10. 电源相关建议
  11. 10布局
    1. 10.1 布局指南
    2. 10.2 布局示例
  12. 11器件和文档支持
    1. 11.1 第三方产品免责声明
    2. 11.2 接收文档更新通知
    3. 11.3 支持资源
    4. 11.4 商标
    5. 11.5 静电放电警告
    6. 11.6 术语表
  13. 12修订历史记录
  14. 13机械、封装和可订购信息

封装选项

机械数据 (封装 | 引脚)
散热焊盘机械数据 (封装 | 引脚)
订购信息

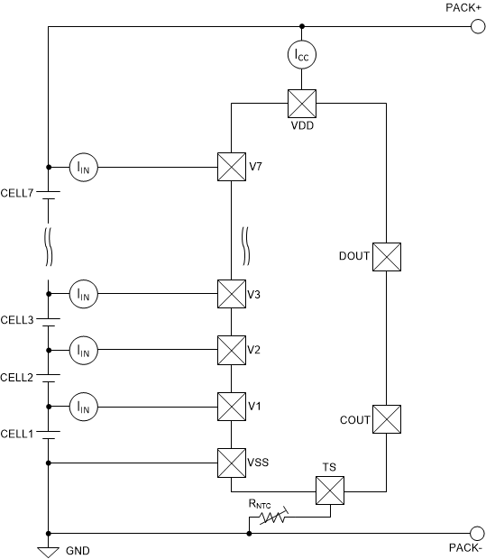
详细设计过程

图 8-2 显示了相应产品 VDD 和 Vx 的电流消耗测量值。

BQ77207 IC 电流消耗测试配置图 8-2 IC 电流消耗测试配置