ZHCSPB8C December   2021  – October 2024 BQ77207

PRODUCTION DATA  

  1.   1
  2. 特性
  3. 应用
  4. 说明
  5. 器件比较表
  6. 引脚配置和功能
  7. 规格
    1. 6.1 绝对最大额定值
    2. 6.2 ESD 等级
    3. 6.3 建议运行条件
    4. 6.4 热性能信息
    5. 6.5 DC 特性
    6. 6.6 时序要求
  8. 详细说明
    1. 7.1 概述
    2. 7.2 功能方框图
    3. 7.3 特性说明
      1. 7.3.1 电压故障检测
      2. 7.3.2 开路故障检测
      3. 7.3.3 温度故障检测
      4. 7.3.4 振荡器运行状况检查
      5. 7.3.5 Vx 的检测正输入
      6. 7.3.6 输出驱动,COUT 和 DOUT
      7. 7.3.7 锁存功能
      8. 7.3.8 电源电压,VDD
    4. 7.4 器件功能模式
      1. 7.4.1 正常模式
      2. 7.4.2 故障模式
      3. 7.4.3 客户测试模式
  9. 应用和实施
    1. 8.1 应用信息
      1. 8.1.1 设计要求
      2. 8.1.2 详细设计过程
        1. 8.1.2.1 电池连接顺序
    2. 8.2 系统示例
  10. 电源相关建议
  11. 10布局
    1. 10.1 布局指南
    2. 10.2 布局示例
  12. 11器件和文档支持
    1. 11.1 第三方产品免责声明
    2. 11.2 接收文档更新通知
    3. 11.3 支持资源
    4. 11.4 商标
    5. 11.5 静电放电警告
    6. 11.6 术语表
  13. 12修订历史记录
  14. 13机械、封装和可订购信息

封装选项

机械数据 (封装 | 引脚)
散热焊盘机械数据 (封装 | 引脚)
订购信息

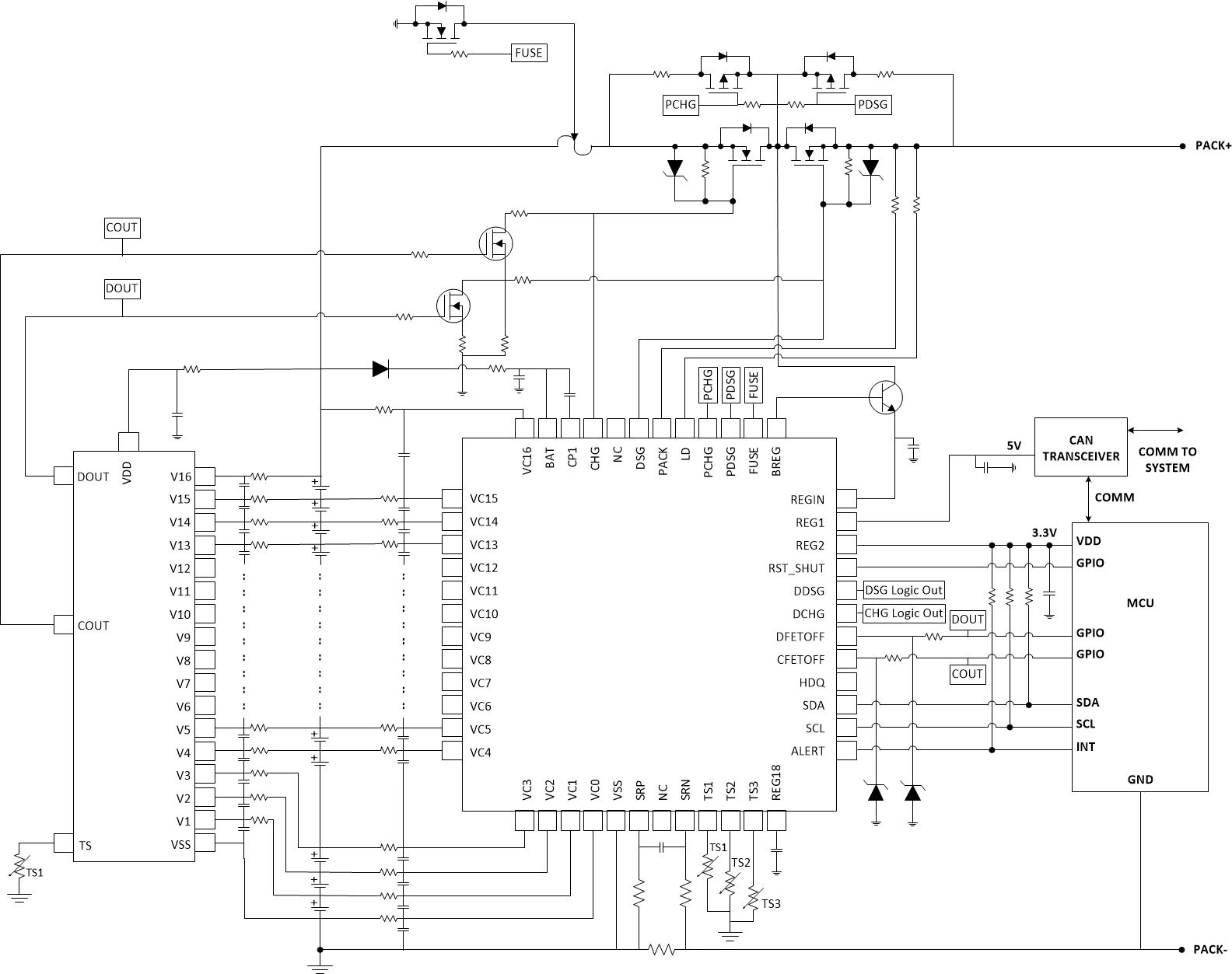
系统示例

在本应用示例中,需要在 COUT 和 DOUT 引脚上选择保险丝或 FET - 配置为高电平有效,驱动至 6V 输出。

BQ77207 具有高电平有效 6V 选项的 5 节串联电芯配置图 8-3 具有高电平有效 6V 选项的 5 节串联电芯配置

与 BQ769x2 或 BQ76940 器件配合使用时,必须使用顶部电芯。对于用于驱动 CHG 和 DSG FET 的 BQ77207 器件,优先选择高电平有效 6V 选项。其 COUT 和 DOUT 控制两个 N 沟道 FET,以便通过监控器件共同控制 CHG 和 DSG FET。对于此类联合架构,如果主保护器或监控器件主动测量电芯,则 BQ77207 器件的开路功能可能会受到影响。需要注意确保满足 BQ77207 器件的 VOW 规格或选择禁用开路的 BQ77207 器件版本。与 BQ769x2 器件配合使用时,BQ769x2 器件的 LOOPSLOW 设置应设置为 0x11,以确保满足 BQ77207 VOW 规格。  

BQ77207 BQ77207 与 BQ76952图 8-4 BQ77207 与 BQ76952