ZHCSM64B February   2022  – December 2024 AMC23C14

PRODUCTION DATA  

  1.   1
  2. 特性
  3. 应用
  4. 说明
  5. 引脚配置和功能
  6. 规格
    1. 5.1  绝对最大额定值
    2. 5.2  ESD 等级
    3. 5.3  建议运行条件
    4. 5.4  热性能信息
    5. 5.5  功率等级
    6. 5.6  绝缘规格(增强型隔离)
    7. 5.7  安全相关认证
    8. 5.8  安全限值
    9. 5.9  电气特性
    10. 5.10 开关特性
    11. 5.11 时序图
    12. 5.12 绝缘特性曲线
    13. 5.13 典型特性
  7. 详细说明
    1. 6.1 概述
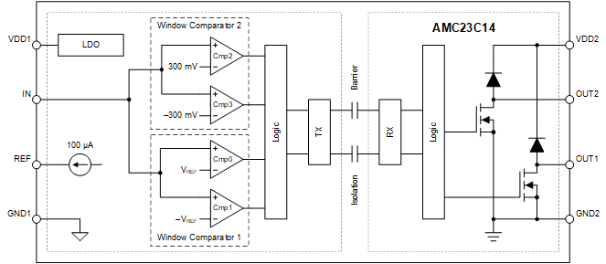
    2. 6.2 功能方框图
    3. 6.3 特性说明
      1. 6.3.1 模拟输入
      2. 6.3.2 基准输入
      3. 6.3.3 隔离通道信号传输
      4. 6.3.4 开漏数字输出
      5. 6.3.5 上电和断电行为
      6. 6.3.6 VDD1 欠压和失去电源行为
    4. 6.4 器件功能模式
  8. 应用和实施
    1. 7.1 应用信息
    2. 7.2 典型应用
      1. 7.2.1 过流和短路电流检测
        1. 7.2.1.1 设计要求
        2. 7.2.1.2 详细设计过程
      2. 7.2.2 过压和欠压检测
        1. 7.2.2.1 设计要求
        2. 7.2.2.2 详细设计过程
      3. 7.2.3 应用曲线
    3. 7.3 最佳设计实践
    4. 7.4 电源相关建议
    5. 7.5 布局
      1. 7.5.1 布局指南
      2. 7.5.2 布局示例
  9. 器件和文档支持
    1. 8.1 文档支持
      1. 8.1.1 相关文档
    2. 8.2 接收文档更新通知
    3. 8.3 支持资源
    4. 8.4 商标
    5. 8.5 静电放电警告
    6. 8.6 术语表
  10. 修订历史记录
  11. 10机械、封装和可订购信息

封装选项

机械数据 (封装 | 引脚)
散热焊盘机械数据 (封装 | 引脚)
订购信息

功能方框图

AMC23C14