ZHCSG49F December   2015  – May 2019 AM5726 , AM5728 , AM5729

PRODUCTION DATA.  

  1. 器件概述
    1. 1.1 特性
    2. 1.2 应用
    3. 1.3 说明
    4. 1.4 功能方框图
  2. 修订历史记录
  3. Device Comparison
    1. 3.1 Related Products
  4. Terminal Configuration and Functions
    1. 4.1 Terminal Assignment
      1. 4.1.1 Unused Balls Connection Requirements
    2. 4.2 Ball Characteristics
    3. 4.3 Multiplexing Characteristics
    4. 4.4 Signal Descriptions
      1. 4.4.1  Video Input Port (VIP)
      2. 4.4.2  Display Subsystem – Video Output Ports
      3. 4.4.3  Display Subsystem – High-Definition Multimedia Interface (HDMI)
      4. 4.4.4  External Memory Interface - (EMIF)
      5. 4.4.5  General-Purpose Memory Controller (GPMC)
      6. 4.4.6  Timer
      7. 4.4.7  Inter-Integrated Circuit Interface (I2C)
      8. 4.4.8  HDQ / 1-Wire Interface (HDQ1W)
      9. 4.4.9  Universal Asynchronous Receiver Transmitter (UART)
      10. 4.4.10 Multichannel Serial Peripheral Interface (McSPI)
      11. 4.4.11 Quad Serial Peripheral Interface (QSPI)
      12. 4.4.12 Multichannel Audio Serial Port (McASP)
      13. 4.4.13 Universal Serial Bus (USB)
      14. 4.4.14 Serial Advanced Technology Attachment (SATA)
      15. 4.4.15 Peripheral Component Interconnect Express (PCIe)
      16. 4.4.16 Controller Area Network Interface (DCAN)
      17. 4.4.17 Ethernet Interface (GMAC_SW)
      18. 4.4.18 Media Local Bus (MLB) Interface
      19. 4.4.19 eMMC/SD/SDIO
      20. 4.4.20 General-Purpose Interface (GPIO)
      21. 4.4.21 Keyboard controller (KBD)
      22. 4.4.22 Pulse Width Modulation (PWM)
      23. 4.4.23 Programmable Real-Time Unit Subsystem and Industrial Communication Subsystem (PRU-ICSS)
      24. 4.4.24 Test Interfaces
      25. 4.4.25 System and Miscellaneous
        1. 4.4.25.1 Sysboot
        2. 4.4.25.2 Power, Reset and Clock Management (PRCM)
        3. 4.4.25.3 Real-Time Clock (RTC) Interface
        4. 4.4.25.4 System Direct Memory Access (SDMA)
        5. 4.4.25.5 Interrupt Controllers (INTC)
        6. 4.4.25.6 Observability
        7. 4.4.25.7 Power Supplies
  5. Specifications
    1. 5.1 Absolute Maximum Ratings
    2. 5.2 ESD Ratings
    3. 5.3 Power on Hours (POH) Limits
    4. 5.4 Recommended Operating Conditions
    5. 5.5 Operating Performance Points
      1. 5.5.1 AVS and ABB Requirements
      2. 5.5.2 Voltage And Core Clock Specifications
      3. 5.5.3 Maximum Supported Frequency
    6. 5.6 Power Consumption Summary
    7. 5.7 Electrical Characteristics
      1. 5.7.1  LVCMOS DDR DC Electrical Characteristics
      2. 5.7.2  HDMIPHY DC Electrical Characteristics
      3. 5.7.3  Dual Voltage LVCMOS I2C DC Electrical Characteristics
      4. 5.7.4  IQ1833 Buffers DC Electrical Characteristics
      5. 5.7.5  IHHV1833 Buffers DC Electrical Characteristics
      6. 5.7.6  LVCMOS OSC Buffers DC Electrical Characteristics
      7. 5.7.7  BC1833IHHV Buffers DC Electrical Characteristics
      8. 5.7.8  USBPHY DC Electrical Characteristics
      9. 5.7.9  Dual Voltage SDIO1833 DC Electrical Characteristics
      10. 5.7.10 Dual Voltage LVCMOS DC Electrical Characteristics
      11. 5.7.11 SATAPHY DC Electrical Characteristics
      12. 5.7.12 PCIEPHY DC Electrical Characteristics
    8. 5.8 Thermal Characteristics
      1. 5.8.1 Package Thermal Characteristics
    9. 5.9 Power Supply Sequences
  6. Clock Specifications
    1. 6.1 Input Clock Specifications
      1. 6.1.1 Input Clock Requirements
      2. 6.1.2 System Oscillator OSC0 Input Clock
        1. 6.1.2.1 OSC0 External Crystal
        2. 6.1.2.2 OSC0 Input Clock
      3. 6.1.3 Auxiliary Oscillator OSC1 Input Clock
        1. 6.1.3.1 OSC1 External Crystal
        2. 6.1.3.2 OSC1 Input Clock
      4. 6.1.4 RTC Oscillator Input Clock
        1. 6.1.4.1 RTC Oscillator External Crystal
        2. 6.1.4.2 RTC Oscillator Input Clock
    2. 6.2 RC On-die Oscillator Clock
    3. 6.3 DPLLs, DLLs Specifications
      1. 6.3.1 DPLL Characteristics
      2. 6.3.2 DLL Characteristics
  7. Timing Requirements and Switching Characteristics
    1. 7.1  Timing Test Conditions
    2. 7.2  Interface Clock Specifications
      1. 7.2.1 Interface Clock Terminology
      2. 7.2.2 Interface Clock Frequency
    3. 7.3  Timing Parameters and Information
      1. 7.3.1 Parameter Information
        1. 7.3.1.1 1.8V and 3.3V Signal Transition Levels
        2. 7.3.1.2 1.8V and 3.3V Signal Transition Rates
        3. 7.3.1.3 Timing Parameters and Board Routing Analysis
    4. 7.4  Recommended Clock and Control Signal Transition Behavior
    5. 7.5  Virtual and Manual I/O Timing Modes
    6. 7.6  Video Input Ports (VIP)
    7. 7.7  Display Subsystem – Video Output Ports
    8. 7.8  Display Subsystem – High-Definition Multimedia Interface (HDMI)
    9. 7.9  External Memory Interface (EMIF)
    10. 7.10 General-Purpose Memory Controller (GPMC)
      1. 7.10.1 GPMC/NOR Flash Interface Synchronous Timing
      2. 7.10.2 GPMC/NOR Flash Interface Asynchronous Timing
      3. 7.10.3 GPMC/NAND Flash Interface Asynchronous Timing
    11. 7.11 Timers
    12. 7.12 Inter-Integrated Circuit Interface (I2C)
      1. Table 7-34 Timing Requirements for I2C Input Timings
      2. Table 7-35 Timing Requirements for I2C HS-Mode (I2C3/4/5 Only)
      3. Table 7-36 Switching Characteristics Over Recommended Operating Conditions for I2C Output Timings
    13. 7.13 HDQ / 1-Wire Interface (HDQ1W)
      1. 7.13.1 HDQ / 1-Wire — HDQ Mode
      2. 7.13.2 HDQ/1-Wire—1-Wire Mode
    14. 7.14 Universal Asynchronous Receiver Transmitter (UART)
      1. Table 7-41 Timing Requirements for UART
      2. Table 7-42 Switching Characteristics Over Recommended Operating Conditions for UART
    15. 7.15 Multichannel Serial Peripheral Interface (McSPI)
    16. 7.16 Quad Serial Peripheral Interface (QSPI)
    17. 7.17 Multichannel Audio Serial Port (McASP)
      1. Table 7-49 Timing Requirements for McASP1
      2. Table 7-50 Timing Requirements for McASP2
      3. Table 7-51 Timing Requirements for McASP3/4/5/6/7/8
      4. Table 7-52 Switching Characteristics Over Recommended Operating Conditions for McASP1
      5. Table 7-53 Switching Characteristics Over Recommended Operating Conditions for McASP2
      6. Table 7-54 Switching Characteristics Over Recommended Operating Conditions for McASP3/4/5/6/7/8
    18. 7.18 Universal Serial Bus (USB)
      1. 7.18.1 USB1 DRD PHY
      2. 7.18.2 USB2 PHY
    19. 7.19 Serial Advanced Technology Attachment (SATA)
    20. 7.20 Peripheral Component Interconnect Express (PCIe)
    21. 7.21 Controller Area Network Interface (DCAN)
    22. 7.22 Ethernet Interface (GMAC_SW)
      1. 7.22.1 GMAC MII Timings
        1. Table 7-68 Timing Requirements for miin_rxclk - MII Operation
        2. Table 7-69 Timing Requirements for miin_txclk - MII Operation
        3. Table 7-70 Timing Requirements for GMAC MIIn Receive 10/100 Mbit/s
        4. Table 7-71 Switching Characteristics Over Recommended Operating Conditions for GMAC MIIn Transmit 10/100 Mbits/s
      2. 7.22.2 GMAC MDIO Interface Timings
      3. 7.22.3 GMAC RMII Timings
        1. Table 7-76 Timing Requirements for GMAC REF_CLK - RMII Operation
        2. Table 7-77 Timing Requirements for GMAC RMIIn Receive
        3. Table 7-78 Switching Characteristics Over Recommended Operating Conditions for GMAC REF_CLK - RMII Operation
        4. Table 7-79 Switching Characteristics Over Recommended Operating Conditions for GMAC RMIIn Transmit 10/100 Mbits/s
      4. 7.22.4 GMAC RGMII Timings
        1. Table 7-83 Timing Requirements for rgmiin_rxc - RGMIIn Operation
        2. Table 7-84 Timing Requirements for GMAC RGMIIn Input Receive for 10/100/1000 Mbps
        3. Table 7-85 Switching Characteristics Over Recommended Operating Conditions for rgmiin_txctl - RGMIIn Operation for 10/100/1000 Mbit/s
        4. Table 7-86 Switching Characteristics for GMAC RGMIIn Output Transmit for 10/100/1000 Mbps
    23. 7.23 eMMC/SD/SDIO
      1. 7.23.1 MMC1—SD Card Interface
        1. 7.23.1.1 Default speed, 4-bit data, SDR, half-cycle
        2. 7.23.1.2 High speed, 4-bit data, SDR, half-cycle
        3. 7.23.1.3 SDR12, 4-bit data, half-cycle
        4. 7.23.1.4 SDR25, 4-bit data, half-cycle
        5. 7.23.1.5 UHS-I SDR50, 4-bit data, half-cycle
        6. 7.23.1.6 UHS-I SDR104, 4-bit data, half-cycle
        7. 7.23.1.7 UHS-I DDR50, 4-bit data
      2. 7.23.2 MMC2 — eMMC
        1. 7.23.2.1 Standard JC64 SDR, 8-bit data, half cycle
        2. 7.23.2.2 High-speed JC64 SDR, 8-bit data, half cycle
        3. 7.23.2.3 High-speed HS200 JC64 SDR, 8-bit data, half cycle
        4. 7.23.2.4 High-speed JC64 DDR, 8-bit data
      3. 7.23.3 MMC3 and MMC4—SDIO/SD
        1. 7.23.3.1 MMC3 and MMC4, SD Default Speed
        2. 7.23.3.2 MMC3 and MMC4, SD High Speed
        3. 7.23.3.3 MMC3 and MMC4, SD and SDIO SDR12 Mode
        4. 7.23.3.4 MMC3 and MMC4, SD SDR25 Mode
        5. 7.23.3.5 MMC3 SDIO High-Speed UHS-I SDR50 Mode, Half Cycle
    24. 7.24 General-Purpose Interface (GPIO)
    25. 7.25 Programmable Real-Time Unit Subsystem and Industrial Communication Subsystem (PRU-ICSS)
      1. 7.25.1 Programmable Real-Time Unit (PRU-ICSS PRU)
        1. 7.25.1.1 PRU-ICSS PRU Direct Input/Output Mode Electrical Data and Timing
          1. Table 7-135 PRU-ICSS PRU Timing Requirements - Direct Input Mode
          2. Table 7-136 PRU-ICSS PRU Switching Requirements – Direct Output Mode
        2. 7.25.1.2 PRU-ICSS PRU Parallel Capture Mode Electrical Data and Timing
          1. Table 7-137 PRU-ICSS PRU Timing Requirements - Parallel Capture Mode
        3. 7.25.1.3 PRU-ICSS PRU Shift Mode Electrical Data and Timing
          1. Table 7-138 PRU-ICSS PRU Timing Requirements – Shift In Mode
          2. Table 7-139 PRU-ICSS PRU Switching Requirements - Shift Out Mode
      2. 7.25.2 PRU-ICSS EtherCAT (PRU-ICSS ECAT)
        1. 7.25.2.1 PRU-ICSS ECAT Electrical Data and Timing
          1. Table 7-140 PRU-ICSS ECAT Timing Requirements – Input Validated With LATCH_IN
          2. Table 7-141 PRU-ICSS ECAT Timing Requirements – Input Validated With SYNCx
          3. Table 7-142 PRU-ICSS ECAT Timing Requirements – Input Validated With Start of Frame (SOF)
          4. Table 7-143 PRU-ICSS ECAT Timing Requirements - LATCHx_IN
          5. Table 7-144 PRU-ICSS ECAT Switching Requirements - Digital IOs
      3. 7.25.3 PRU-ICSS MII_RT and Switch
        1. 7.25.3.1 PRU-ICSS MDIO Electrical Data and Timing
          1. Table 7-145 PRU-ICSS MDIO Timing Requirements – MDIO_DATA
          2. Table 7-146 PRU-ICSS MDIO Switching Characteristics - MDIO_CLK
          3. Table 7-147 PRU-ICSS MDIO Switching Characteristics – MDIO_DATA
        2. 7.25.3.2 PRU-ICSS MII_RT Electrical Data and Timing
          1. Table 7-148 PRU-ICSS MII_RT Timing Requirements – MII[x]_RXCLK
          2. Table 7-149 PRU-ICSS MII_RT Timing Requirements - MII[x]_TXCLK
          3. Table 7-150 PRU-ICSS MII_RT Timing Requirements - MII_RXD[3:0], MII_RXDV, and MII_RXER
          4. Table 7-151 PRU-ICSS MII_RT Switching Characteristics - MII_TXD[3:0] and MII_TXEN
      4. 7.25.4 PRU-ICSS Universal Asynchronous Receiver Transmitter (PRU-ICSS UART)
        1. Table 7-152 Timing Requirements for PRU-ICSS UART Receive
        2. Table 7-153 Switching Characteristics Over Recommended Operating Conditions for PRU-ICSS UART Transmit
      5. 7.25.5 PRU-ICSS IOSETs
      6. 7.25.6 PRU-ICSS Manual Functional Mapping
    26. 7.26 System and Miscellaneous interfaces
    27. 7.27 Test Interfaces
      1. 7.27.1 IEEE 1149.1 Standard-Test-Access Port (JTAG)
        1. 7.27.1.1 JTAG Electrical Data/Timing
          1. Table 7-174 Timing Requirements for IEEE 1149.1 JTAG
          2. Table 7-175 Switching Characteristics Over Recommended Operating Conditions for IEEE 1149.1 JTAG
          3. Table 7-176 Timing Requirements for IEEE 1149.1 JTAG With RTCK
          4. Table 7-177 Switching Characteristics Over Recommended Operating Conditions for IEEE 1149.1 JTAG With RTCK
      2. 7.27.2 Trace Port Interface Unit (TPIU)
        1. 7.27.2.1 TPIU PLL DDR Mode
  8. Applications, Implementation, and Layout
    1. 8.1 Power Supply Mapping
    2. 8.2 DDR3 Board Design and Layout Guidelines
      1. 8.2.1 DDR3 General Board Layout Guidelines
      2. 8.2.2 DDR3 Board Design and Layout Guidelines
        1. 8.2.2.1  Board Designs
        2. 8.2.2.2  DDR3 EMIFs
        3. 8.2.2.3  DDR3 Device Combinations
        4. 8.2.2.4  DDR3 Interface Schematic
          1. 8.2.2.4.1 32-Bit DDR3 Interface
          2. 8.2.2.4.2 16-Bit DDR3 Interface
        5. 8.2.2.5  Compatible JEDEC DDR3 Devices
        6. 8.2.2.6  PCB Stackup
        7. 8.2.2.7  Placement
        8. 8.2.2.8  DDR3 Keepout Region
        9. 8.2.2.9  Bulk Bypass Capacitors
        10. 8.2.2.10 High-Speed Bypass Capacitors
          1. 8.2.2.10.1 Return Current Bypass Capacitors
        11. 8.2.2.11 Net Classes
        12. 8.2.2.12 DDR3 Signal Termination
        13. 8.2.2.13 VREF_DDR Routing
        14. 8.2.2.14 VTT
        15. 8.2.2.15 CK and ADDR_CTRL Topologies and Routing Definition
          1. 8.2.2.15.1 Four DDR3 Devices
            1. 8.2.2.15.1.1 CK and ADDR_CTRL Topologies, Four DDR3 Devices
            2. 8.2.2.15.1.2 CK and ADDR_CTRL Routing, Four DDR3 Devices
          2. 8.2.2.15.2 Two DDR3 Devices
            1. 8.2.2.15.2.1 CK and ADDR_CTRL Topologies, Two DDR3 Devices
            2. 8.2.2.15.2.2 CK and ADDR_CTRL Routing, Two DDR3 Devices
          3. 8.2.2.15.3 One DDR3 Device
            1. 8.2.2.15.3.1 CK and ADDR_CTRL Topologies, One DDR3 Device
            2. 8.2.2.15.3.2 CK and ADDR/CTRL Routing, One DDR3 Device
        16. 8.2.2.16 Data Topologies and Routing Definition
          1. 8.2.2.16.1 DQS and DQ/DM Topologies, Any Number of Allowed DDR3 Devices
          2. 8.2.2.16.2 DQS and DQ/DM Routing, Any Number of Allowed DDR3 Devices
        17. 8.2.2.17 Routing Specification
          1. 8.2.2.17.1 CK and ADDR_CTRL Routing Specification
          2. 8.2.2.17.2 DQS and DQ Routing Specification
    3. 8.3 High Speed Differential Signal Routing Guidance
    4. 8.4 Power Distribution Network Implementation Guidance
    5. 8.5 Thermal Solution Guidance
    6. 8.6 Single-Ended Interfaces
      1. 8.6.1 General Routing Guidelines
      2. 8.6.2 QSPI Board Design and Layout Guidelines
    7. 8.7 LJCB_REFN/P Connections
    8. 8.8 Clock Routing Guidelines
      1. 8.8.1 32-kHz Oscillator Routing
      2. 8.8.2 Oscillator Ground Connection
  9. Device and Documentation Support
    1. 9.1 Device Nomenclature
      1. 9.1.1 Standard Package Symbolization
      2. 9.1.2 Device Naming Convention
    2. 9.2 Tools and Software
    3. 9.3 Documentation Support
    4. 9.4 Related Links
    5. 9.5 Community Resources
    6. 9.6 商标
    7. 9.7 静电放电警告
    8. 9.8 Glossary
  10. 10Mechanical, Packaging, and Orderable Information
    1. 10.1 Packaging Information

封装选项

请参考 PDF 数据表获取器件具体的封装图。

机械数据 (封装 | 引脚)
  • ABC|760
散热焊盘机械数据 (封装 | 引脚)
订购信息

Quad Serial Peripheral Interface (QSPI)

The Quad SPI (QSPI) module is a type of SPI module that allows single, dual or quad read access to external SPI devices. This module has a memory mapped register interface, which provides a direct interface for accessing data from external SPI devices and thus simplifying software requirements. It works as a master only. There is one QSPI module in the device and it is primary intended for fast booting from quad-SPI flash memories.

General SPI features:

  • Programmable clock divider
  • Six pin interface (DCLK, CS_N, DOUT, DIN, QDIN1, QDIN2)
  • 4 external chip select signals
  • Support for 3-, 4- or 6-pin SPI interface
  • Programmable CS_N to DOUT delay from 0 to 3 DCLKs
  • Programmable signal polarities
  • Programmable active clock edge
  • Software controllable interface allowing for any type of SPI transfer

NOTE

For more information, see the Quad Serial Peripheral Interface section of the Device TRM.

CAUTION

The IO Timings provided in this section are only valid for some QSPI usage modes when the corresponding Virtual IO Timings or Manual IO Timings are configured as described in the tables found in this section.

CAUTION

The IO Timings provided in this section are only valid when all QSPI Chip Selects used in a system are configured to use the same Clock Mode (either Clock Mode 0 or Clock Mode3).

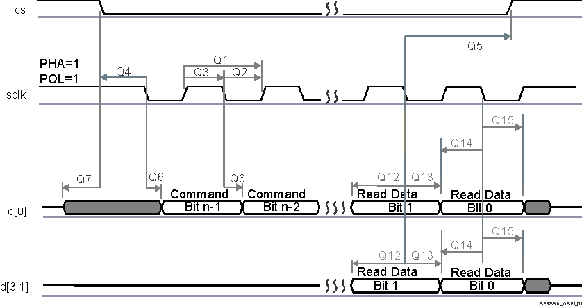
Table 7-46 and Table 7-47 present Timing and Switching Characteristics for Quad SPI Interface.

Table 7-46 Switching Characteristics for QSPI

No PARAMETER DESCRIPTION Mode MIN MAX UNIT
Q1 tc(SCLK) Cycle time, sclk Default Timing Mode, Clock Mode 0 13.02 ns
Default Timing Mode, Clock Mode 3 20.8 ns
Q2 tw(SCLKL) Pulse duration, sclk low Y*P-1 (1) ns
Q3 tw(SCLKH) Pulse duration, sclk high Y*P-1 (1) ns
Q4 td(CS-SCLK) Delay time, sclk falling edge to cs active edge, CS3:0 Default Timing Mode -M*P-2.0 (2)(3) -M*P+2.0 (2)(3) ns
Q5 td(SCLK-CS) Delay time, sclk falling edge to cs inactive edge, CS3:0 Default Timing Mode N*P-2.0 (2)(3) N*P+2.0 (2)(3) ns
Q6 td(SCLK-D1) Delay time, sclk falling edge to d[0] transition Default Timing Mode -2 2 ns
Q7 tena(CS-D1LZ) Enable time, cs active edge to d[0] driven (lo-z) -P-3.5 -P+2.5 ns
Q8 tdis(CS-D1Z) Disable time, cs active edge to d[0] tri-stated (hi-z) -P-2.5 -P+2.0 ns
Q9 td(SCLK-D0) Delay time, sclk first falling edge to first d[0] transition PHA=0 Only, Default Timing Mode -2.45 - P 1 .45 - P ns
  1. The Y parameter is defined as follows:
    If DCLK_DIV is 0 or ODD then, Y equals 0.5.
    If DCLK_DIV is EVEN then, Y equals (DCLK_DIV/2) / (DCLK_DIV+1).
    For best performance, it is recommended to use a DCLK_DIV of 0 or ODD to minimize the duty cycle distortion. The HSDIVIDER on CLKOUTX2_H13 output of DPLL_PER can be used to achieve the desired clock divider ratio. All required details about clock division factor DCLK_DIV can be found in the device TRM.
  2. P = SCLK period.
  3. M=QSPI_SPI_DC_REG.DDx + 1 when Clock Mode 0.
    M=QSPI_SPI_DC_REG.DDx when Clock Mode 3.
    N = 2 when Clock Mode 0.
    N = 3 when Clock Mode 3.

AM5729 AM5728 AM5726 SPRS85v_TIMING_QSPI1_01.gifFigure 7-37 QSPI Read (Clock Mode 3)
AM5729 AM5728 AM5726 SPRS85v_TIMING_QSPI1_02.gifFigure 7-38 QSPI Read (Clock Mode 0)

CAUTION

The IO Timings provided in this section are only valid for some QSPI usage modes when the corresponding Virtual IO Timings or Manual IO Timings are configured as described in the tables found in this section.

Table 7-47 Timing Requirements for QSPI

No PARAMETER DESCRIPTION Mode MIN MAX UNIT
Q12 tsu(D-RTCLK) Setup time, d[3:0] valid before falling rtclk edge Default Timing Mode, Clock Mode 0 5.1 ns
tsu(D-SCLK) Setup time, d[3:0] valid before falling sclk edge Default Timing Mode, Clock Mode 3 12.3 ns
Q13 th(RTCLK-D) Hold time, d[3:0] valid after falling rtclk edge Default Timing Mode, Clock Mode 0 -0.1 ns
th(SCLK-D) Hold time, d[3:0] valid after falling sclk edge Default Timing Mode, Clock Mode 3 0 ns
Q14 tsu(D-SCLK) Setup time, final d[3:0] bit valid before final falling sclk edge Default Timing Mode, Clock Mode 3 12.3-P (1) ns
Q15 th(SCLK-D) Hold time, final d[3:0] bit valid after final falling sclk edge Default Timing Mode, Clock Mode 3 0+P (1) ns
  1. P = SCLK period.
  2. Clock Modes 1 and 2 are not supported.
  3. The Device captures data on the falling clock edge in Clock Mode 0 and 3, as opposed to the traditional rising clock edge. Although nonstandard, the falling-edge-based setup and hold time timings have been designed to be compatible with standard SPI devices that launch data on the falling edge in Clock Modes 0 and 3.
AM5729 AM5728 AM5726 SPRS85v_TIMING_QSPI1_03.gifFigure 7-39 QSPI Write (Clock Mode 3)
AM5729 AM5728 AM5726 SPRS85v_TIMING_QSPI1_04.gifFigure 7-40 QSPI Write (Clock Mode 0)

NOTE

To configure the desired Manual IO Timing Mode the user must follow the steps described in section Manual IO Timing Modes of the Device TRM.

The associated registers to configure are listed in the CFG REGISTER column. For more information see the Control Module chapter in the Device TRM.

Manual IO Timings Modes must be used to ensure some IO timings for QSPI. See Table 7-2Modes Summary for a list of IO timings requiring the use of Manual IO Timings Modes. See Table 7-48Manual Functions Mapping for QSPI for a definition of the Manual modes.

Table 7-48 lists the A_DELAY and G_DELAY values needed to calculate the correct values to be set in the CFG_x registers.

Table 7-48 Manual Functions Mapping for QSPI

BALL BALL NAME QSPI_MODE0_MANUAL1 CFG REGISTER MUXMODE
A_DELAY (ps) G_DELAY (ps) 1
T7 gpmc_a3 114 0 CFG_GPMC_A3_OUT qspi1_cs2
P6 gpmc_a4 91 0 CFG_GPMC_A4_OUT qspi1_cs3
R3 gpmc_a13 0 0 CFG_GPMC_A13_IN qspi1_rtclk
T2 gpmc_a14 2575 966 CFG_GPMC_A14_IN qspi1_d3
U2 gpmc_a15 2503 889 CFG_GPMC_A15_IN qspi1_d2
U1 gpmc_a16 2528 1007 CFG_GPMC_A16_IN qspi1_d0
U1 gpmc_a16 0 0 CFG_GPMC_A16_OUT qspi1_d0
P3 gpmc_a17 2533 980 CFG_GPMC_A17_IN qspi1_d1
R2 gpmc_a18 590 0 CFG_GPMC_A18_OUT qspi1_sclk
P2 gpmc_cs2 0 0 CFG_GPMC_CS2_OUT qspi1_cs0
P1 gpmc_cs3 70 0 CFG_GPMC_CS3_OUT qspi1_cs1