ZHCSO30A December   2023  – May 2024 ADC3910D025 , ADC3910D065 , ADC3910D125 , ADC3910S025 , ADC3910S065 , ADC3910S125

PRODUCTION DATA  

  1.   1
  2. 特性
  3. 应用
  4. 说明
  5. 引脚配置和功能
  6. 规格
    1. 5.1  绝对最大额定值
    2. 5.2  ESD 等级
    3. 5.3  建议运行条件
    4. 5.4  热性能信息
    5. 5.5  电气特性 - 功耗
    6. 5.6  电气特性 - 直流规格
    7. 5.7  电气特性 - 交流规格 (25MSPS)
    8. 5.8  电气特性 - 交流规格 (65MSPS)
    9. 5.9  电气特性 - 交流规格 (125MSPS)
    10. 5.10 时序要求
    11. 5.11 输出接口时序图
    12. 5.12 典型特性 - 25MSPS
    13. 5.13 典型特性 - 65MSPS
    14. 5.14 典型特性 - 125MSPS
  7. 详细说明
    1. 6.1 概述
    2. 6.2 功能方框图
    3. 6.3 特性说明
      1. 6.3.1 ADC 特性
        1. 6.3.1.1 低延迟模式
        2. 6.3.1.2 全数字功能模式
        3. 6.3.1.3 交错模式
      2. 6.3.2 模拟输入
        1. 6.3.2.1 单端输入
        2. 6.3.2.2 差分输入
        3. 6.3.2.3 模拟输入带宽
      3. 6.3.3 采样时钟输入
      4. 6.3.4 电压基准
      5. 6.3.5 超范围 (OVR)
      6. 6.3.6 数字特性
        1. 6.3.6.1 数字下变频器
          1. 6.3.6.1.1 数字下变频器数据选择
          2. 6.3.6.1.2 抽取滤波器
          3. 6.3.6.1.3 DDC 超范围
          4. 6.3.6.1.4 带抽取因子的输出格式
        2. 6.3.6.2 数字比较器
          1. 6.3.6.2.1 比较器数据选择
          2. 6.3.6.2.2 比较器高阈值和低阈值
          3. 6.3.6.2.3 比较器配置比较模式
          4. 6.3.6.2.4 比较器事件配置
        3. 6.3.6.3 统计引擎
          1. 6.3.6.3.1 统计引擎数据选择
          2. 6.3.6.3.2 窗口配置
        4. 6.3.6.4 数字警报
      7. 6.3.7 数字接口
        1. 6.3.7.1 并行 CMOS 输出
        2. 6.3.7.2 串行 CMOS 输出
      8. 6.3.8 测试图形
        1. 6.3.8.1 旁路测试图形
        2. 6.3.8.2 数字测试图形
    4. 6.4 器件功能模式
      1. 6.4.1 正常运行
      2. 6.4.2 断电选项
    5. 6.5 编程
      1. 6.5.1 使用 SPI 接口的配置
        1. 6.5.1.1 寄存器写入
        2. 6.5.1.2 寄存器读取
    6. 6.6 寄存器映射
      1. 6.6.1 寄存器说明
      2. 6.6.2 统计引擎寄存器映射
      3. 6.6.3 警报寄存器映射
  8. 应用信息免责声明
    1. 7.1 应用信息
    2. 7.2 典型应用
      1. 7.2.1 设计要求
      2. 7.2.2 详细设计过程
        1. 7.2.2.1 输入信号路径
        2. 7.2.2.2 采样时钟
        3. 7.2.2.3 电压基准
      3. 7.2.3 应用曲线
    3. 7.3 初始化设置
      1. 7.3.1 运行期间寄存器初始化
    4. 7.4 电源相关建议
    5. 7.5 布局
      1. 7.5.1 布局指南
      2. 7.5.2 布局示例
  9. 器件和文档支持
    1. 8.1 接收文档更新通知
    2. 8.2 支持资源
    3. 8.3 商标
    4. 8.4 静电放电警告
    5. 8.5 术语表
  10. 修订历史记录
  11. 10机械、封装和可订购信息

封装选项

机械数据 (封装 | 引脚)
散热焊盘机械数据 (封装 | 引脚)
订购信息

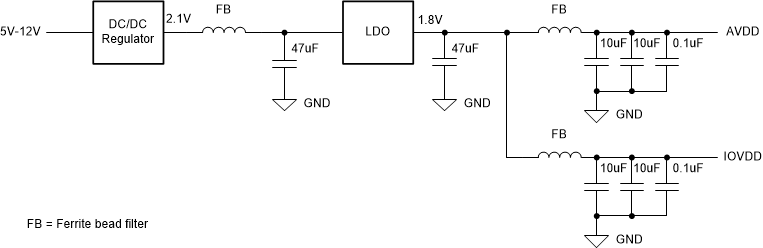
电源相关建议

ADC 需要两个不同的电源。AVDD 电源轨为内部模拟和数字电路以及 ADC 本身供电,而 IOVDD 电源轨为数字接口供电。不需要电源时序。

AVDD 电源必须具有低噪声才能实现数据表性能。在接近直流运行的应用中,还需要考虑电源的 1/f 噪声贡献。该 ADC 专为实现出色的 PSRR 而设计,有助于进行电源滤波器设计。

ADC3910D025 ADC3910D065 ADC3910D125 ADC3910S025 ADC3910S065 ADC3910S125  电源抑制比 (PSRR) 与频率间的关系
图 7-4 电源抑制比 (PSRR) 与频率间的关系

推荐的电源架构包括以下两种:

  1. 使用高效开关转换器进行降压,然后使用低噪声 LDO 进行第二级稳压,从而降低开关噪声并提高电压精度。
  2. 使用高效开关转换器直接降低最终的 ADC 电源电压。该方法可提供出色的效率,但必须注意确保尽可能降低开关噪声,以防止 ADC 性能下降。

TI WEBENCH® Power Designer 可用于选择和设计所需的各个电源元件:请参阅 WEBENCH® Power Designer

为第一级推荐的开关稳压器包括 TPS62821 和类似器件。

推荐的低压降 (LDO) 线性稳压器包括 TPS7A4701、TPS7A90、LP5901 以及类似器件。

对于仅开关稳压器的方法,纹波滤波器必须设计为与直流/直流转换器的开关纹波频率一致的陷波频率。请注意 WEBENCH® 报告的开关频率,并设计 EMI 滤波器和电容器组合,以使陷波频率根据需要居中。图 7-5图 7-6 展示了这两种方法。

AVDD 和 IOVDD 电源电压不应共享,以防止数字开关噪声耦合到模拟信号链中。

ADC3910D025 ADC3910D065 ADC3910D125 ADC3910S025 ADC3910S065 ADC3910S125  示例:LDO 线性稳压器方法
图 7-5 示例:LDO 线性稳压器方法
ADC3910D025 ADC3910D065 ADC3910D125 ADC3910S025 ADC3910S065 ADC3910S125  示例:仅开关的方法
图 7-6 示例:仅开关的方法