ZHCUBN0 November   2023

 

  1.   1
  2.   说明
  3.   开始使用
  4.   特性
  5.   应用
  6.   6
  7. 1评估模块概述
    1. 1.1 引言
    2. 1.2 套件内容
    3. 1.3 规格
    4. 1.4 器件信息
  8. 2硬件
    1. 2.1 系统概述
    2. 2.2 硬件概述
      1. 2.2.1 AC-MB 设置
        1. 2.2.1.1 音频串行接口设置
          1. 2.2.1.1.1 USB
          2. 2.2.1.1.2 18
          3. 2.2.1.1.3 光学或辅助模拟音频输入
          4. 2.2.1.1.4 外部
        2. 2.2.1.2 AC-MB 电源
      2. 2.2.2 PCMx140Q1EVM-PDK 硬件设置
        1. 2.2.2.1 线路输入
        2. 2.2.2.2 板载麦克风输入
  9. 3软件
    1. 3.1 软件概述
      1. 3.1.1 PurePath Console 3 安装
      2. 3.1.2 PCMx140Q1EVM GUI 安装
        1. 3.1.2.1 软件设置
    2. 3.2 快速入门
      1. 3.2.1 为 I2S 输出配置音频串行总线
      2. 3.2.2 32
      3. 3.2.3 保存配置
    3. 3.3 Matlab 音频捕获示例
  10. 4硬件设计文件
    1. 4.1 PCMx140Q1EVM-PDK 原理图和物料清单
      1. 4.1.1 PCMx140Q1EVM-PDK 原理图
      2. 4.1.2 PCB 布局
      3. 4.1.3 PCMx140Q1EVM-PDK 物料清单
    2. 4.2 AC-MB 原理图和物料清单
      1. 4.2.1 AC-MB 原理图
      2. 4.2.2 PCB 布局
      3. 4.2.3 AC-MB 物料清单
  11. 5其他信息
    1. 5.1 商标
  12. 6相关文档

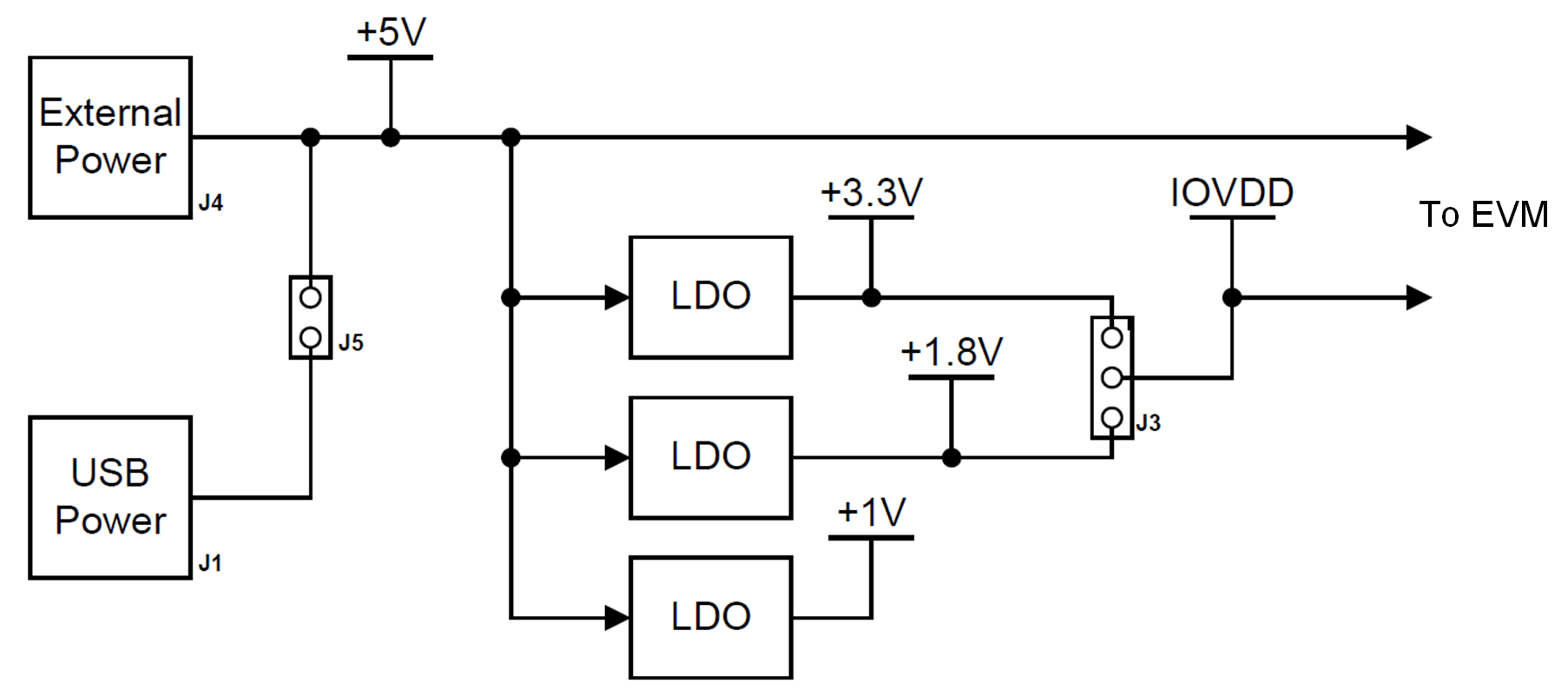
AC-MB 电源

整个 EVM 系统由单一 5V 电源供电。然而,主板集成了不同的低压降稳压器 (LDO),为主板的不同模块提供所需的电源。图 3-7 展示了描述 AC-MB 电源结构的方框图。

GUID-84C8261A-F4B1-4249-B61A-310EA0CBB69C-low.gif图 2-7 AC-MB 的电源分配

通过短接接头 J5(USB POWER),可以使用 USB 5V 电源 (VBUS) 从主机为 AC-MB 供电。此外,可以通过连接到端子 J4(EXTERNAL POWER)的外部电源为 AC-MB 供电。接头 J5 必须处于打开状态,以便进行外部供电操作。提供给评估模块的数字信号的 IOVDD 电压由主电源(USB 或外部)在主板上生成。可用的电压电平为 1.8V 和 3.3V,可通过 J3 接头 IOVDD 进行选择。对于 1.8V 操作,将接头 J3 的引脚 2 和 3 短接;对于 3.3V 操作,将引脚 1 和 2 短接。当主板完全通电且板载 LDO 的电源正常时,绿色电源 LED (D3) 亮起。USB 就绪 LED 指示 AC-MB 和主机之间已成功建立 USB 通信。