ZHCU899A november   2020  – august 2023 TPS23731

 

  1.   1
  2.   TPS23731EVM-095 评估模块
  3.   商标
  4. 1引言
    1. 1.1 特性
    2. 1.2 应用
  5. 2电气规格
  6. 3说明
  7. 4通用配置和说明
    1. 4.1 物理访问
  8. 5TPS23731EVM-095 性能数据
    1. 5.1 启动响应
    2. 5.2 瞬态响应
    3. 5.3 效率
    4. 5.4 负载调节
    5. 5.5 输出短路和恢复期间的断续性能
    6. 5.6 波特图
  9. 6EVM 装配图和布局指南
    1. 6.1 PCB 制图
    2. 6.2 布局指南
    3. 6.3 EMI 遏制
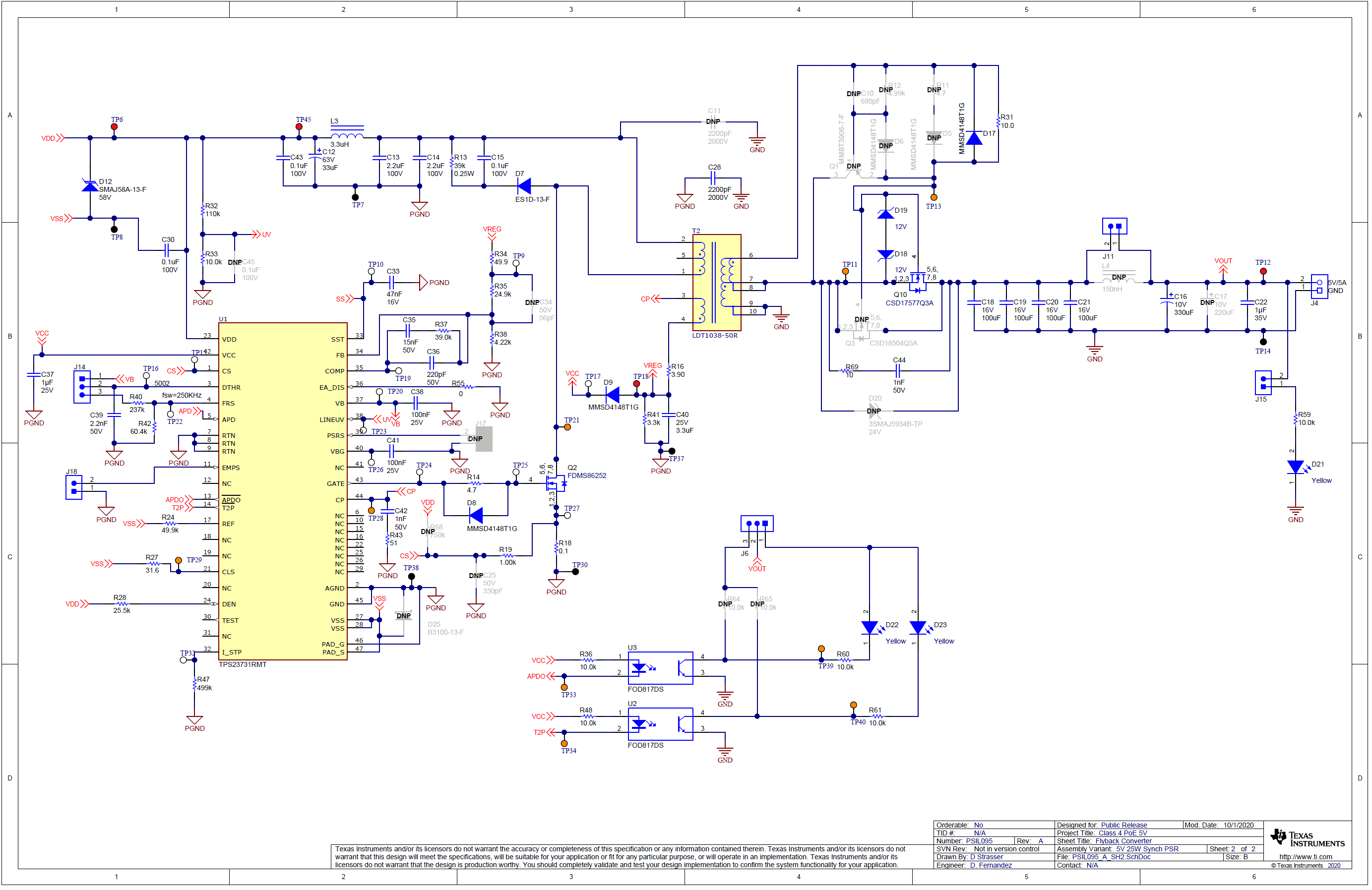
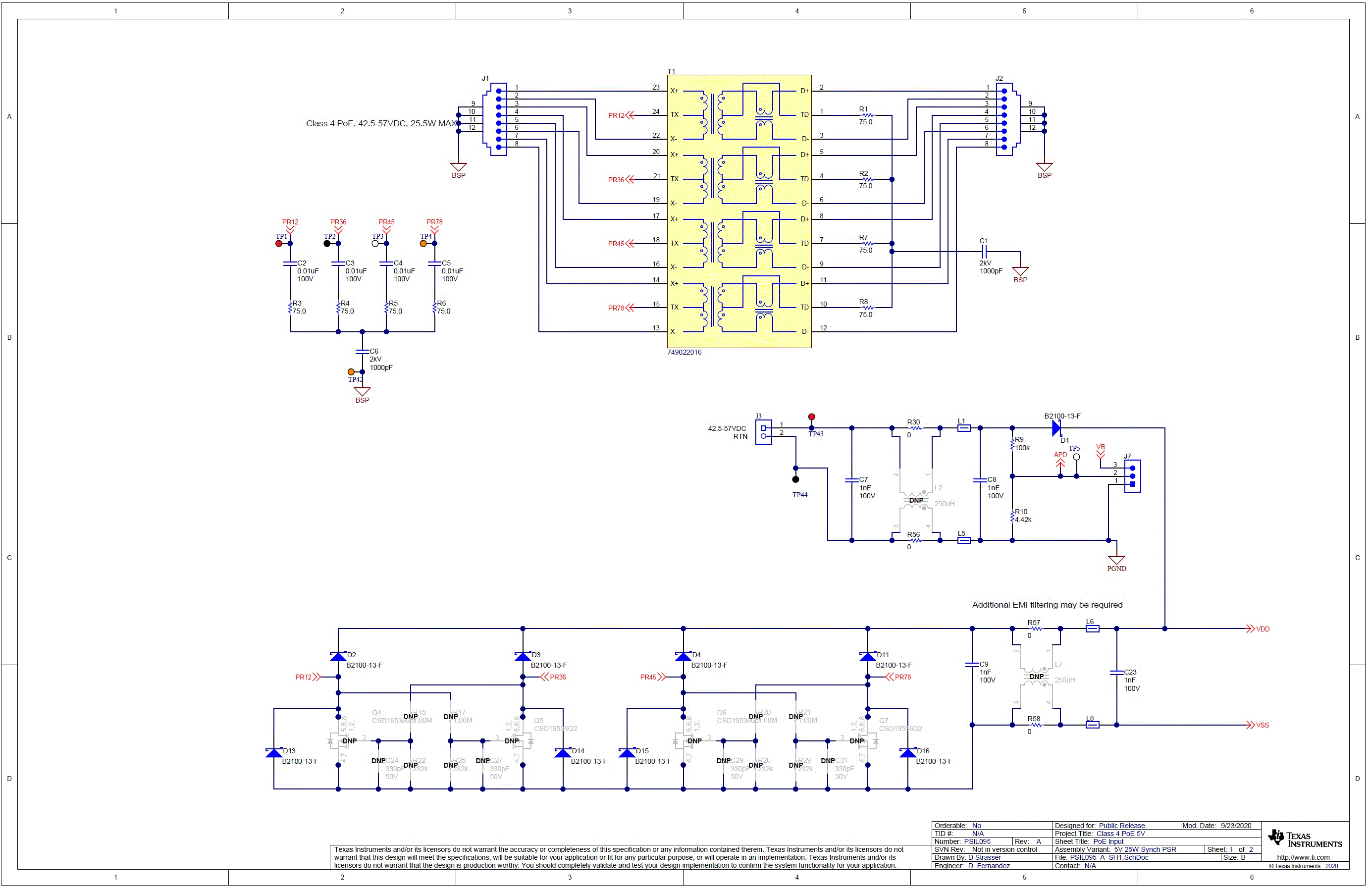
  10. 7原理图
  11. 8物料清单
  12. 9修订历史记录

原理图

图 7-1图 7-2 演示了 EVM 原理图

GUID-97095FFC-24C0-4278-BA63-43048AED3541-low.gif图 7-1 TPS23731EVM-095 原理图第一页
GUID-41D75D03-C209-47C2-8FE4-A6A1A11DE32B-low.gif图 7-2 TPS23731EVM-095 原理图第二页