ZHCT360 January   2022 AFE0064 , AFE1256 , AFE2256 , AFE3256 , DDC112 , DDC114 , DDC118 , DDC232 , DDC264 , DDC316

 

  1. 1引言
  2. 2DDC
  3. 3X 射线 AFE ROIC
  4. 4最终比较
  5. 55
  6. 6结论
  7. 7相关网站
  8. 8重要声明

DDC

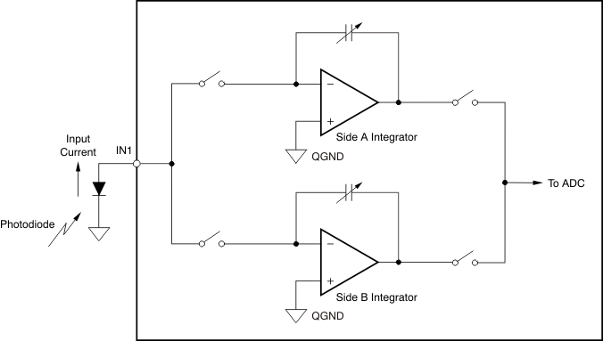
DDC 系列涵盖从双通道 (DDC112) 到 256 通道 (DDC2256) 器件,其中包括 4、8、16、32、64 和 128 通道等中间版本。每个 DDC 通道都输出一个数字值,相当于输入电流在两个瞬间(时钟信号的两个连续边沿)之间的积分(电荷)。工程师可以将 DDC 等效地视作一个后接 ADC(而不是电阻)的跨阻放大器,其中反馈电容和积分时间(采样率)的组合设置了增益(参见图 2-1)。

GUID-1EECDB86-07BA-4526-8E5B-4B903C1026C0-low.gif 图 2-1 双积分器 DDC 输入架构

在计算机断层扫描仪或荧光测量等应用中,将电荷值作为数字器件输出具有以下优点:通过单个读数直接提供与该时间间隔内入射到光电二极管上的光子总数成比例的值(而不是连续采样信号并在稍后将样本相加)。在此期间,信号不必是连续的,DDC 的输入积分器甚至可以对两个边沿之间的快速电流脉冲进行积分。实际上,前端积分器的带宽会超出人们根据采样率认识的带宽,大约在兆赫范围内。

对于用户更喜欢以电流为单位处理数据的应用,可将电荷结果除以积分区间(两个边沿之间的时间)来获得平均电流值。该间隔中的任何时间信息都将丢失并转换为单个平均电流样本。

根据 DDC 器件的不同,可以将采样率(积分区间的倒数)从 1SPS 调整到 100kSPS(DDC316 仅为 12 位)。大多数 DDC 比较规范的最大采样率值是每通道约 6kSPS,分辨率为 20 位。表 2-1 总结了 DDC 系列中每个器件的最高等级规格。

表 2-1 DDC 系列中各器件的最高等级规格
器件名称 通道数量 最小最大通道采样率 [kSPS] 最大满量程电荷 [pC] 最大满量程电流 [µA] 功耗 [mW/通道] 位数
DDC112 2 0.001-3 1,000 3 85 20
DDC114 4 0.001-3 350 1 18 20
DDC118 8 0.001-3 350 1 18 20
DDC316 16 1-100 12 1.2 28 100kSPS 下为 12
50kSPS 下为 16
DDC232 32 0.001-6 350 2 10 20
DDC264 64 0.001-6 150 1 5.5 20
DDC1128 128 0.001-6 150 1 5.5 20
DDC2256 256 1-17 150 2.5 2 24

该器件的可编程满量程(交换集成电容器)使您能够优化给定应用、试验或运行的本底噪声,这对于仪器仪表应用尤为重要。增加输入增益将使本底噪声降至 0.2fCrms(1,250 个电子)。但是,在较低增益(较高的满量程输入)下能获得较大的动态范围,典型值约为 90dB。

电流的计算公式为电荷除以积分时间,最大电流(在线性范围内)由最大满量程电荷设置和最小积分时间计算得出。表 2-1 也列出了这些结果。典型的最大满量程电荷范围为 150pC 至 350pC,尽管 DDC112 允许使用可超过 1nC 范围的外部反馈电容器。在以电流为单位进行的计算中,最大范围约为 1µA。

X 射线 AFE 与 DDC 系列的一个主要区别是 DDC 只能测量流入输入端子的电流。也就是说,所有 DDC 都将满量程的 0.4% 左右作为离开端子的电流的裕度,用于在零电流点校准偏移。此外,还可以使用外部电阻器并通过一些相对简单的技术来测量负电流 [3]。

最后,这些器件采用引线或 Ball Grid Array (BGA) 封装,从而可通过标准组装方法进行简单处理。