ZHCSQW6B November   2024  – March 2025 TPS54338 , TPS54438 , TPS54538

PRODUCTION DATA  

  1.   1
  2. 特性
  3. 应用
  4. 说明
  5. 引脚配置和功能
  6. 规格
    1. 5.1 绝对最大额定值
    2. 5.2 ESD 等级
    3. 5.3 建议运行条件
    4. 5.4 热性能信息
    5. 5.5 电气特性
    6. 5.6 典型特性
  7. 详细说明
    1. 6.1 概述
    2. 6.2 功能方框图
    3. 6.3 特性说明
      1. 6.3.1  固定频率峰值电流模式
      2. 6.3.2  模式选择
      3. 6.3.3  电压基准
      4. 6.3.4  输出电压设置
      5. 6.3.5  开关频率选择/同步
      6. 6.3.6  相移
      7. 6.3.7  启用并调节欠压锁定
      8. 6.3.8  外部软启动和预偏置软启动
      9. 6.3.9  电源正常
      10. 6.3.10 最短导通时间、最短关断时间和频率折返
      11. 6.3.11 展频频谱
      12. 6.3.12 过压保护
      13. 6.3.13 过流和欠压保护
      14. 6.3.14 热关断
    4. 6.4 器件功能模式
      1. 6.4.1 模式概述
      2. 6.4.2 重负载运行
      3. 6.4.3 脉冲频率调制
      4. 6.4.4 强制连续导通调制
      5. 6.4.5 压降运行
      6. 6.4.6 最短导通时间运行
      7. 6.4.7 关断模式
  8. 应用和实施
    1. 7.1 应用信息
    2. 7.2 典型应用
      1. 7.2.1 设计要求
      2. 7.2.2 详细设计过程
        1. 7.2.2.1 使用 WEBENCH® 工具创建定制设计方案
        2. 7.2.2.2 输出电压电阻器选型
        3. 7.2.2.3 选择开关频率
        4. 7.2.2.4 软启动电容器选型
        5. 7.2.2.5 输出电感器选型
        6. 7.2.2.6 输出电容器选型
        7. 7.2.2.7 输入电容器选型
        8. 7.2.2.8 前馈电容器 CFF 选型
        9. 7.2.2.9 最高环境温度
      3. 7.2.3 应用曲线
    3. 7.3 最佳设计实践
    4. 7.4 电源相关建议
    5. 7.5 布局
      1. 7.5.1 布局指南
      2. 7.5.2 布局示例
  9. 器件和文档支持
    1. 8.1 器件支持
      1. 8.1.1 第三方产品免责声明
      2. 8.1.2 开发支持
        1. 8.1.2.1 使用 WEBENCH® 工具创建定制设计方案
    2. 8.2 文档支持
      1. 8.2.1 相关文档
    3. 8.3 接收文档更新通知
    4. 8.4 支持资源
    5. 8.5 商标
    6. 8.6 静电放电警告
    7. 8.7 术语表
  10. 修订历史记录
  11. 10机械、封装和可订购信息

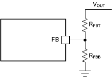
输出电压设置

为在整个工作温度范围内保持严格的稳压输出电压,设计中使用了一个 0.6V 的精密基准电压 (VREF)。输出电压通过输出电压和 FB 引脚间的电阻分压器进行设置。TI 建议使用容差为 1% 且温度系数低的电阻器作为 FB 分压器。根据所需的分压器电流选择合适的低侧电阻值 RFBB,并使用方程式 1 来计算高侧 RFBT。在极轻负载条件下,RFBB 越低,分压器电流越大,同时效率也越低。RFBB 越大,FB 电压越容易受到噪声的影响,因此如果 RFBB 值较大,则需要更加仔细地设计 PCB 上的反馈路径。对于大多数应用,TI 建议使用 RFBB = 10kΩ 且 RFBT 在 10kΩ 至 300kΩ 范围内。

电阻分压器的容差和温度变化将影响输出电压调节。

TPS54338 TPS54438 TPS54538 输出电压设置图 6-2 输出电压设置
方程式 1. R F B T = V O U T - V R E F V R E F × R F B B

其中

  • VREF 为 0.6V(内部基准电压)。
  • RFBB 为 10kΩ(推荐)。