ZHCSMS6B November   2020  – September 2021 TPS25858-Q1 , TPS25859-Q1

PRODUCTION DATA  

  1. 特性
  2. 应用
  3. 说明
  4. 修订历史记录
  5. 说明(续)
  6. 器件比较表
  7. 引脚配置和功能
  8. 规格
    1. 8.1 绝对最大额定值
    2. 8.2 ESD 等级
    3. 8.3 建议运行条件
    4. 8.4 热性能信息
    5. 8.5 电气特性
    6. 8.6 时序要求
    7. 8.7 开关特性
    8. 8.8 典型特性
  9. 参数测量信息
  10. 10详细说明
    1. 10.1 概述
    2. 10.2 功能方框图
    3. 10.3 特性说明
      1. 10.3.1  断电或欠压锁定
      2. 10.3.2  输入过压保护 (OVP) - 持续监控
      3. 10.3.3  降压转换器
      4. 10.3.4  FREQ/SYNC
      5. 10.3.5  自举电压 (BOOT)
      6. 10.3.6  最小导通时间、最小关断时间
      7. 10.3.7  内部补偿
      8. 10.3.8  可选输出电压 (VSET)
      9. 10.3.9  电流限制和短路保护
        1. 10.3.9.1 USB 开关可编程电流限制 (ILIM)
        2. 10.3.9.2 用于两级 USB 开关电流限制的互锁
        3. 10.3.9.3 逐周期降压电流限制
        4. 10.3.9.4 OUT 电流限制
      10. 10.3.10 电缆补偿
      11. 10.3.11 具有温度感测 (TS) 和 OTSD 功能的热管理
      12. 10.3.12 热关断
      13. 10.3.13 USB 使能开关控制 (TPS25859-Q1)
      14. 10.3.14 FAULT 指示 (TPS25859-Q1)
      15. 10.3.15 USB 规范概述
      16. 10.3.16 USB Type-C® 基础知识
        1. 10.3.16.1 配置通道
        2. 10.3.16.2 检测连接
      17. 10.3.17 USB 端口工作模式
        1. 10.3.17.1 USB Type-C® 模式
        2. 10.3.17.2 专用充电端口 (DCP) 模式(仅限 TPS25858-Q1)
          1. 10.3.17.2.1 DCP BC1.2 和 YD/T 1591-2009
          2. 10.3.17.2.2 DCP 分压器充电方案
          3. 10.3.17.2.3 DCP 1.2V 充电方案
        3. 10.3.17.3 DCP 自动模式 (TPS25858-Q1)
    4. 10.4 器件功能模式
      1. 10.4.1 关断模式
      2. 10.4.2 活动模式
  11. 11应用和实现
    1. 11.1 应用信息
    2. 11.2 典型应用
      1. 11.2.1 设计要求
      2. 11.2.2 详细设计过程
        1. 11.2.2.1 输出电压设置
        2. 11.2.2.2 开关频率
        3. 11.2.2.3 电感器选型
        4. 11.2.2.4 输出电容器选型
        5. 11.2.2.5 输入电容器选择
        6. 11.2.2.6 自举电容器选型
        7. 11.2.2.7 欠压锁定设定点
        8. 11.2.2.8 电缆补偿设定点
      3. 11.2.3 应用曲线
  12. 12电源相关建议
  13. 13布局
    1. 13.1 布局指南
    2. 13.2 布局示例
    3. 13.3 接地平面及散热考虑
  14. 14器件和文档支持
    1. 14.1 接收文档更新通知
    2. 14.2 支持资源
    3. 14.3 商标
    4. 14.4 Electrostatic Discharge Caution
    5. 14.5 术语表
  15. 15机械、封装和可订购信息

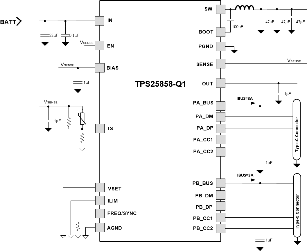
典型应用

TPS2585x-Q1 仅需几个外部元件即可将宽电压范围电源转换为 5V 输出,从而为 USB 设备供电。图 11-1 显示了适用于双 Type-C 充电端口的 TPS25858-Q1 典型应用原理图。图 11-2 显示了适用于双 Type-C 充电端口的 TPS25859-Q1 典型应用原理图。

GUID-20201104-CA0I-JTV7-PNTH-71WSDM25XT4C-low.gif图 11-1 适用于 400kHz fSW 的 TPS25858-Q1 典型应用电路
GUID-B99B72F7-6BBC-48A6-A489-D5DCF7AAC11D-low.png图 11-2 适用于 400kHz fSW 的 TPS25859-Q1 典型应用电路

表 11-1 作为快速入门指南,提供了一些最常见配置的典型元件值。表 11-1 中提供的值是典型值。其他值可用于根据应用程序的要求增强某些性能标准。TPS2585x-Q1 的集成降压稳压器针对合理选择的外部电感和电容进行了内部补偿和优化。外部元件必须满足应用的需求,而且还要满足器件控制环路的稳定性标准。

表 11-1 L 和 COUT 典型值
fSW无电缆补偿的 VOUTLCHF + CINCBOOT额定 COUT
400KHZ5.17 V3.3µH1 × 100nF + 1 × 47µF1 × 100nF3 × 47µF
  1. 电感值是基于 18V 的最大 VIN 计算得出的。
  2. 所有 COUT 值均是经过降额并使用低 ESR 陶瓷电容器后得到的值。
  3. COUT 是 SENSE 引脚上的降压稳压器输出电容值。