ZHCSHO1D November   2018  – January 2019 LMG1210

PRODUCTION DATA.  

  1. 特性
  2. 应用
  3. 说明
    1.     Device Images
      1.      简化的典型应用
  4. 修订历史记录
  5. Pin Configuration and Functions
    1.     Pin Functions
  6. Specifications
    1. 6.1 Absolute Maximum Ratings
    2. 6.2 ESD Ratings
    3. 6.3 Recommended Operating Conditions
    4. 6.4 Thermal Information
    5. 6.5 Electrical Characteristics
    6. 6.6 Switching Characteristics
    7. 6.7 Typical Characteristics
    8. 6.8 Timing Diagrams
  7. Detailed Description
    1. 7.1 Overview
    2. 7.2 Functional Block Diagram
    3. 7.3 Feature Description
      1. 7.3.1 Bootstrap Diode Operation
      2. 7.3.2 LDO Operation
      3. 7.3.3 Dead Time Selection
      4. 7.3.4 Overtemperature Protection
      5. 7.3.5 High-Performance Level Shifter
      6. 7.3.6 Negative HS Voltage Handling
    4. 7.4 Device Functional Modes
  8. Application and Implementation
    1. 8.1 Application Information
    2. 8.2 Typical Application
      1. 8.2.1 Design Requirements
      2. 8.2.2 Detailed Design Procedure
        1. 8.2.2.1 Bypass Capacitor
        2. 8.2.2.2 Bootstrap Diode Selection
        3. 8.2.2.3 Handling Ground Bounce
        4. 8.2.2.4 Independent Input Mode
        5. 8.2.2.5 Computing Power Dissipation
      3. 8.2.3 Application Curves
    3. 8.3 Do's and Don'ts
  9. Power Supply Recommendations
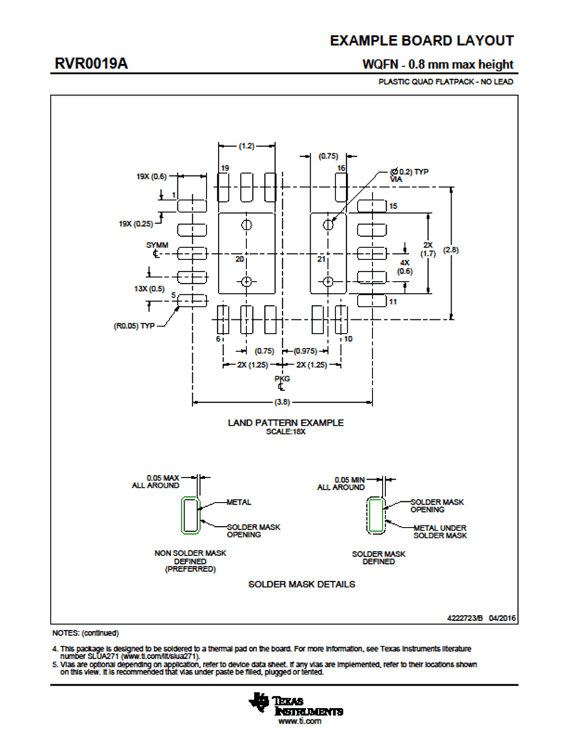
  10. 10Layout
    1. 10.1 Layout Guidelines
    2. 10.2 Layout Example
  11. 11器件和文档支持
    1. 11.1 文档支持
      1. 11.1.1 相关文档
    2. 11.2 接收文档更新通知
    3. 11.3 社区资源
    4. 11.4 商标
    5. 11.5 静电放电警告
    6. 11.6 术语表
  12. 12机械、封装和可订购信息

机械、封装和可订购信息

以下页面包含机械、封装和可订购信息。这些信息是指定器件的最新可用数据。数据如有变更,恕不另行通知,且不会对此文档进行修订。如需获取此数据表的浏览器版本,请查阅左侧的导航栏。

LMG1210 作为 MSL3 发布。超过其车间寿命的产品可以通过烘烤进行再加工,以排除残留的湿气。IPC/JEDEC J-STD-033C 提供有关烘烤规程的指导,以及为了确保塑料外壳(托盘、卷带封装或管)能够承受所考虑温度,您应留意哪些方面。

LMG1210 mech1_snosd12.gif
LMG1210 mech2_snosd12.gif
LMG1210 mech3_snosd12.gif