ZHCSGB9D June   2017  – October 2024 AMC1303E0510 , AMC1303E0520 , AMC1303E2510 , AMC1303E2520 , AMC1303M0510 , AMC1303M0520 , AMC1303M2510 , AMC1303M2520

PRODUCTION DATA  

  1.   1
  2. 特性
  3. 应用
  4. 说明
  5. 器件比较表
  6. 引脚配置和功能
  7. 规格
    1. 6.1  绝对最大额定值
    2. 6.2  ESD 等级
    3. 6.3  建议运行条件
    4. 6.4  热性能信息
    5. 6.5  功率等级
    6. 6.6  绝缘规格
    7. 6.7  安全相关认证
    8. 6.8  安全限值
    9. 6.9  电气特性:AMC1303x05x
    10. 6.10 电气特性:AMC1303x25x
    11. 6.11 开关特性
    12. 6.12 时序图
    13. 6.13 绝缘特性曲线
    14. 6.14 典型特性
  8. 详细说明
    1. 7.1 概述
    2. 7.2 功能方框图
    3. 7.3 特性说明
      1. 7.3.1 模拟输入
      2. 7.3.2 调制器
      3. 7.3.3 隔离通道信号传输
      4. 7.3.4 数字输出
      5. 7.3.5 曼彻斯特编码功能
    4. 7.4 器件功能模式
      1. 7.4.1 失效防护输出
      2. 7.4.2 满标量程输入情况下的输出行为
  9. 应用和实施
    1. 8.1 应用信息
      1. 8.1.1 数字滤波器用途
    2. 8.2 典型应用
      1. 8.2.1 变频器应用
        1. 8.2.1.1 设计要求
        2. 8.2.1.2 详细设计过程
        3. 8.2.1.3 应用曲线
      2. 8.2.2 隔离电压检测
        1. 8.2.2.1 设计要求
        2. 8.2.2.2 详细设计过程
        3. 8.2.2.3 应用曲线
      3. 8.2.3 最佳设计实践
    3. 8.3 电源相关建议
    4. 8.4 布局
      1. 8.4.1 布局指南
      2. 8.4.2 布局示例
  10. 器件和文档支持
    1. 9.1 器件支持
      1. 9.1.1 器件命名规则
        1. 9.1.1.1 隔离相关术语
    2. 9.2 文档支持
      1. 9.2.1 相关文档
    3. 9.3 接收文档更新通知
    4. 9.4 支持资源
    5. 9.5 商标
    6. 9.6 静电放电警告
    7. 9.7 术语表
  11. 10修订历史记录
  12. 11机械、封装和可订购信息

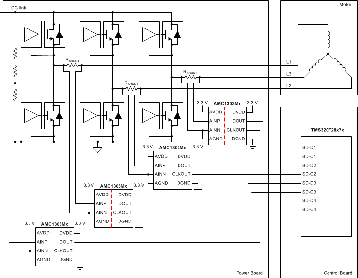
变频器应用

隔离式 Δ-Σ 调制器由于其较高的交流和直流性能而广泛应用于变频器设计中。变频器是工业电机驱动器、光伏逆变器(串型和中央逆变器)、不间断电源 (UPS) 和其他工业应用的重要器件。

图 8-2 显示了典型变频器应用中的 AMC1303Mx 的简化版原理图;此器件用于采用分流电阻器 (RSHUNT) 进行电流检测的工业电机驱动器。根据系统设计,可检测全部的三个或仅检测其中的两个电机相电流。

AMC1303E0510 AMC1303M0510 AMC1303E0520 AMC1303M0520   AMC1303E2510 AMC1303M2510 AMC1303E2520 AMC1303M2520 变频器应用中的 AMC1303Mx 的简化图图 8-2 变频器应用中的 AMC1303Mx 的简化图

图 8-3 显示了 AMC1303Ex 的曼彻斯特编码比特流输出如何最大限度地减少在电源和控制板之间进行连接的布线工作。该比特流输出还允许在电源板上本地产生时钟,而不必调整每条 DOUT 连接的传播延迟时间,即可满足微控制器的设置和保持时间要求。

AMC1303E0510 AMC1303M0510 AMC1303E0520 AMC1303M0520   AMC1303E2510 AMC1303M2510 AMC1303E2520 AMC1303M2520 变频器应用中的 AMC1303Ex 的简化图图 8-3 变频器应用中的 AMC1303Ex 的简化图

在前面所示的两个示例中,都使用额外的第四个 AMC1303 来支持针对直流链路的隔离式电压感应。此高电压通过电阻分压器减小,并且由该器件在较小的电阻器上感应到。这个电阻的值可能会降低测量性能,如隔离电压检测 部分所述。