ZHCACF2 March 2023 AM2631 , AM2632 , AM2634 , AM263P2-Q1
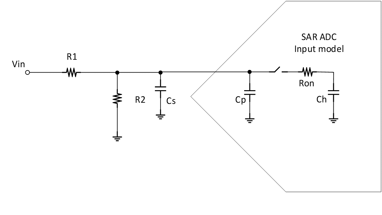
在采样窗口期间,SAR ADC 将有一个连接到输入端的电容网络,并会对输入电压进行采样。该电容网络不提供任何阻性负载,因此在采样时间足够长的情况下,输入将始终稳定至正确的 Vout 电压。

TI 有关电荷共享驱动电路的应用手册提供了关于如何选择源极电阻器和电荷共享电容器来驱动 SAR ADC 的优秀教程。
CP、Ron 和 Ch 以及采样时间是 ADC 规格表中给出的 ADC 参数。稳定误差(以 LSB 为单位)、ADC 驱动源阻抗 (Rs = R1//R2) 和电荷共享电容值 (Cs) 取决于应用,可根据该应用手册中的指南进行选择。第 30 页举例说明了如何为 SAR ADC 输入端的分压器选择外部电阻器和电容器。
通用指南是,R1、R2 和 Cs 的值越低,网络的响应速度就越快。该指南应该用于高带宽信号路径。