SPMA072 March   2015 TM4C1294KCPDT , TM4C1294KCPDT , TM4C1294NCPDT , TM4C1294NCPDT , TM4C1294NCZAD , TM4C1294NCZAD , TM4C1299KCZAD , TM4C1299KCZAD , TM4C1299NCZAD , TM4C1299NCZAD , TM4C129EKCPDT , TM4C129EKCPDT , TM4C129ENCPDT , TM4C129ENCPDT , TM4C129ENCZAD , TM4C129ENCZAD , TM4C129XKCZAD , TM4C129XKCZAD , TM4C129XNCZAD , TM4C129XNCZAD

 

  1.   Serial to Ethernet Converter for TM4C129x Microcontrollers Using RTOS
    1.     Trademarks
    2. 1 Introduction
    3. 2 Software Description
    4. 3 Set Up and Program enet_s2e Application
      1. 3.1 Set Up enet_s2e Application
      2. 3.2 Software Modification for DK-TM4C129X
      3. 3.3 Program the enet_s2e Application
    5. 4 Demonstration
      1. 4.1 Set Up EK-TM4C1294XL Board and PC
      2. 4.2 Demonstration
    6. 5 Configuration Webserver
      1. 5.1 Access the Configuration Webserver
        1. 5.1.1 Using the Debug Port
        2. 5.1.2 Using the Finder Utility
      2. 5.2 Different Pages Hosted on the Configuration Webserver
        1. 5.2.1 S2E Status Page
        2. 5.2.2 S2E Port 0 and Port 1 Settings Page
        3. 5.2.3 S2E Miscellaneous Settings Page
    7. 6 Flow Control
    8. 7 Additional Hardware
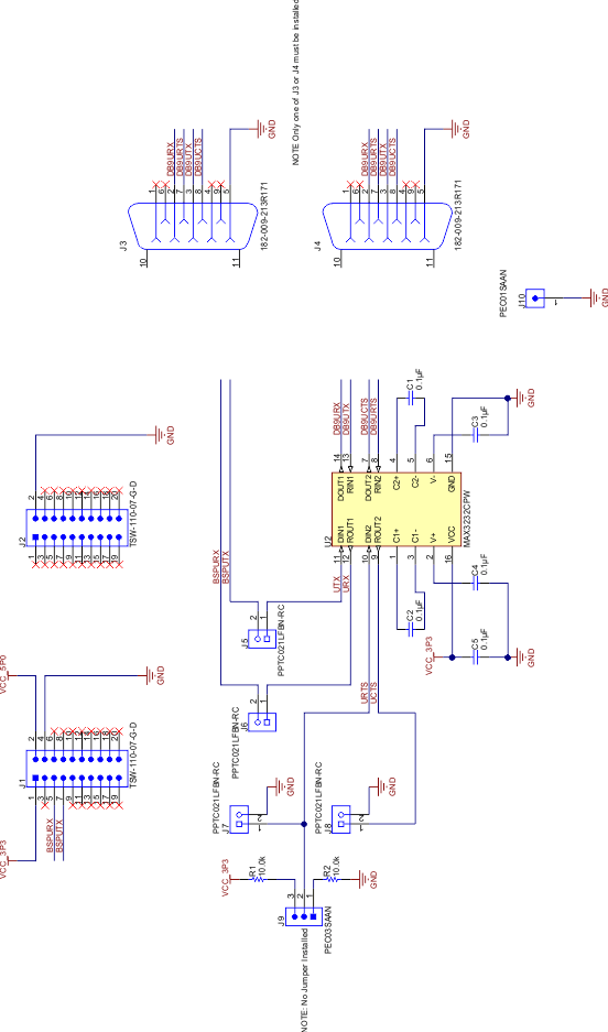
      1. 7.1 Schematic of RS-232 Level Shifter
      2. 7.2 Connections
      3. 7.3 Bill of Materials (BOM)
    9. 8 References

Schematic of RS-232 Level Shifter

Sch_RS-232_level_shifter_SPMA072.gifFigure 7. Schematic of RS-232 Level Shifter