SLVUC28 August   2022 TPS544C26

 

  1.   Abstract
  2.   Trademarks
  3. 1Introduction
    1. 1.1 Description
    2. 1.2 Before You Begin
  4. 2Performance Characteristics
  5. 3Test Point Descriptions
  6. 4Test Setup
  7. 5Fusion I2C Device GUI
    1. 5.1 Opening the I2C Device GUI
    2. 5.2 On and Off Control OPERATION (01h) and ON_OFF_CONFIG (02h)
    3. 5.3 Changing SYS_CONFIG1 (A0h)
    4. 5.4 Changing the Output Voltage
    5. 5.5 Exporting and Importing Configurations
    6. 5.6 Store to and Restore from NVM
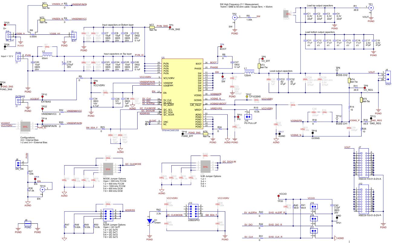
  8. 6Schematics
  9. 7PCB Layout
  10. 8BOM

Schematics

GUID-20220725-SS0I-ZF8Z-LHJ7-PTC1CSHHBN04-low.gif Figure 6-1 TPS548C26EVM Schematic