SLAU748B October   2017  – September 2018 MSP432E401Y

 

  1.   SimpleLinkrep%#8482; Ethernet MSP432E401Y Microcontroller LaunchPad™ Development Kit (MSP-EXP432E401Y)
    1.     Trademarks
    2. 1 Board Overview
      1. 1.1 Kit Contents
      2. 1.2 Using the Ethernet LaunchPad Development Kit
      3. 1.3 Features
      4. 1.4 BoosterPack Plug-in Modules
      5. 1.5 Specifications
    3. 2 Hardware Description
      1. 2.1 Functional Description
        1. 2.1.1 Microcontroller
        2. 2.1.2 Ethernet Connectivity
          1. 2.1.2.1 RJ-45 Connections
        3. 2.1.3 USB Connectivity
        4. 2.1.4 Motion Control
        5. 2.1.5 User Switches and LEDs
        6. 2.1.6 BoosterPack Plug-in Modules and Headers
          1. 2.1.6.1 BoosterPack Plug-in Module Interface 1
          2. 2.1.6.2 BoosterPack Plug-in Module Interface 2
          3. 2.1.6.3 Breadboard Connection
          4. 2.1.6.4 Other Headers and Jumpers
        7. 2.1.7 Serial Bootloader
      2. 2.2 Power Management
        1. 2.2.1 Power Supplies
        2. 2.2.2 Low Power Modes
        3. 2.2.3 Clocking
        4. 2.2.4 Reset
      3. 2.3 Debug Interface
        1. 2.3.1 XDS-110 Debug Interface
        2. 2.3.2 External Debugger
        3. 2.3.3 Virtual COM Port
    4. 3 Software Development
      1. 3.1 Software Description
      2. 3.2 Source Code
      3. 3.3 Tool Options
      4. 3.4 Programming the Ethernet LaunchPad Development Kit
    5. 4 PCB Schematics
  2.   Revision History

PCB Schematics

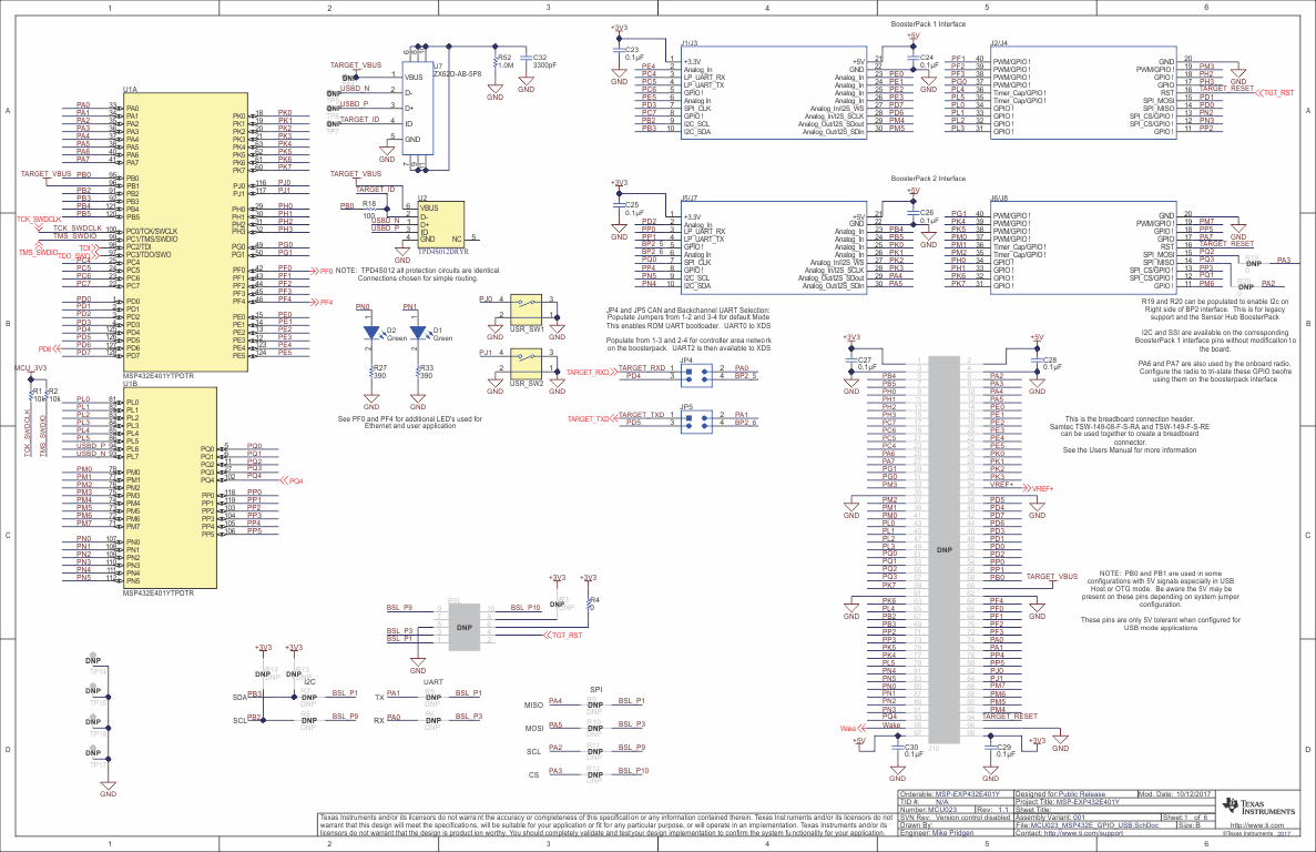
The following figures show the schematics of the Ethernet LaunchPad development kit.

schematics-1.gifFigure 5. Ethernet LaunchPad Development Kit Schematics (1 of 5)
schematics-2.gifFigure 6. Ethernet LaunchPad Development Kit Schematics (2 of 5)
schematics-3.gifFigure 7. Ethernet LaunchPad Development Kit Schematics (3 of 5)
schematics-4.gifFigure 8. Ethernet LaunchPad Development Kit Schematics (4 of 5)
schematics-5.gifFigure 9. Ethernet LaunchPad Development Kit Schematics (5 of 5)